EasyManua.ls Logo

Nortec RH - Page 9

Nortec RH
60 pages
Print Icon
To Next Page IconTo Next Page
To Next Page IconTo Next Page
To Previous Page IconTo Previous Page
To Previous Page IconTo Previous Page
Loading...
Installation | 6
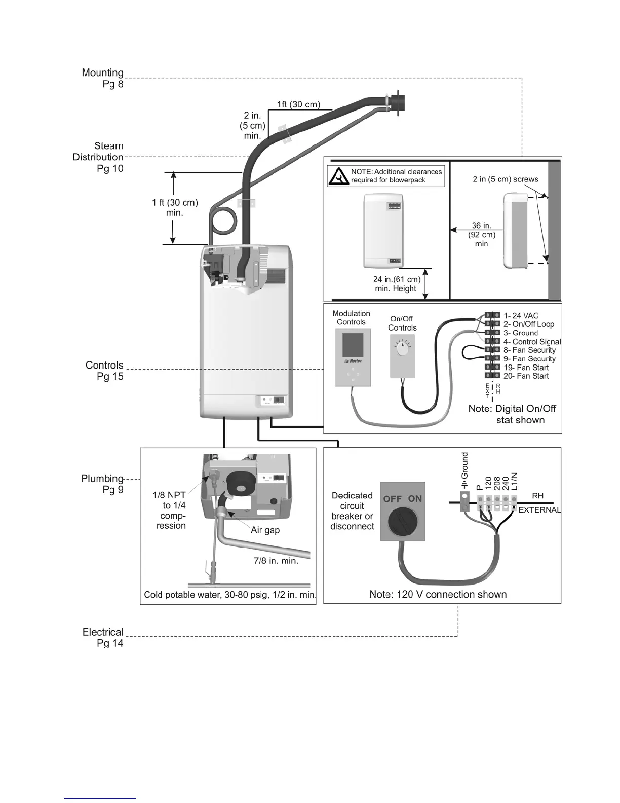
Typical RH Installation
Figure 3: Typical Humidifier Installation

Related product manuals