EasyManua.ls Logo

Notifier AUTOPULSE IQ-318 - FCM-1-REL Module Releasing Connections; Connecting a Releasing Device to the FCM-1-REL

Notifier AUTOPULSE IQ-318
62 pages
Print Icon
To Next Page IconTo Next Page
To Next Page IconTo Next Page
To Previous Page IconTo Previous Page
To Previous Page IconTo Previous Page
Loading...
46 IQ-318/E/C Installation Manual — P/N 52864:J3 9/29/15
Applications Releasing Applications
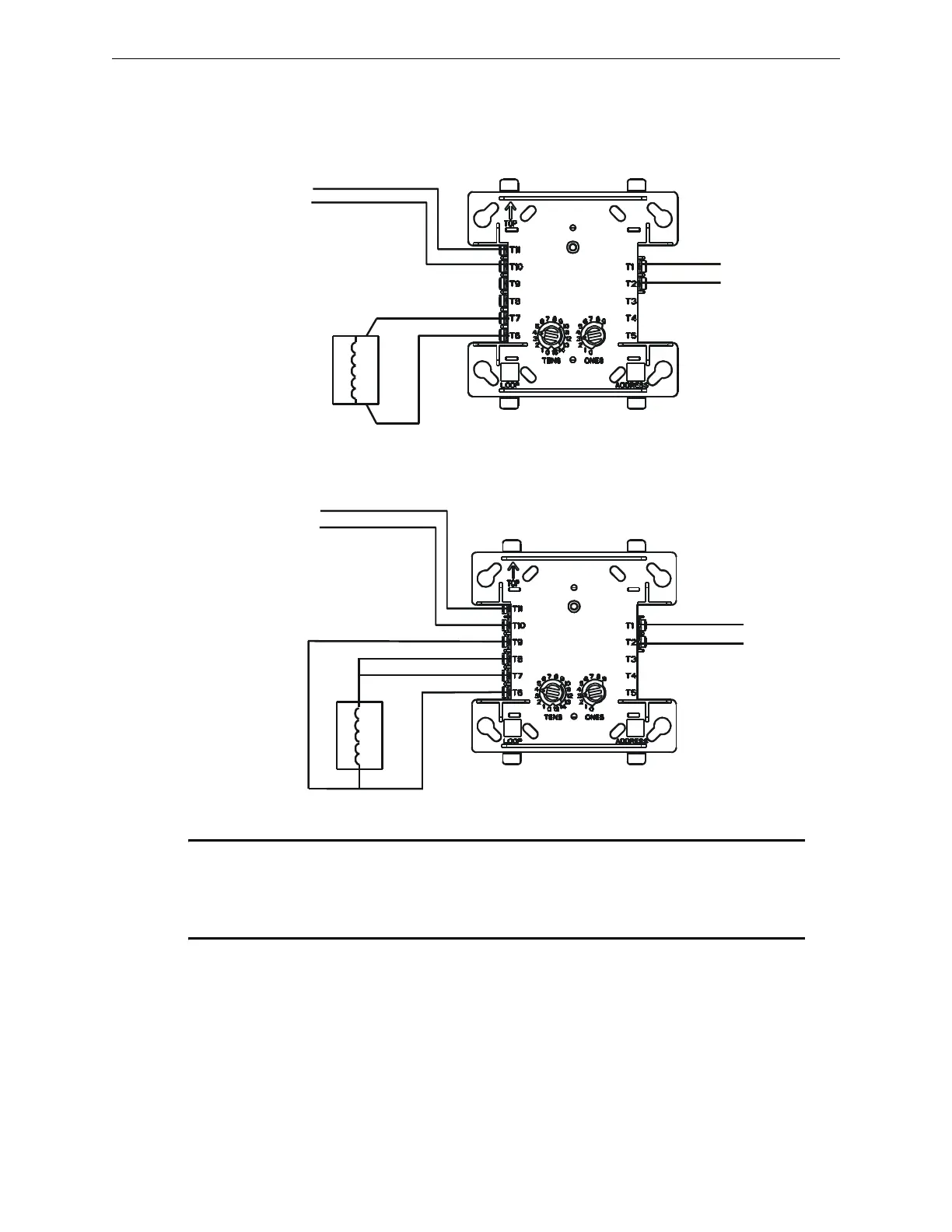
4.7.6 Connecting a Releasing Device to the FCM-1-REL
Typical Connections Figure 4.13 shows typical connections for wiring a releasing device to the
FCM-1-REL. Refer to the Device Compatibility Document for compatible releasing devices.
Critical Requirements. When connecting a releasing device to the FCM-1-REL module, note
the following:
1. See “Power Considerations” on page 52 for information on monitoring 24 VDC power.
2. Do not T-tap or branch a Style Y or Style Z circuit.
3. Only one (1) 24V solenoid or two (2) 12V solenoids in series can be connected to the FCM-1-
REL.
SLC (-)
SLC (+)
Non-resettable
24 VDC power
(-)
(+)
Compatible UL-listed
24 VDC releasing device.
One (1) device maximum.
Module polarities are shown in alarm condition.
All wiring shown is supervised and power-limited.
Figure 4.13 NPFA Style Y (Class B) Wiring of the FCM-1-REL
Compatible UL-listed
24 VDC releasing device.
One (1) device maximum.
Non-resettable
24 VDC power
SLC (-)
SLC (+)
(-)
(+)
Figure 4.13 NPFA Style Z (Class A) Wiring of the FCM-1-REL
Module polarities are shown in alarm condition.
All wiring shown is supervised and power-limited.
FCM-1-REL
FCM-1-REL
When using the FCM-1-REL for
Style Y (Class B) applications,
remove jumper J1.
fcm-1-rel-y.wmf
fcm-1-1rel-z.wmf
NOTE: With software version 12.0 or higher ALL new FlashScan Mode SLC releasing
applications require the FCM-1-REL control module. The V-type FCM-1 control module may be
used in SLC releasing applications with software version 12.0 or higher. H-type FCM-1 control
modules do not support FlashScan Mode releasing applications with software version 12.0 or
higher. Use H-type FCM-1 for CLIP mode releasing applications.

Related product manuals