EasyManua.ls Logo

Notifier AUTOPULSE IQ-318 - Agent Release-Abort Station Connection; Connecting an NBG-12 LRA Agent Release-Abort Station

Notifier AUTOPULSE IQ-318
62 pages
Print Icon
To Next Page IconTo Next Page
To Next Page IconTo Next Page
To Previous Page IconTo Previous Page
To Previous Page IconTo Previous Page
Loading...
IQ-318/E/C Installation Manual P/N 52864:J3 9/29/15 47
Releasing Applications Applications
4. Do not loop wiring under the screw terminals. Break the wire run to provide supervision of
connections.
5. All applications using the FCM-1-REL are power-limited:
a. Program the releasing circuit for Type Code REL CKT ULC or RELEASE CKT.
b. Circuits are supervised against opens and shorts.
6. Refer to the IQ-318/E Programming Manual for instructions on setting the Soak Timer.
The FCM-1-REL module must be programmed with the correct releasing type code listed in the
IQ-318/E Programming Manual.
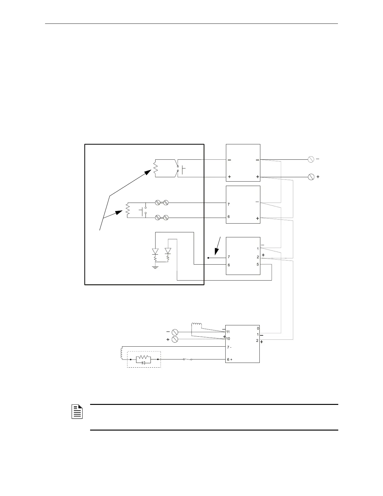
4.7.7 Connecting an NBG-12LRA Agent Release-Abort Station
NOTE: If using the on-board NACs, see Circuit Requirements for Section 4.7.4 “Connecting a
Releasing Device to the Control Panel” on page 42. If using FCM-1, see Circuit Requirements for
Section 4.7.5 “Connecting a Releasing Device to the FCM-1 Module” on page 44.
SLC loop to
FACP
FCM-1
FRM-1
FMM-1
FMM-101
Black
Red
Yellow
Violet
Black
Red
Non-resettable +24 VDC
from main power supply
Manual Abort
Manual Release
Normal
Release
NBG-12LRA
See Document 51369
for installation details.
ELR mode R-47K
supervised and
power-limited
RedBrown
24 VDC UL-listed
releasing device
C.
N.O.
REL-47K
(use with Type Code
Rel Ckt ULC)
NFS640-NBG12LRAtpH.wmf
System
Common (–)
24 VDC power
from FACP’s
main power supply
N.C.
Power Supervision
Relay (EOLR-1)
N.C. Supervision
Relay Contact
Figure 4.14 Typical Connections for an NBG-12LRA Agent Release-Abort Station
Polarity shown in
an energized
state.
*If the SLC device does
not match the one in this
figure, refer to the SLC
manual appendix, which
contains wiring conver-
sion charts for type V and
type H modules.

Related product manuals