EasyManua.ls Logo

NTI C85-340 - Page 37

NTI C85-340
40 pages
Print Icon
To Next Page IconTo Next Page
To Next Page IconTo Next Page
To Previous Page IconTo Previous Page
To Previous Page IconTo Previous Page
Loading...
C 85-340 Parts List - Installation & Operation Instructions Caprice
37
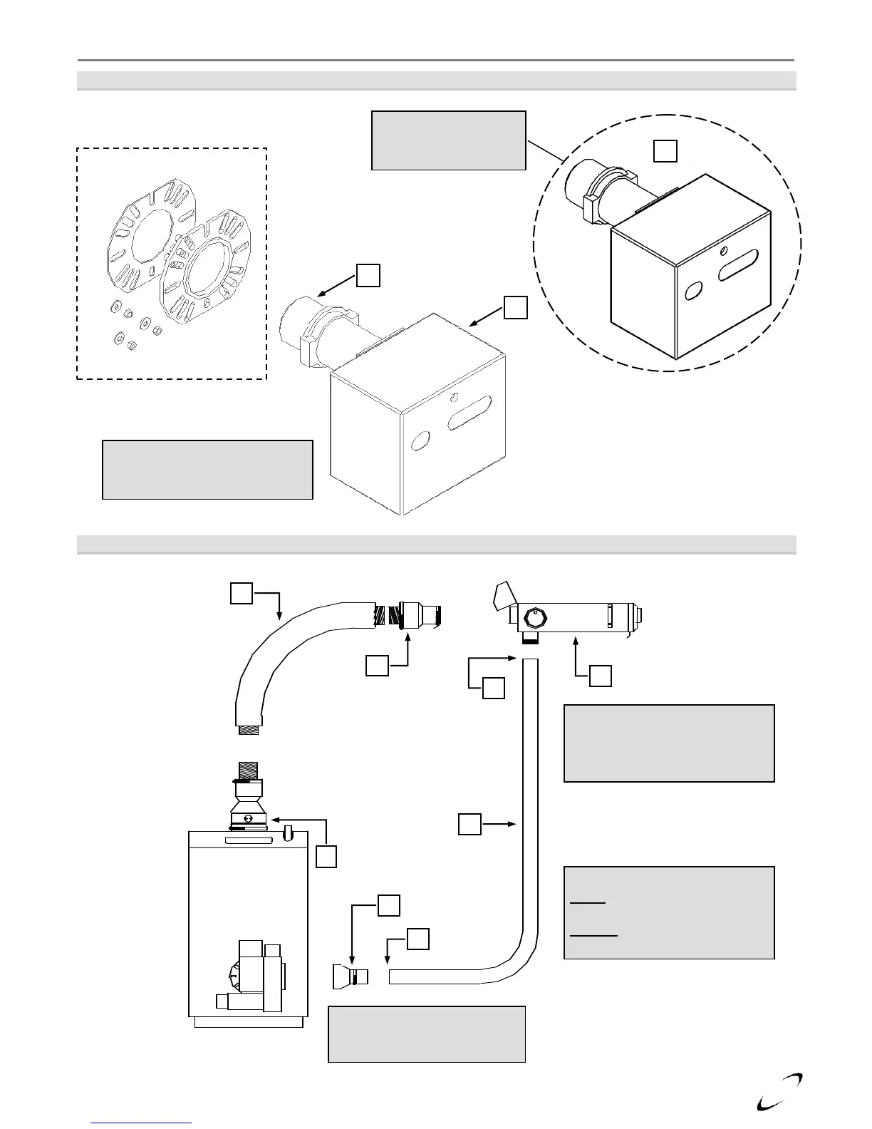
Figure 12-2 Burner Package
Figure 12-3 Direct Vent Components
37
37
74
20
19
Washers & Nuts
Burner
Gasket
Burner
Flange
Included with Burner Kit
Items 19 & 20: Riello burners
and blast tubes are ordered
separately, field assembled.
Item 21: Burner and
blast tube are sold as
a fully assembled unit.
21
(Becket Burner shown for illustration purposes)
28
22
25
24
23
2
27
Items 27- 28: Vent Terminal
and Insulated Flex not included
with Burner Kit, must be ordered
separately. See Table 7-2.
Item 25: Increaser included
with each Beckett Direct Vent
Burner Kit (n/a for Riello).
Item 26: 3” Hose Clamps (x 2)
Riello - Connects 3” Flex to
Vent Terminal and Burner.
Beckett - Connects 3” Flex to
Vent Terminal and Increaser.
26
26
Beckett Only

Related product manuals