EasyManua.ls Logo

NTI Trinity Lx150 - Page 49

NTI Trinity Lx150
104 pages
Print Icon
To Next Page IconTo Next Page
To Next Page IconTo Next Page
To Previous Page IconTo Previous Page
To Previous Page IconTo Previous Page
Loading...
Lx Series Installation and Operation Instructions Trinity Lx
49
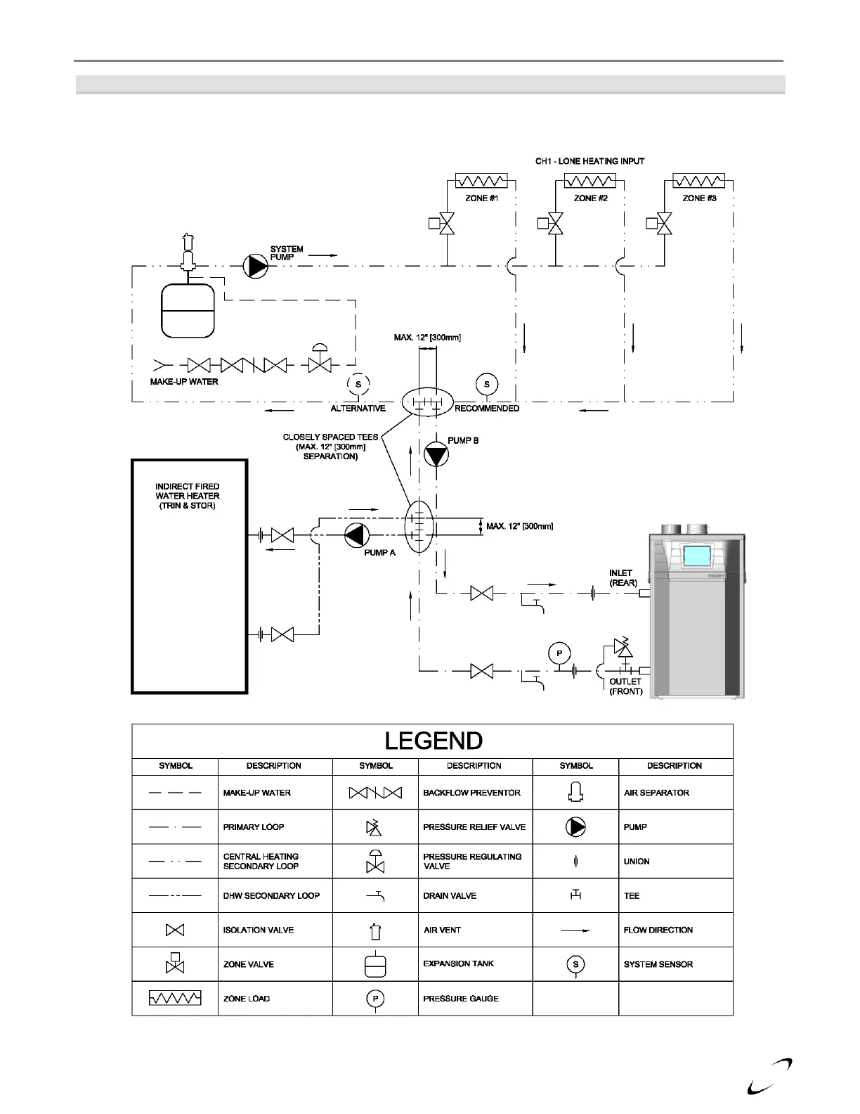
Figure 10-2 Primary / Secondary Plumbing
(Single System Circulator Configuration)

Related product manuals