EasyManua.ls Logo

NTI Trinity Lx150 - Page 61

NTI Trinity Lx150
104 pages
Print Icon
To Next Page IconTo Next Page
To Next Page IconTo Next Page
To Previous Page IconTo Previous Page
To Previous Page IconTo Previous Page
Loading...
Lx Series Installation and Operation Instructions Trinity Lx
61
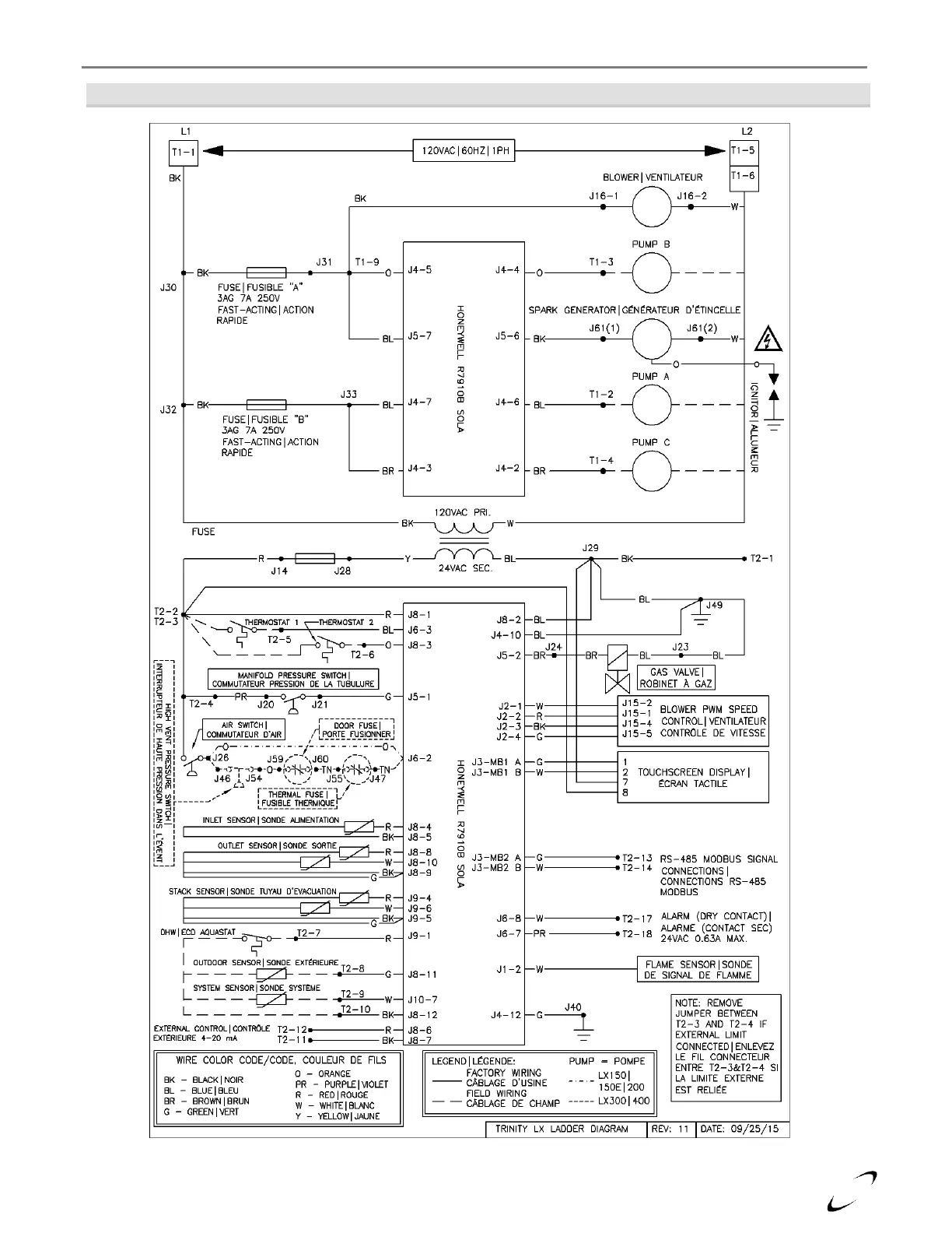
Figure 13-1(b) Ladder/Logic Diagram (Lx150-400)

Related product manuals