EasyManua.ls Logo

NTI Trinity Tft399 - Page 59

NTI Trinity Tft399
96 pages
Print Icon
To Next Page IconTo Next Page
To Next Page IconTo Next Page
To Previous Page IconTo Previous Page
To Previous Page IconTo Previous Page
Loading...
Tft Series Installation and Operation Instructions Trinity
59
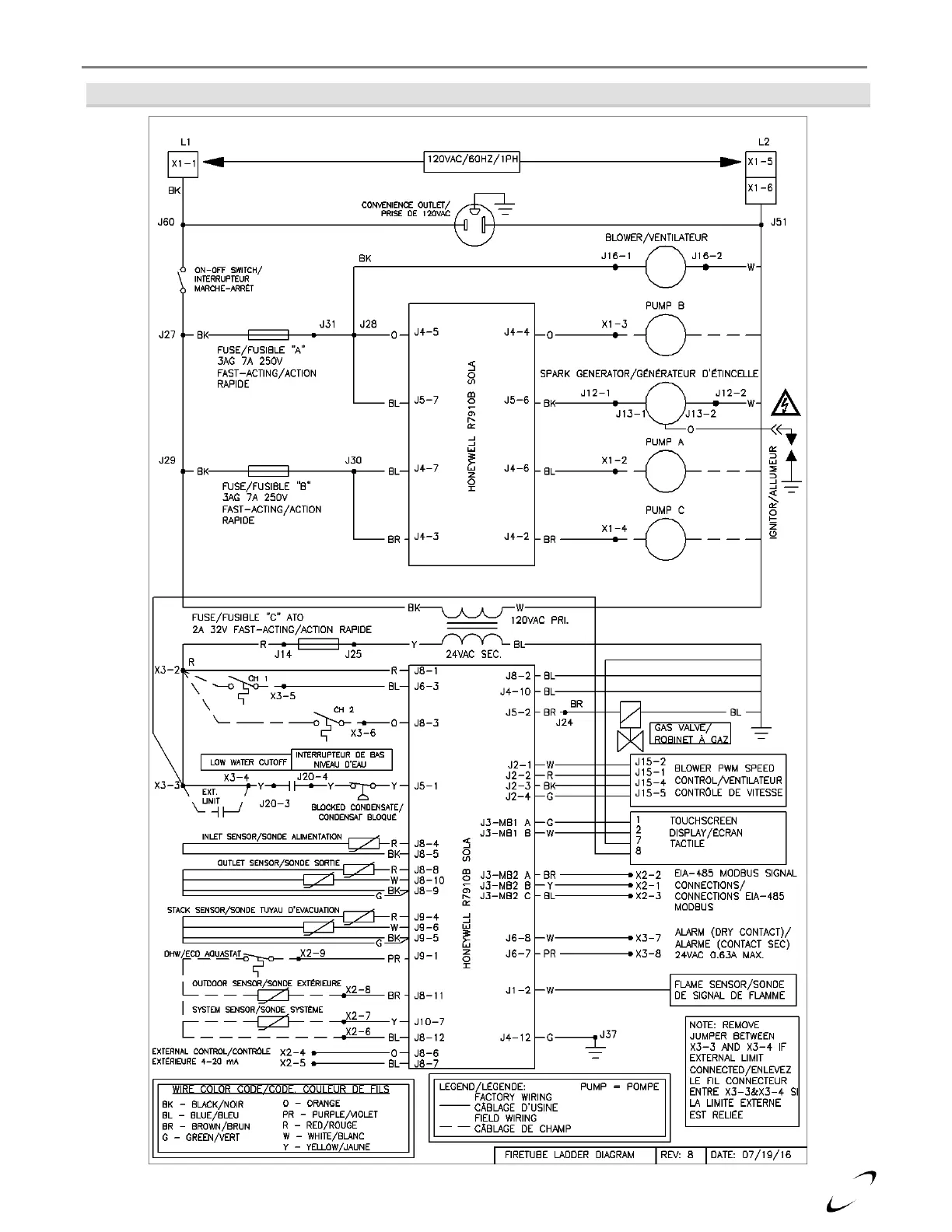
Figure 13-2 Tft Ladder/Logic Diagram

Related product manuals