EasyManua.ls Logo

NTI Trinity Tft399 - Wiring Schematics

NTI Trinity Tft399
96 pages
Print Icon
To Next Page IconTo Next Page
To Next Page IconTo Next Page
To Previous Page IconTo Previous Page
To Previous Page IconTo Previous Page
Loading...
Trinity Installation and Operation Instructions Tft Series
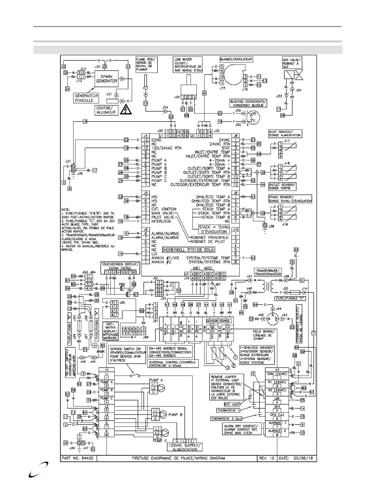
13.0 WIRING SCHEMATICS
Figure 13-1 Tft Connection Diagram

Related product manuals