EasyManua.ls Logo

NTI Trinity TX Series - 14.0 Wiring Schematics; Tx Connection Diagram

NTI Trinity TX Series
84 pages
Print Icon
To Next Page IconTo Next Page
To Next Page IconTo Next Page
To Previous Page IconTo Previous Page
To Previous Page IconTo Previous Page
Loading...
Wiring Schematics Tx I&O Manual
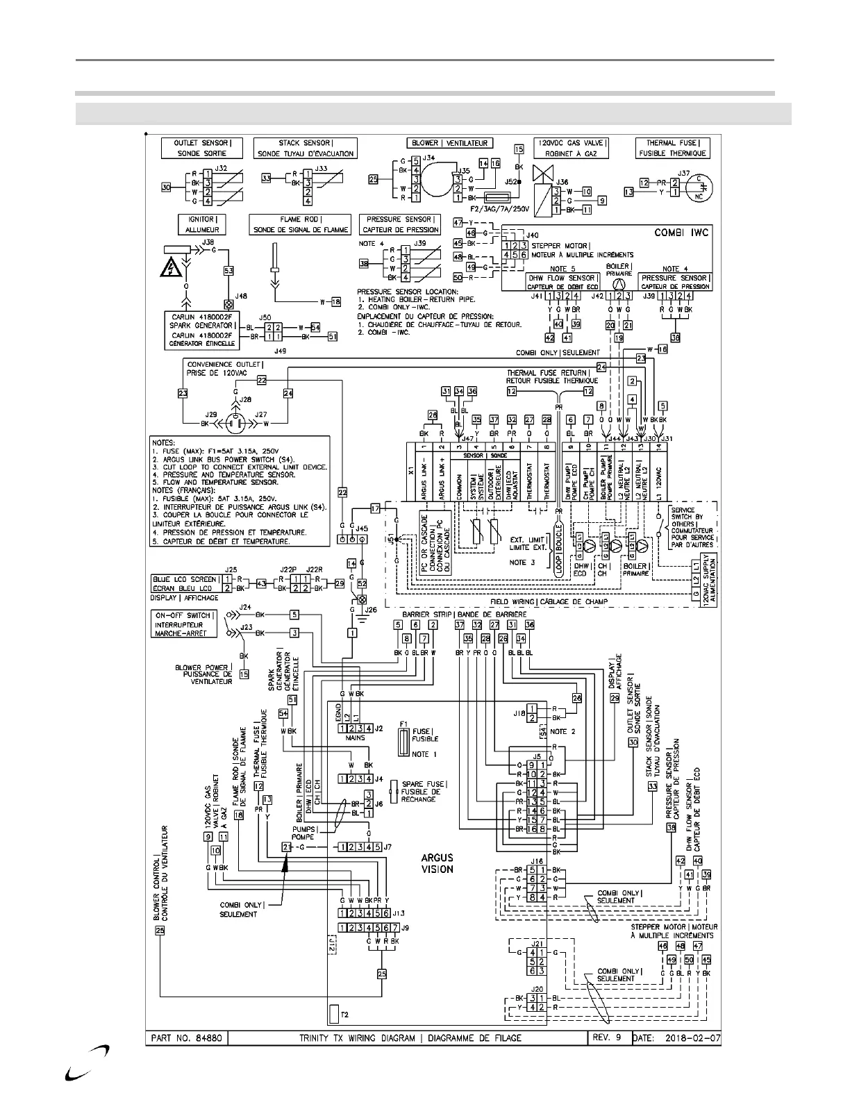
14.0 WIRING SCHEMATICS
Figure 14-1 Tx Connection Diagram

Related product manuals