EasyManua.ls Logo

NTI Trinity TX81 - Wiring Schematics

Default Icon
84 pages
Print Icon
To Next Page IconTo Next Page
To Next Page IconTo Next Page
To Previous Page IconTo Previous Page
To Previous Page IconTo Previous Page
Loading...
Wiring Schematics Tx I&O Manual
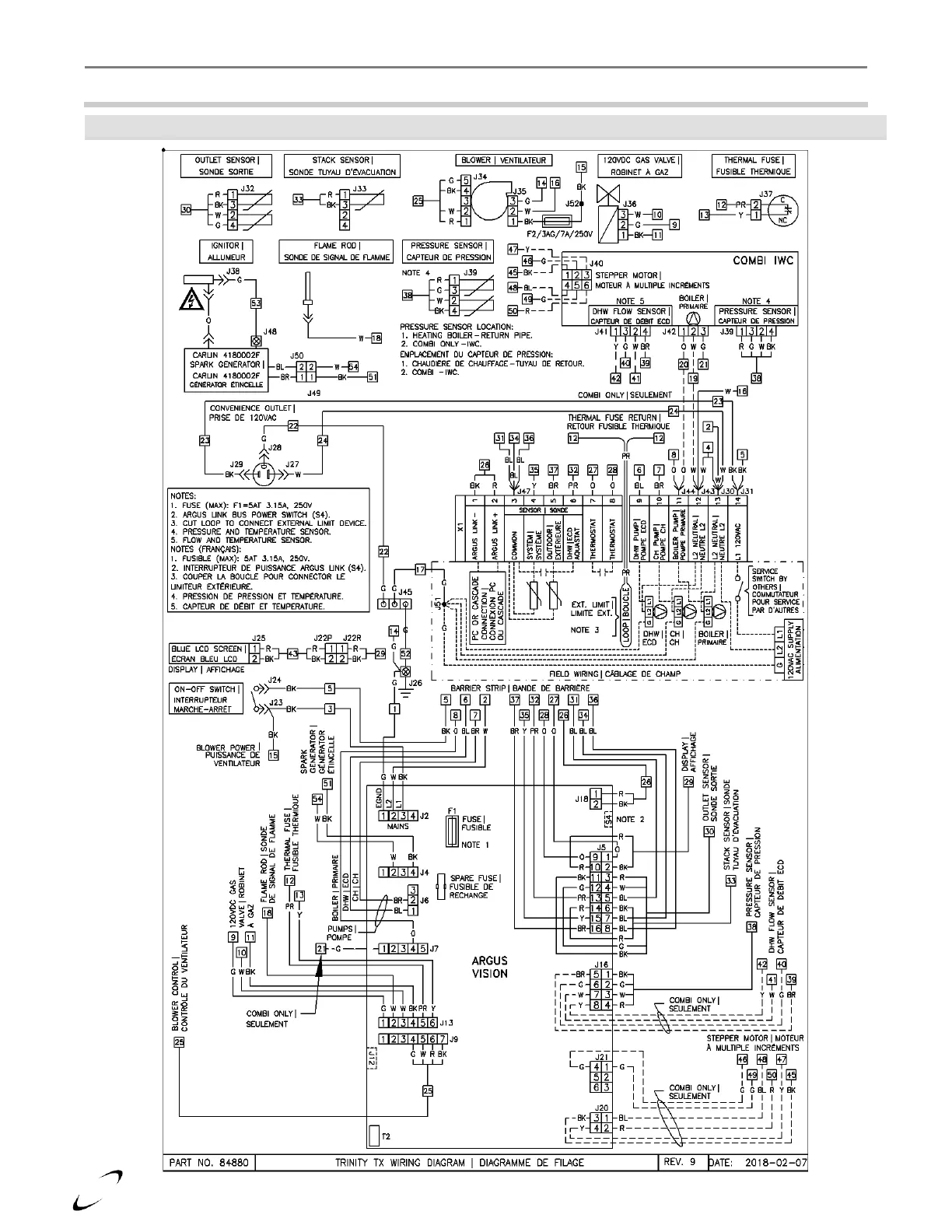
14.0 WIRING SCHEMATICS
Figure 14-1 Tx Connection Diagram

Other manuals for NTI Trinity TX81

Related product manuals