EasyManua.ls Logo

NTI TRX110C - Page 31

Default Icon
132 pages
Print Icon
To Next Page IconTo Next Page
To Next Page IconTo Next Page
To Previous Page IconTo Previous Page
To Previous Page IconTo Previous Page
Loading...
31
TRX Series II - Installation - Startup - Maintenance Instructions
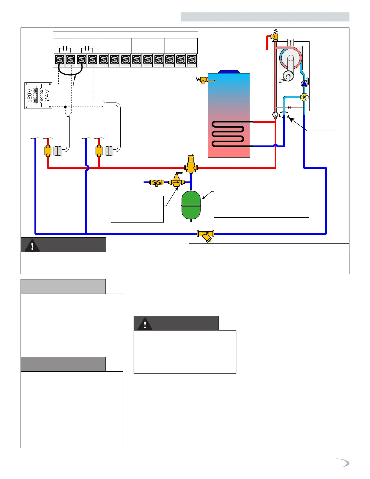
ZONE
#1
ZONE
#2
M
INDIRECT FIRED
WATER HEATER
ZONE 1 ZONE 2
CH PUMP
N LG
DHW PUMP
N LG
120VAC INPUT
N LG
LINE VOLTAGE JUNCTION BOX
JUMPER
TRANSFORMER
MAKE-UP
WATER
INCREASE FILL
PRESSURE TO 20PSI
WHEN PIPING
DIRECT TO ZONES
IMPORTANT:
EXPANSION TANK MUST BE ON THE
SUPPLY SIDE IN APPLICATIONS
PIPED DIRECT TO ZONES
CAP WHEN
NOT IN USE
The piping will not support the weight
of the circulators. Refer to the circulator
manufacturer’s instructions to properly
support the circulator. Failure to comply with
these instructions could result in property
damage, severe personal injury, or death.
On
TRX085 / TRX120
Models Only.
If the boiler’s DHW connection is not
used, cap the fitting as indicated above.
A
cap is included with the boiler.
Further,
set parameter 2.10.8 (CH forced diverter
position) = 1 from the DHW Setup ->
Advanced Menu, to lock the 3-way valve
in the central heating position. Failure to
lock the valve in the central heating position
may prevent the boiler from delivering heat,
which could result in property damage.
WARNING
CAUTION
NOTICE
NOTE: In piping applications utilizing a single
zone, it is recommended that the installer
use flow / check valves with weighted seats
at or near the appliance to prevent gravity
circulation.
NOTES:
1. This drawing is meant to show system
piping concept only. Installer is responsible
for all equipment and detailing required by
local codes.
2. The minimum pipe size of DHW piping
should be ¾” diameter and CH piping
should be 1” in diameter.
3. Circulators are shown with isolation flanges.
The alternative is standard flanges with full
port ball valves. Purge valves can be used
with circulator flanges as an alternative.
For direct (not primary / secondary) piping applications, the expansion vessel must be placed on the supply side of the boiler as illustrated. Placement
of flow resticting devices, such as check valves, is prohibited between the boiler return and the expansion vessel. Failure to place the expansion vessel as
instructed, may result in the release of the pressure relief valve, property damage, severe personal injury, or death.
WARNING
Part 4 - Water Piping
Figure 24 - TRX085 / TRX120 without Central Heating Circulator
4. Install a minimum of 12 diameters of
straight pipe upstream of all circulators.
5. VERY IMPORTANT – Minimum flow rates
outlined in this manual (2 gpm) must be
maintained through the heat exchanger to
minimize short cycling.
6. In a valve-based system, each heating zone
has a zone valve which opens when that
zone calls for heat. Each zone thermostat
is wired to its corresponding zone valve.
Contacts in the zone valves provide a signal
to the boiler to operate when there is a call
for heat.
7. Unit is equipped with built-in primary
pump for the heating loop. This pump is
sized to ensure proper flow rate through
the boiler heat exchanger and related
piping.
8. IWH Applications - a mixing valve is
recommended if the DHW temperature is
set above the factory setting of 119°F.
9. In direct (not primary / secondary) piping
applications, it is required to increase fill
pressure to 20 psi to ensure proper system
operation.
Figure illustrates the basic plumbing
requirements for a TRX085 / TRX120 boiler
installation without an external Central
Heating circulator; the boilers internal
circulator delivers flow to the heating system.
Application is limited to zone valve (or non-
circulator) distribution systems with small
flow requirements (e.g. systems requiring no
more than 5 gpm at 9 ft. of head pressure)

Other manuals for NTI TRX110C

Related product manuals