EasyManua.ls Logo

NTI TRX150 - Page 26

NTI TRX150
100 pages
Print Icon
To Next Page IconTo Next Page
To Next Page IconTo Next Page
To Previous Page IconTo Previous Page
To Previous Page IconTo Previous Page
Loading...
26
Part 1 - General Safety Information
Part 4 - Water Piping
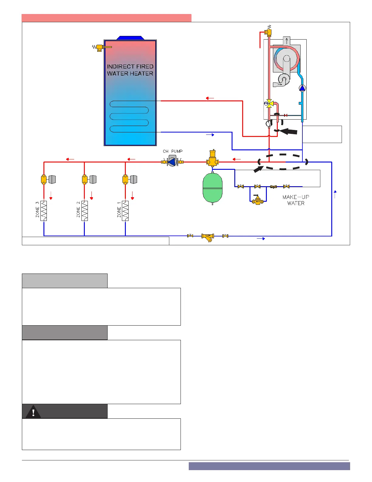
NOTE: In piping applications utilizing a single zone, it is recommended
that the installer use ow / check valves with weighted seats at or near
the appliance to prevent gravity circulation.
Cap this tting
when not in use
Primary/Secondary Piping Shown - See
Note 2
NOTES:
1. This drawing is meant to show system piping concept only.
Installer is responsible for all equipment and detailing required by
local codes.
2. Primary / Secondary Loop: All closely spaced tees shall be within 4
pipe diameters center to center spacing.
3. A minimum of 6 pipe diameters of straight pipe shall be installed
upstream and downstream of all closely spaced tees.
4. The minimum pipe size of DHW piping should be ¾” diameter and
CH piping should be 1” in diameter.
5. Circulators are shown with isolation anges. The alternative is
standard anges with full port ball valves. Purge valves can be used
with circulator anges as an alternative.
6. Piping shown is Primary/Secondary.
7. Install a minimum of 12 diameters of straight pipe upstream of all
circulators.
8. VERY IMPORTANT – Minimum ow rates outlined in this manual
(2 gpm) must be maintained through the heat exchanger to
minimize short cycling.
9. In a valve-based system, each heating zone has a zone valve which
opens when that zone calls for heat. Each zone thermostat is
wired to its corresponding zone valve. Contacts in the zone valves
provide a signal to the boiler to operate when there is a call for
heat.
10. Unit is equipped with built-in primary pump. This pump is sized
to ensure proper ow rate through the boiler heat exchanger and
related piping.
11. IWH Applications - a mixing valve is recommended if the DHW
temperature is set above 119
o
F.
The piping will not support the weight of the circulators. Refer to
the circulator manufacturer’s instructions to properly support the
circulator. Failure to comply with these instructions could result in
property damage, severe personal injury, or death.
Figure illustrates the basic plumbing requirements for a TRX150 /
TRX199 boiler installation utilizing Primary/Secondary piping when
the boiler circulator will not provide adequate ow for the system.
Primary / Secondary is required to provide adequate ow for the
secondary circuits.
On TRX150 / TRX199 Models Only.
If the boiler is to be used only in Heating Mode (not connected to
an indirect water heater), cap the tting as indicated in the gure
above.
A cap is included with the boiler.
The electrical connection of
the 3-way valve motor MUST BE DISCONNECTED while the boiler is
operating in central heating mode. This will lock the valve motor in
central heating mode and ensure freeze protection operates properly.
Failure to disconnect the valve may disable boiler freeze protection
and result in property damage.
WARNING
CAUTION
NOTICE
Figure 13 - Boiler with Single Central Heating Circulator

Table of Contents

Other manuals for NTI TRX150

Related product manuals