EasyManua.ls Logo

Nussbaum 2.30 SPL - Electrical Diagram Drawing

Nussbaum 2.30 SPL
42 pages
Print Icon
To Next Page IconTo Next Page
To Next Page IconTo Next Page
To Previous Page IconTo Previous Page
To Previous Page IconTo Previous Page
Loading...
Operating Instruction and Documentation
2.30 SPL
- 12 -
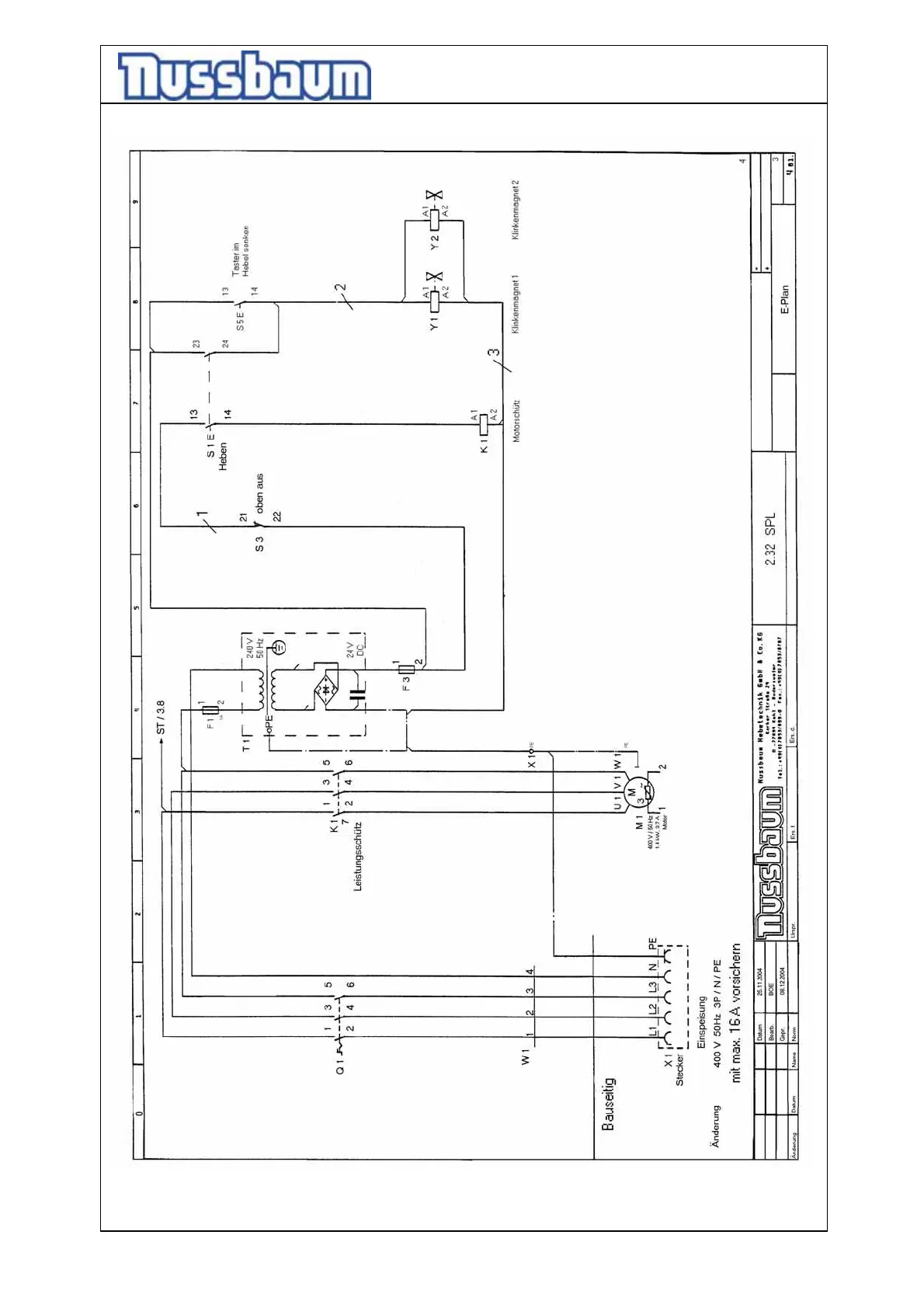
3.4 Electrical diagram drawing

Related product manuals