EasyManua.ls Logo

NUVE NF 200 - SECTION 9 TROUBLESHOOTING

NUVE NF 200
17 pages
Print Icon
To Next Page IconTo Next Page
To Next Page IconTo Next Page
To Previous Page IconTo Previous Page
To Previous Page IconTo Previous Page
Loading...
15
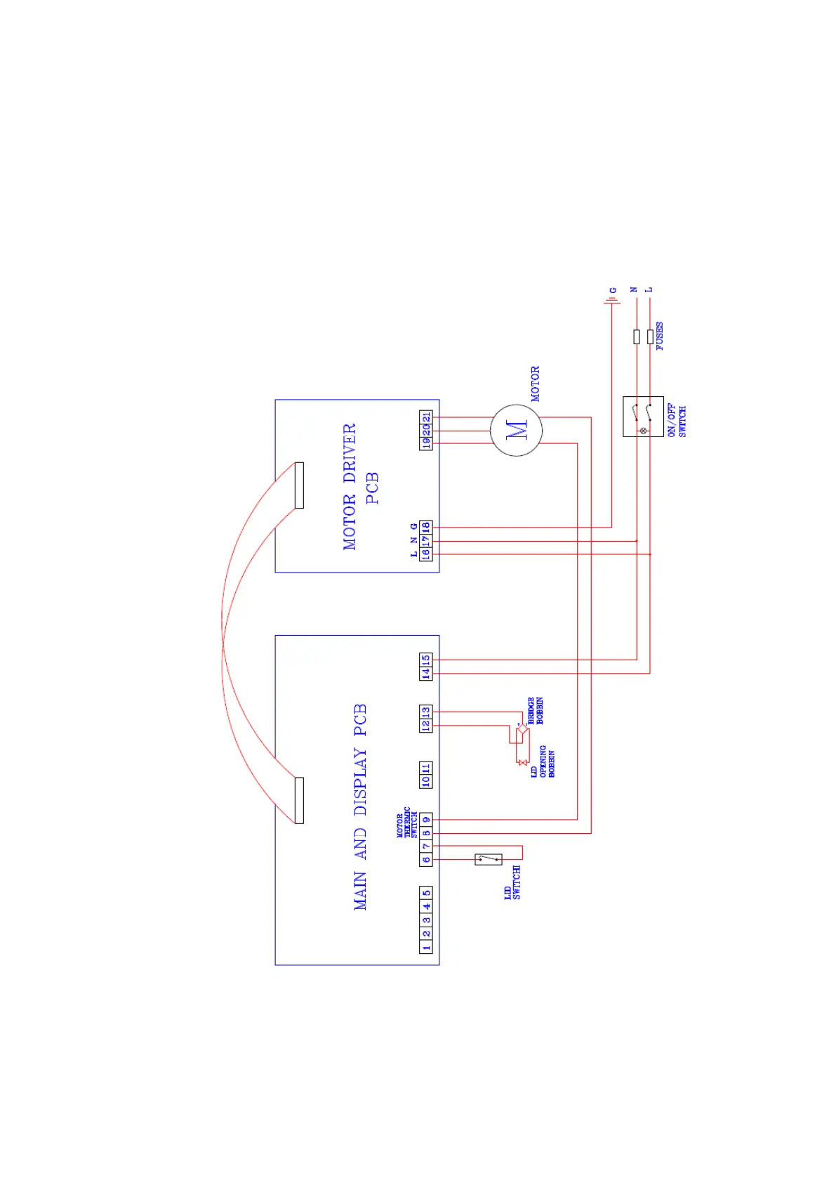
SECTION 10
ELECTRICAL CIRCUIT DIAGRAM

Related product manuals