EasyManua.ls Logo

Omron D4NL - Application Examples

Omron D4NL
18 pages
Print Icon
To Next Page IconTo Next Page
To Next Page IconTo Next Page
To Previous Page IconTo Previous Page
To Previous Page IconTo Previous Page
Loading...
G-163D4NL
D4NL
Application Examples
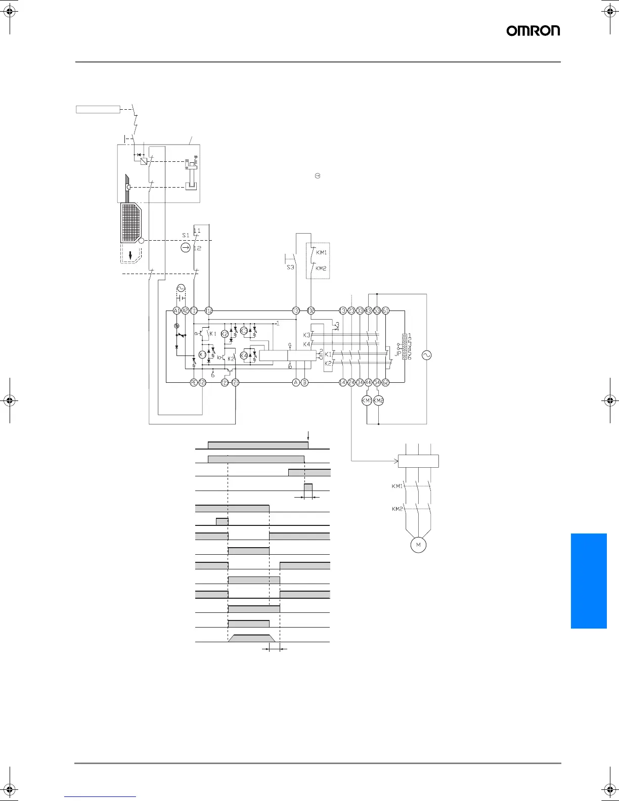
G9SA-321-T@ (24 VAC/VDC) + D4NL-@@@A-@, @@@B-@, @@@C-@
(Mechanical Lock Type) + D4D-@520N Circuit Diagram
OPEN
S4
KM1
KM2
Lock release signal
S2
Operation
instruction
Motor controller
Off delay
timer
Control
circuit
Timing Chart
Motor rotation
OFF-delay time
S1: Safety Limit Switch
with direct opening mechanism
(D4N)
S2: Guard Lock Safety-door Switch
S3: Reset switch
S4: Lock release switch
KM1 and KM2: Magnetic Contactor
M: 3-phase motor
Limit switch S1
Reset switch
S3
K1 and K2
(NC)
K1 and K2
(NO)
K3 and K4
(NC)
K3 and K4
(NO)
KM1 and KM2
(NC)
KM1 and KM2
(NO)
Operation
instruction
Lock release
signal
Lock release
switch S4
Stop signal
Guard opens
Guard can be opened
Stop signal
11
12
41
42
Feedback loop
Guard Lock
Safety-door
Switch S2
TH
SA
F502-EN2-04.book Seite 163 Dienstag, 26. Juli 2005 5:48 17

Related product manuals