EasyManua.ls Logo

Omron E5 Z Series - Peripheral Devices

Omron E5 Z Series
56 pages
Print Icon
To Next Page IconTo Next Page
To Next Page IconTo Next Page
To Previous Page IconTo Previous Page
To Previous Page IconTo Previous Page
Loading...
28 Digital Temperature Controllers E5AZ/E5EZ/E5CZ
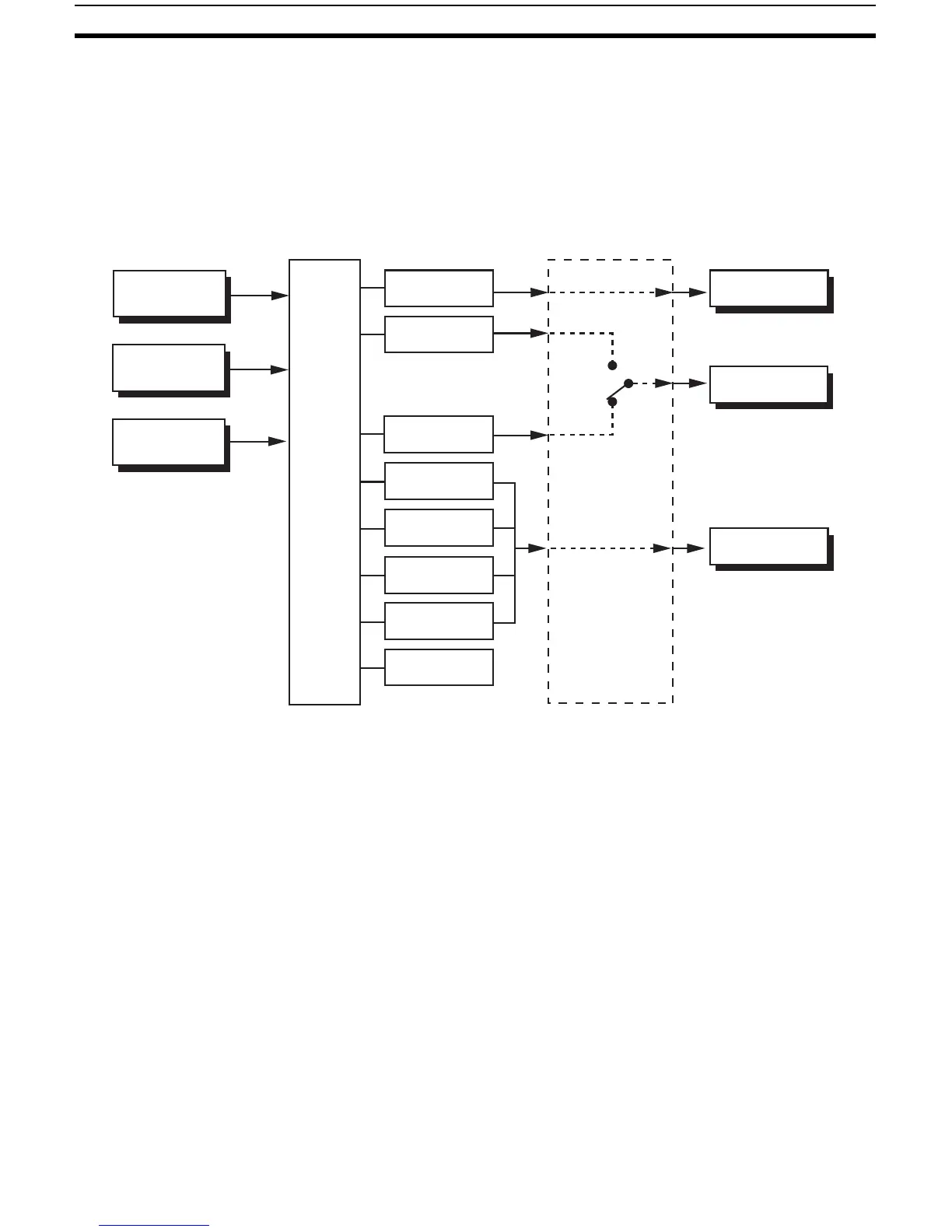
Peripheral Devices
Temperature Sensor / SSR
Connection Example with SSR
PV
SV
ALM1
ALM2
ALM3
HB
OUT1
OUT2
STOP
CMW
E5AZ
PV
SV
ALM1
ALM2 ALM3
HB
OUT1 OUT2
STOP CMW
E5EZ
PV
SV
ALM1
ALM2
OUT1
OUT2
STOP
E5CZ
Temperature Controller
Load
Heater
Load power
Direct connection possible
E5EZ
E52
ES1B
E5CZ
E5AZ
For controlling high-power heater
G3NH: 440 VAC (75 A, 150 A)
Standard models with screw terminals
G3NE: 240 VAC (5 A, 10 A, 20 A)
3 units
5 units
(E5AZ/
E5EZ)
G3PB (Single-phase): 240 VAC
(15 A, 25 A, 35 A, 45 A)
Rated input voltage:
12 to 24 VDC
2 units
4 units
(E5AZ/
E5EZ)
3 units
5 units
(E5AZ/
E5EZ)
Compact and slim models with a
built-in radiator
G3PB (Three-phase): 240 VAC/400 VAC
(15 A, 25 A, 35 A, 45 A)
Rated input voltage:
12 to 24 VDC
Simultaneous three-phase control with
a built-in radiator
G3PA: 240 VAC (10 A, 20 A, 40 A)
400 VAC (20 A, 30 A)
Rated input voltage:
5 to 24 VDC
Compact and slim models with a
built-in radiator
3 units
5 units
(E5AZ/
E5EZ)
4 units
for
480-VAC
models
1 unit
2 units
(E5AZ/
E5EZ)
G3NA: 240 VAC (5 A, 10 A, 20 A, 40 A)
480 VAC (10 A, 20 A, 40 A)
Rated input voltage:
5 to 24 VDC
Rated input voltage:
12 VDC
Compact and low-cost models
with tab terminals
4 units
8 units
(E5AZ/
E5EZ)
Rated input voltage:
5 to 24 VDC
Voltage output
terminal
(for driving SSR)
Number of Connectable SSRs
Note: 480 VAC models: 4 units
A: G3PB
(Single-
phase)
G3PA
B: G3PB
(Three-
phase)
C: G3NA
(See note.)
D: G3NE E: G3NH
E5AZ/EZ 5 units 4 units 5 units 2 units 4 units
E5CZ 3 units 2 units 3 units 1 unit 8 units

Related product manuals