EasyManua.ls Logo

Omron F3SG-SR/PG - Page 14

Omron F3SG-SR/PG
75 pages
Print Icon
To Next Page IconTo Next Page
To Next Page IconTo Next Page
To Previous Page IconTo Previous Page
To Previous Page IconTo Previous Page
Loading...
F3SG-SR/PG
14
Ordering Information
Muting Sensor Connection Box
* When the accessory is used, protect it from cutting oil.
Note: 1. Select the same output type for both the safety light curtain/safety multi-light beam (PNP/NPN selection by wiring) and muting sensor
(PNP or NPN model).
2. For details of the XS3W and XS5W, refer to your local OMRON website.
3. Use the F39-JG
B-D Extended Plug-Socket Cable to connect the muting sensor connection box with the Intelligent Tap.
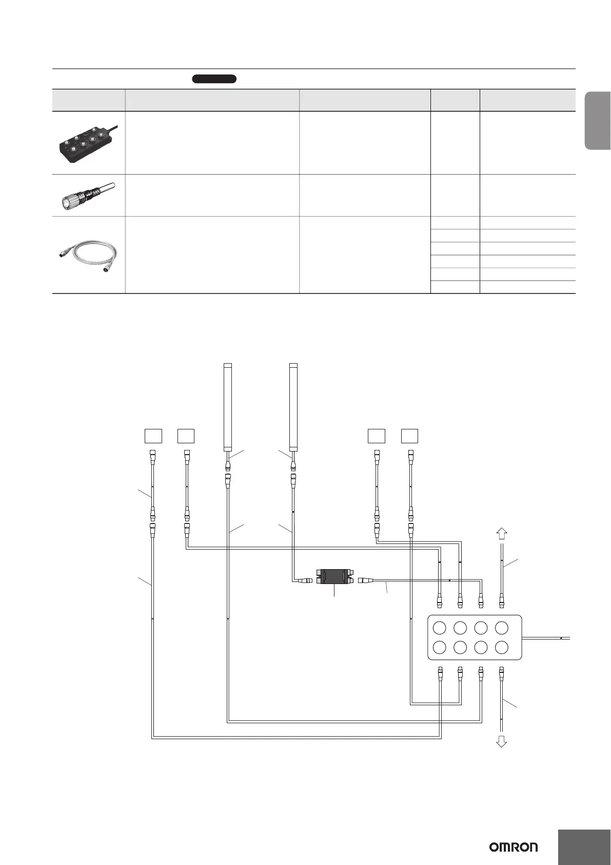
The connection example for optical synchronization is shown below.
Appearance Application Specifications
Cable
Length
Model
Speeds up wiring muting sensors.
PNP/NPN selection
Main Unit: M12 socket (5 pin) ×7,
M12 socket (8 pin) ×1
Cable: M12 plug (8 pin) ×1
IP67* rated when mated.
0.5 m F39-GCN5
Cable to connect the E3Z Muting Sensor and
F39-GCN5 Muting Sensor Connection Box.
Connectors connected to cable,
M8 socket and M12 plug on cable
ends (4 pin)
0.2 m XS3W-M42C-4C2-A
Used together with the XS3W-M42C-4C2-A to
extend the cable length between the E2Z
Muting Sensor and muting sensor connection
box to more than 0.2 m.
Connectors connected to cable,
M12 socket and M12 plug on cable
ends (4 pin)
1 m XS5W-D421-C81-F
2 m XS5W-D421-D81-F
3 m XS5W-D421-E81-F
5 m XS5W-D421-G81-F
10 m XS5W-D421-J81-F
20 m XS5W-D421-L81-F
Available soon
Emitter Receiver
Root-Plug Cable
for Extended
F39-JGR3K-L
(Gray)
F39-JGR3K-D
(Black)
Extended
Plug-Socket Cable
F39-JG@B-L
(Gray)
F39-JG@B-D
(Black)
XS3W-M42C-4C2-A
XS5W-D421-@81-F
AUX
RESET
CN4
CN1
CN3
CN2
Intelligent Tap
F39-SGIT-IL3
A1 B1 B2 A2
Muting sensors
E3Z
(Retro-reflective)
Muting sensors
E3Z
(Retro-reflective)
F39-JG@B-D
(Black)
XS5H-D421-@80-F
XS5H-D521-@G0-A
8246
7135
<Connection example>

Related product manuals