EasyManua.ls Logo

Omron G9SA-321-T075 - G9 SA-TH301 (24 VDC) with 2-Hand Inputs;Auto-Reset

Omron G9SA-321-T075
32 pages
To Next Page IconTo Next Page
To Next Page IconTo Next Page
To Previous Page IconTo Previous Page
To Previous Page IconTo Previous Page
Loading...
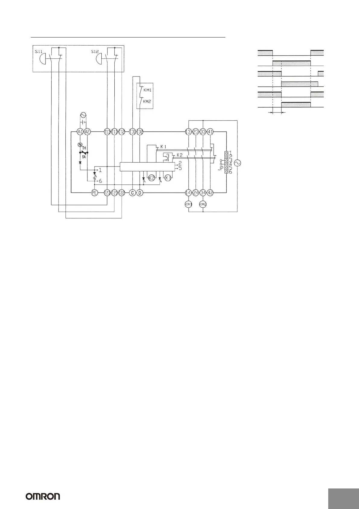
G9SA
G9SA-TH301 (24 VDC) with 2-hand Inputs/Auto-reset
Feedback loop
S11 (NC)
S11 (NO)
Timing Chart
S12 (NC)
S12 (NO)
0.5 s max.
Control circuit
KM1 and KM2
(NC)
KM1 and KM2
(NO)
Input time difference operates only
when the difference is 0.5 s max.
S11, S12: Two-hand pushbutton switches
KM1 and KM2: Magnetic Contactor
Note: 1. Use a 1NC+1NO switch for S11
and S12.
2. This circuit achieves EN954-1
Safety Category 4.
(See note 1.)
http://www.ia.omron.com/
9
(c)Copyright OMRON Corporation 2007 All Rights Reserved.
Artisan Technology Group - Quality Instrumentation ... Guaranteed | (888) 88-SOURCE | www.artisantg.com

Table of Contents

Related product manuals