EasyManua.ls Logo

Omron R88D-KTA5L - Page 35

Omron R88D-KTA5L
634 pages
To Next Page IconTo Next Page
To Next Page IconTo Next Page
To Previous Page IconTo Previous Page
To Previous Page IconTo Previous Page
Loading...
1-10
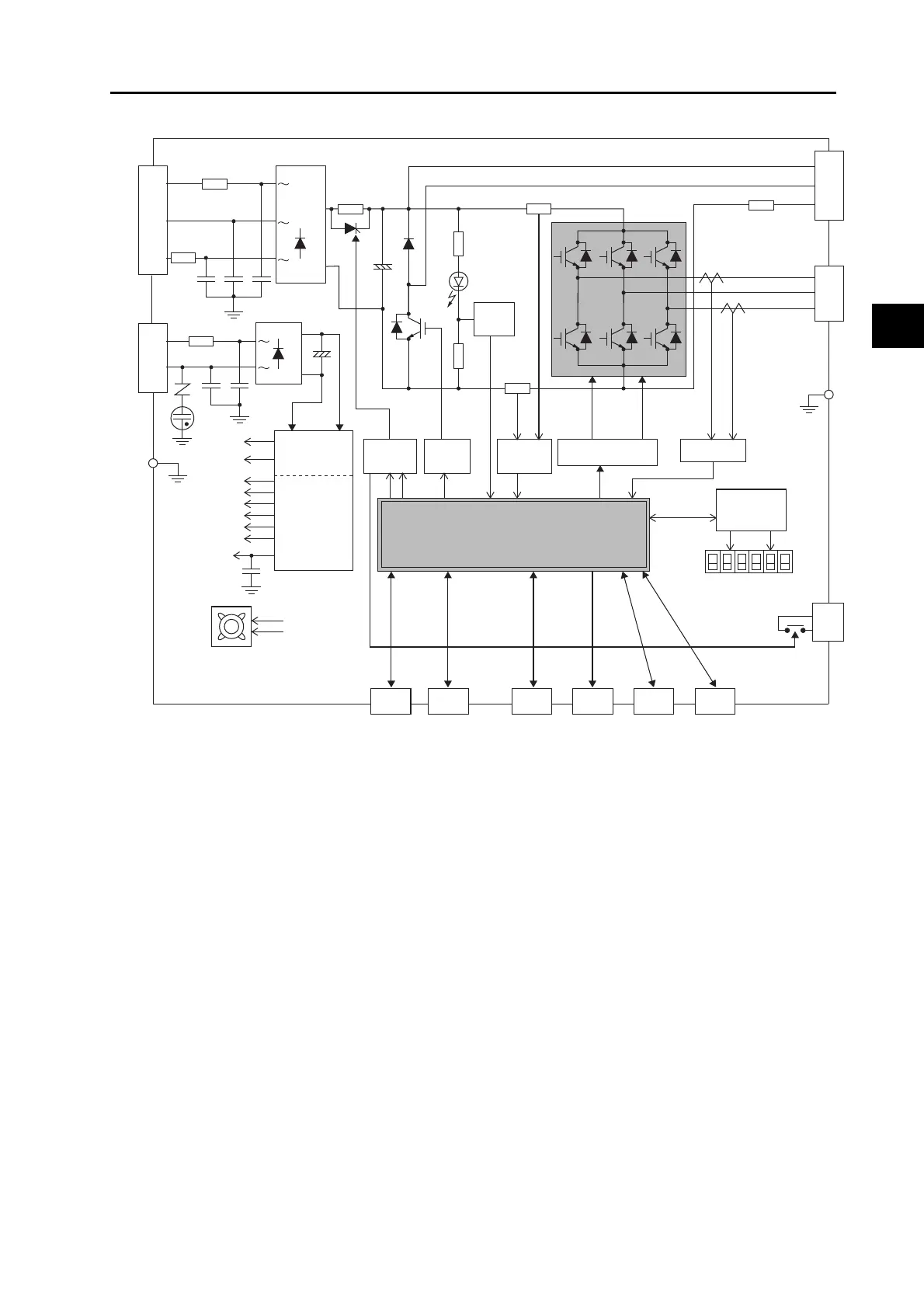
1-4 System Block Diagrams
1
OMNUC G5-SERIES AC SERVOMOTOR AND SERVO DRIVE USER'S MANUAL
Features and System Configuration
R88D-KT150H
FG
L2C
L1C
L3
L2
L1
FUSE
FUSE
FUSE
15 V
G1
5 V
2.5 V
1.5 V
E5 V
G2
3.3 V
FG
CN2 CN4 CN5 CN7
B1
B2
N
U
V
W
CN8 CN1
DB1
DB2
Display and
setting circuit
area
Gate drive
SW power
supply main
circuit control
Internal
control power
supply
+
-
+
-
±12 V
Overcurrent
detection
Current detection
Voltage
detection
Regeneration
control
Relay
drive
Control
interface
MPU & ASIC
Position, speed, and torque calculation control area
• PWM control
Encoder
External
encoder
Analog
monitor
USB
Safety
Axial-flow fan
×
4
Fuse
TB2
TB2
TB1
TB2
TB1

Table of Contents

Related product manuals