EasyManua.ls Logo

Omron R88D-WT - Page 265

Omron R88D-WT
477 pages
Print Icon
To Next Page IconTo Next Page
To Next Page IconTo Next Page
To Previous Page IconTo Previous Page
To Previous Page IconTo Previous Page
Loading...
4-5
D Checking Parameter Unit Connections
The Parameter Unit (R88A-PR02W) must be securely connected to the CN3 connector.
H Turning ON Power
First carry out the preliminary checks, and then turn ON the control-circuit power supply. It makes no
difference whether or not the main-circuit power supply is also turned ON.
The ALM output will take approximately 2 seconds to turn ON after the power has been turned ON.
Do not attempt to detect an alarm using the Host Controller during this time (when power is being
supplied with the Host Controller connected).
H Checking Displays
When the power is turned ON, one of the codes shown below will be displayed at either the indicators
or the Parameter Unit.
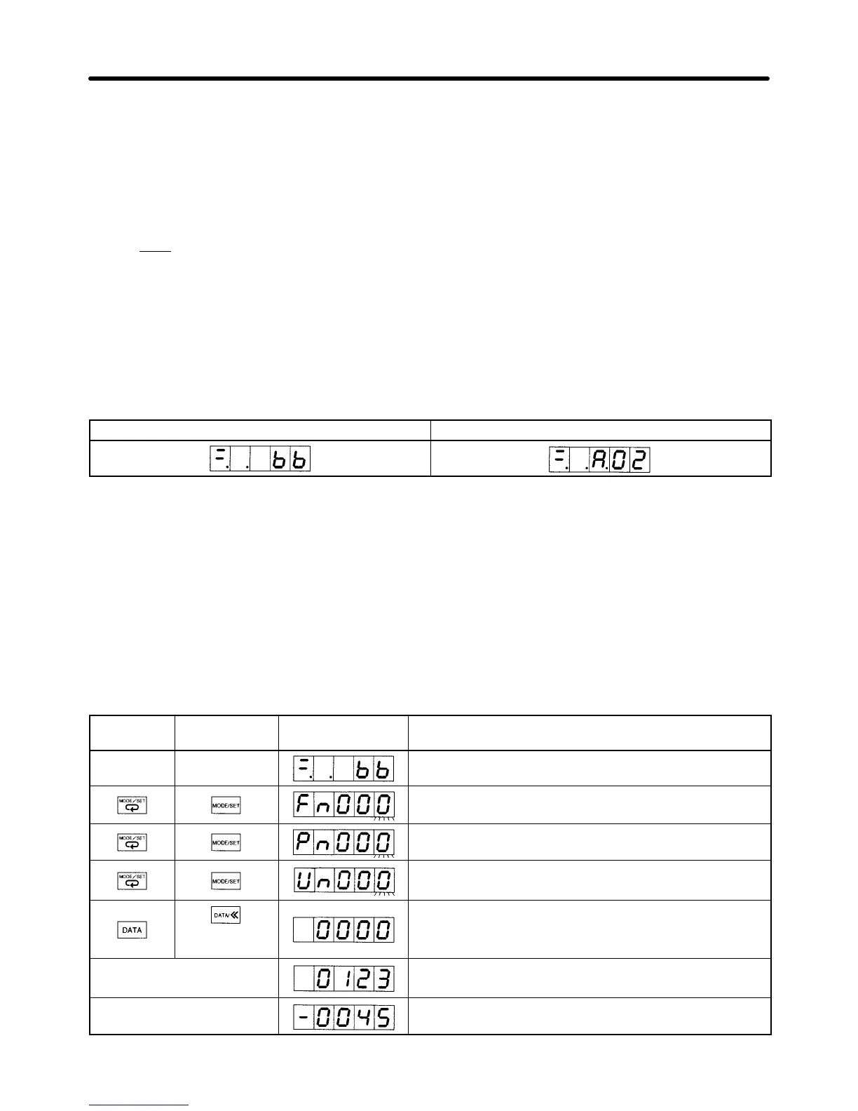
Normal (Base Block) Error (Alarm Display)
Note 1. “bb” (baseblock) means that the Servomotor is not receiving power.
Note 2. The alarm code (the number shown in the alarm display) changes depending on the contents
of the error.
Note 3. When using a Servomotor with an absolute encoder for the first time, A.81 (backup error) will
be displayed. Clear this error by setting up the absolute encoder. (Refer to 4-2-2 Absolute
Encoder Setup and Battery Changes).
If the display is normal (i.e., no errors), manually turn the Servomotor shaft forward and reverse, and
check to be sure that it agrees with the positive and negative on the speed display. Display the speed
feedback in Monitor Mode using the setting switches on the front panel, or the Parameter Unit, and
turn the Servomotor shaft forward and reverse.
PR02W
operation
Front panel
key operation
Display example Explanation
(Baseblock display)
Press the MODE/SET Key to change to System Check
Mode.
Press the MODE/SET Key once again to change to
Setting Mode.
Press the MODE/SET Key once again to change to
Monitor Mode.
(Press and hold
for 1 s min.)
Press the DATA Key to display the Servomotor speed
(r/min). Un000 is the speed feedback monitor number.
(See note 1.)
Rotate the Servomotor shaft
forwards by hand.
Rotate the Servomotor shaft forward to check that the
load is displayed. (Refer to the diagram below.)
Rotate the Servomotor shaft
in reverse by hand.
Rotate the Servomotor shaft in reverse to check that the
load is displayed. (Refer to the diagram below.)
Operation Chapter 4

Table of Contents

Related product manuals