EasyManua.ls Logo

Omron S8VS-24024A -F Series - Page 10

Omron S8VS-24024A -F Series
38 pages
Print Icon
To Next Page IconTo Next Page
To Next Page IconTo Next Page
To Previous Page IconTo Previous Page
To Previous Page IconTo Previous Page
Loading...
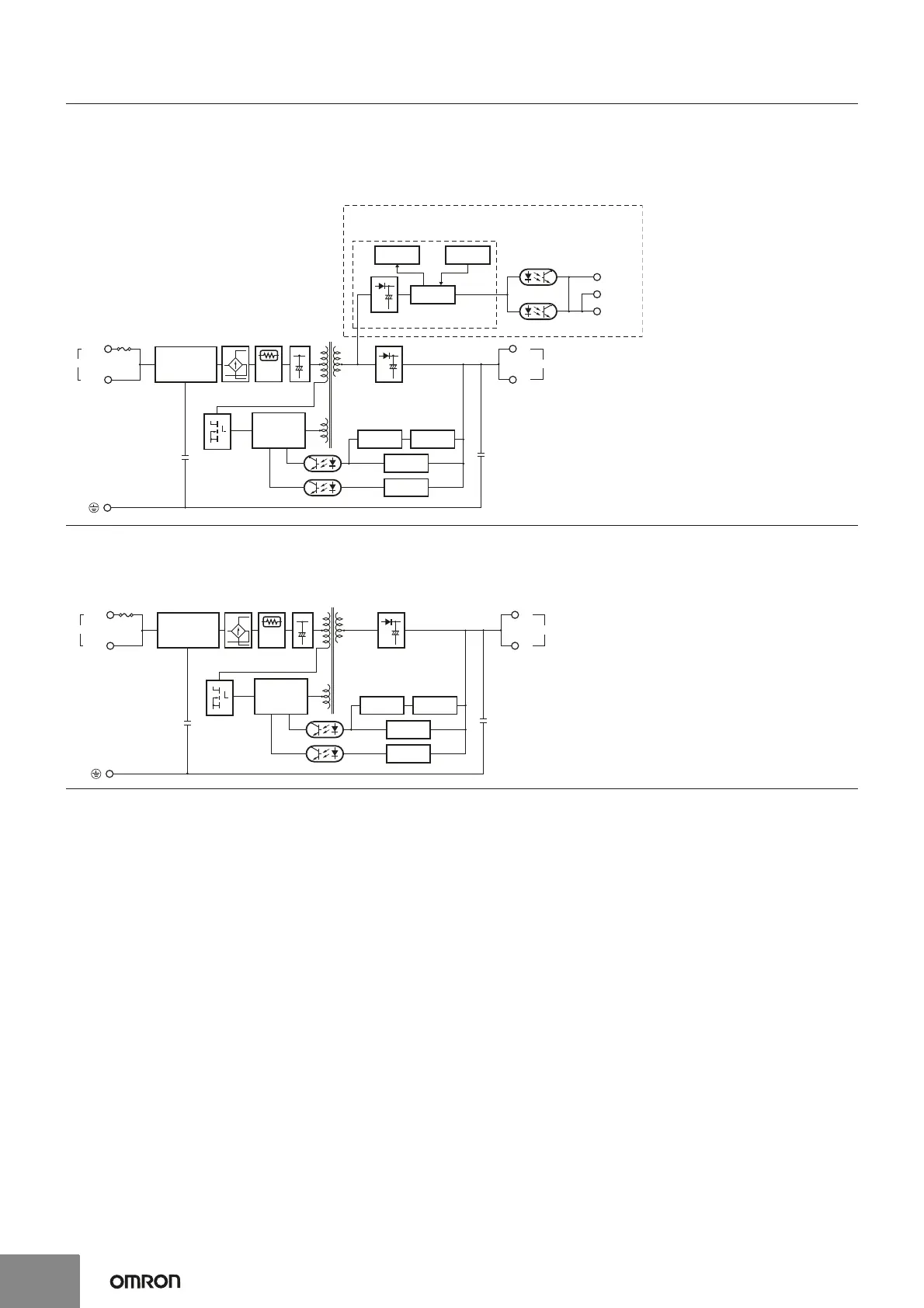
S8VS
10
Photocoupler
Photocoupler
Rectifier/smoothing circuit
Rectifier/smoothing circuit
Noise filter
+V
Yrs/kh
Common
V
DC OUTPUT
Fuse 8.0 A
Display circuit
Switch
AC (L)
INPUT
AC (N)
Sinking type
(S8VS-09024A-@, S8VS-09024B-@,
S8VS-09024AS-@, S8VS-09024BS-@)
Sourcing type
(S8VS-09024AP-@, S8VS-09024BP-@,
S8VS-09024APS-@, S8VS-09024BPS-@)
Type with no alarm output
(S8VS-09024BE-@, S8VS-09024BES-@)
Rectifier
Rectifier/
smoothing
circuit
Inrush current
protection
circuit
Drive control
circuit
Arithmetic
operation circuit
Alarm
DC Low
Voltage
detection circuit
Overcurrent
circuit
Overvoltage
detection circuit
Current detection
circuit
S8VS-09024B@-@ (90 W)
S8VS-09024BE-@ (90 W)
S8VS-09024A@S-@ (90 W)
S8VS-09024B@S-@ (90 W)
S8VS-09024BES-@ (90 W)
S8VS-09024-@ (90 W)
S8VS-09024S-@ (90 W)
DC OUTPUT
I
NPUT
AC (L)
AC (N)
+V
V
Fuse
8.0 A
Rectifier
Voltage
detection circuit
Photocoupler
Rectifier/smoothing circuit
Noise filter
Drive control
circuit
Overcurrent
circuit
Current detection
circuit
Overvoltage
detection circuit
Inrush current
protection
circuit
Smooth-
ing
circuit

Related product manuals