EasyManua.ls Logo

Omron S8VS-24024A -F Series - Alarm Output Connections

Omron S8VS-24024A -F Series
38 pages
To Next Page IconTo Next Page
To Next Page IconTo Next Page
To Previous Page IconTo Previous Page
To Previous Page IconTo Previous Page
Loading...
S8VS
14
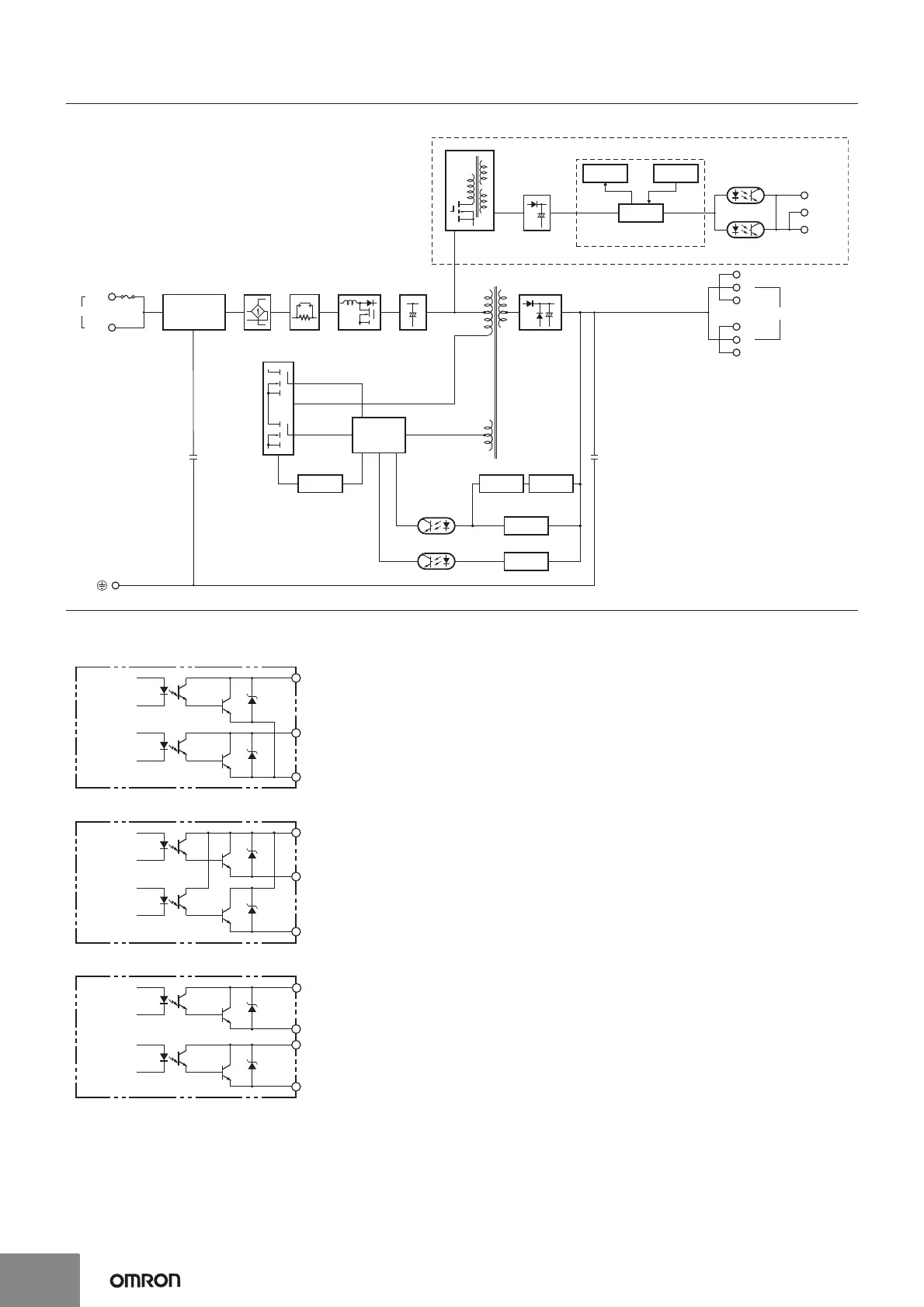
Alarm Output Connections
Drive control
circuit
Rectifier/
smoothing circuit
Harmonic current
suppression
(power factor
improvement)
Smoothing
circuit
Noise filter
Fuse 12A
Inrush current
protection circuit
AC(L)
INPUT
AC(N)
Rectifier
Photocoupler
Rectifier/
smoothing
circuit
Alarm
DC LOW
Yrs/kh
Common
Auxiliary
power
supply circuit
Overcurrent
detection circuit
Photocoupler
Voltage
detection circuit
Overvoltage
detection circuit
Overcurrent
circuit
Current
detection circuit
+V
+V
+V
-V
DC OUTPUT
-V
-V
S8VS-48024A-@, S8VS-48024B-@
Display circuit
Switch
Arithmetic
operation circuit
S8VS-48024A-@ (480 W)
S8VS-48024B-@ (480 W)
90, 120, 180, and 240 W (Sinking type)
11
12
13
Undervoltage
Undervoltage
Maintenance
forecast time or
total run time
Maintenance
forecast time or
total run time
Common
90, 120, 180, and 240 W (Sourcing type)
13
11
12
Common
Undervoltage
Maintenance
forecast time or
total run time
Undervoltage
Maintenance
forecast time or
total run time
480 W
11
12
13
14
Undervoltage
Maintenance
forecast time or
total run time
Undervoltage
Maintenance
forecast time or
total run time

Related product manuals