EasyManua.ls Logo

Omron VARISPEED J7 - Installation; Standard Connections

Omron VARISPEED J7
14 pages
Print Icon
To Next Page IconTo Next Page
To Next Page IconTo Next Page
To Previous Page IconTo Previous Page
To Previous Page IconTo Previous Page
Loading...
358 Frequency inverters
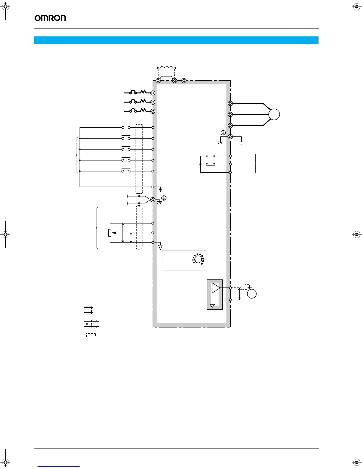
Standard connections
Installation
UX
MCCB
R
S
T
Varispeed J7AZ
2 k
Ω
P
P
AM
AC
0 To 10 VDC (2 mA)
P
FM
+2 +1 -
U/T1
V/T2
W/T3
R/L1
S/L2
T/L3
S1
S2
S3
S4
S5
FS
FR
FC
SC
0 To 10 V (20 k
Ω
) or 4 to 20mA (250
Ω
)
or O to 20 mA (250
Ω
)
0V
MA
MB
MC
IM
indicates twisted pair
shielded wire.
indicates shielded wire.
P
: shows the connection for the following two kinds of sequence input (S1 to S5)
signals: no-voltage contact and NPN transistors (0 V common).
For a PNP transistor (+24 V common), a 24 V external power supply is necessary.
DC reactor (option)
Forward run/stop
Reverse run/stop
External fault
(no contact)
Fault reset
Multi-step speed
reference 1
Multi-
function
input
Frequency
reference
Frequency setter
Frequency meter
adjusting potentiometer
Analog monitor
output
Output frequency
Digital operator
frequency
setting
volume
min
max
Shield connection
terminal
Speed reference
pulse train
(33 kHz max.)
Frequency setting power
supply (+12 V 20 mA)
Speed frequency reference
Running
Grounding
Multi-function
output
250 VAC 1 A or less
30 VDC 1 A or less
Pulse train input
short
bar
Y203-EN2-02-Katalog.book Seite 358 Mittwoch, 24. Mai 2006 2:22 14