EasyManua.ls Logo

Onkyo HT-R510

Onkyo HT-R510
65 pages
To Next Page IconTo Next Page
To Next Page IconTo Next Page
To Previous Page IconTo Previous Page
To Previous Page IconTo Previous Page
Loading...
HT-R510
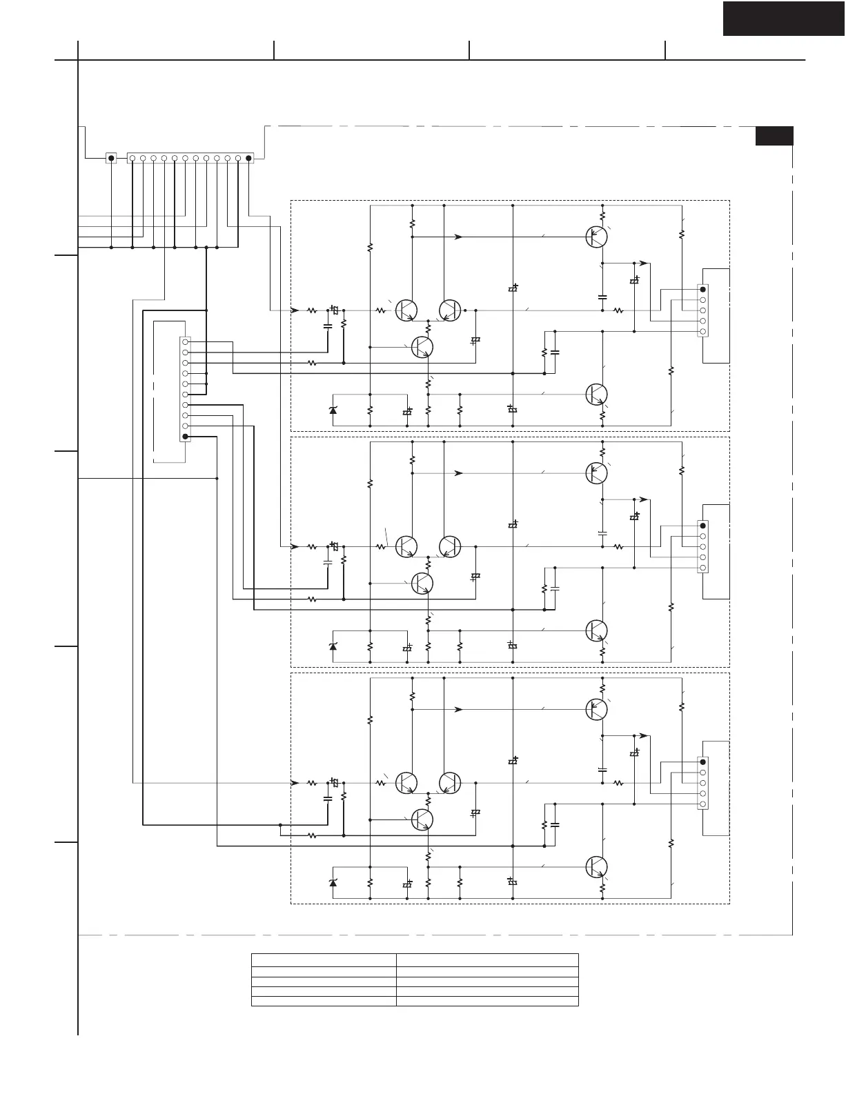
SCHEMATIC DIAGRAM 3-2 Driver circuit section
U9
Q5012Q5002
Q5042
Q5052
Q5011Q5001
Q5041
Q5051
Q5010Q5000
Q5040
Q5050
Q5032
Q5031
Q5030
R5012
56K
R5002
1K
R5022
330
R5062
1.2K
R5162
120
(1/4W)
R5132
18K
R5172
120
(1/4W)
R5032
56K
R5082
3.3K
R5112
1K
R5092
100K
R5052
4.7K
R5072
560
R5102
100K
R5182
10
(1/4W)
R5192
10
(1/4W)
R5042
2.2K
R5011
56K
R5001
1K
R5021
330
R5061
1.2K
R5161
120(1/4W)
R5131
18K
R5171
120
(1/4W)
R5031
56K
R5081
3.3K
R5111
1K
R5091
100K
R5051
4.7K
R5071
560
R5101
100K
R5181
10
(1/4W)
R5191
10
(1/4W)
R5041
2.2K
R5010
56K
R5000
1K
R5020
330
R5060
1.2K
R5160
120
(1/4W)
R5130
18K
R5170
120
(1/4W)
R5030
56K
R5080
3.3K
R5110
1K
R5090
100K
R5050
4.7K
R5070
560
R5100
100K
R5180
10
(1/4W)
R5190
10
(1/4W)
R5040
2.2K
C5012
22/16
C5042
220/16
C5052
47/50
C5112
10/100
C5102
10/63
10/100
C5022
10/50
C5011
22/16
C5041
220/16
C5051
47/50
C5111
10/100
C5101
10/100
C5021
10/50
C5010
22/16
C5040
220/16
C5050
47/50
C5110
10/100
C5100
10/63
10/100
C5020
10/50
C5002
101K
C5082
040D
C5092
101J
C5001
101K
C5081
040D
C5091
101J
C5000
101K
C5080
040D
C5090
101J
P6002A
TO NAAF-7842
(PART-5)
P6001A
TO NAAF-7842
(PART-5)
P6000A
TO NAAF-7842
(PART-5)
C5072
D5002
MTZJ5.6B
D5001
MTZJ5.6B
D5000
MTZJ5.6B
58.0V
-58.0V
56.6V
57.2V
-52.5V
-57.2V
-53.1V
1.1V
-56.6V
0V
-0.1V
-1V
-0.7V
58.0V
-58.0V
56.6V
57.2V
-52.5V
-57.2V
-53.1V
1.1V
-56.6V
0V
-0.1V
-1V
-0.7V
58.0V
-58.0V
56.6V
57.2V
-52.5V
-57.2V
-53.1V
1.1V
-56.6V
0V
-0.1V
-1V
-0.7V
P406A
P306A
TO NADG-7821
(PART-2)
P6011A
TO NAAF-7842
(PART-5)
E
E
SB
E
C
E
SL
E
SR
E
R
E
L
E
E
E
E
E
E
E
E
E
E
TRANSISTORS
CIRCUIT NO.
Q5000-05,5010-15 KTC3200-BL OR 2SC1775A-E,F OR 2SC1845-E
Q5030-35 KTA1024-Y,O OR 2SA949-Y,O
Q5040-45 KTC3206-Y,O OR 2SC2229-Y,O
Q5050-55 KTC3200-BL,GR OR 2SC1775A-E,F OR 2SC1845-E,F
L
R
C
NF
-B1
+B1
B+
B-
NF
-B1
+B1
B+
B-
NF
-B1
+B1
B+
B-
A
1
2
3
4
5
BCD

Other manuals for Onkyo HT-R510

Related product manuals