EasyManua.ls Logo

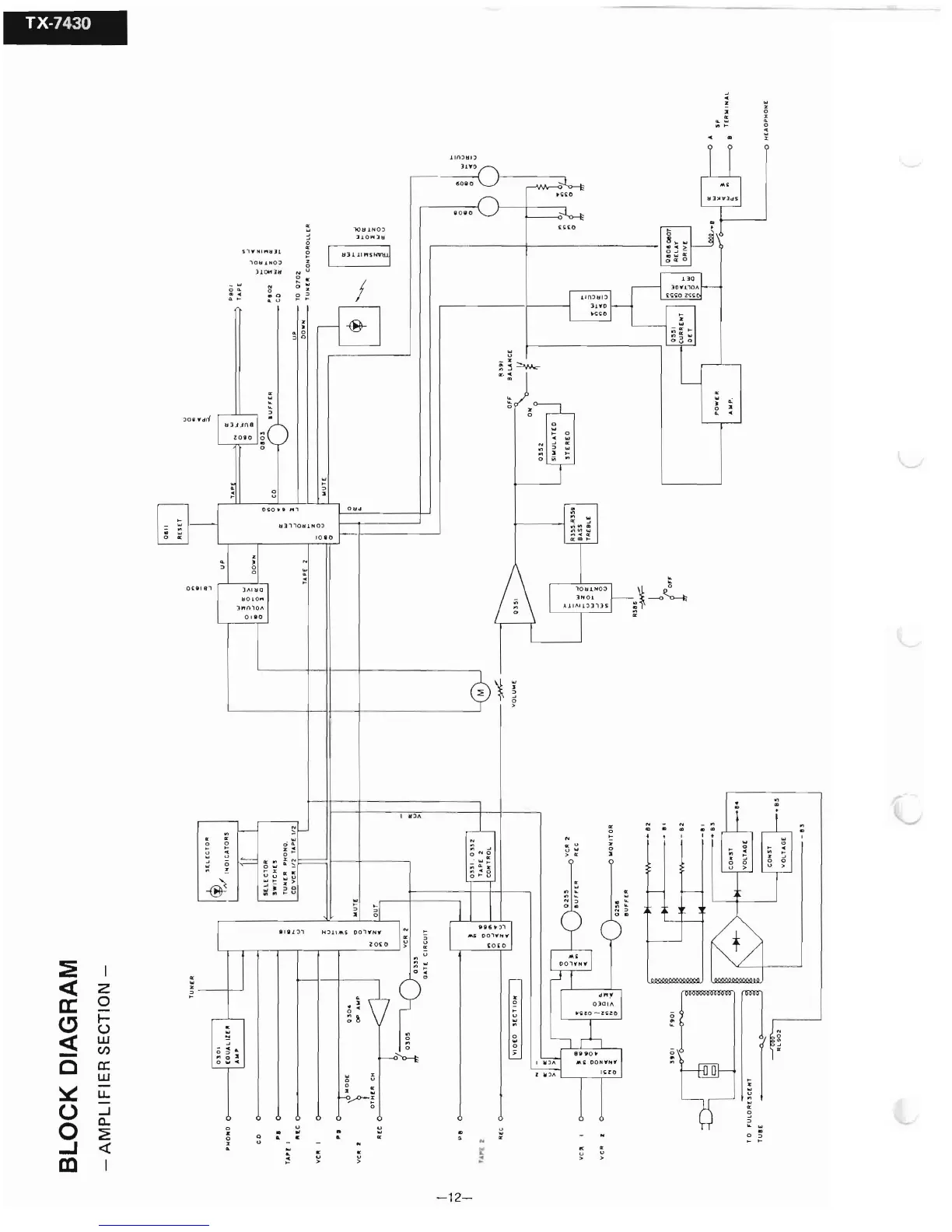
Onkyo TX-7430 - Block Diagram - Amplifier Section

Onkyo TX-7430
34 pages
To Next Page IconTo Next Page
To Next Page IconTo Next Page
To Previous Page IconTo Previous Page
To Previous Page IconTo Previous Page
Loading...
TX·
7430
z
.
o
z
o
z
~
oe:(
a:
Cl
-
oe:(
0
~
U
0
...J
m
I
.
z
Z
0
f-
U
w
CI)
er:
w
-
u..
-
...J
Q.
IOtfJN
O)
]l
Ol"
J l:l
UJ J.U I"I
S:TW)
S l "' NI
"t:lH
l O t:l J NO '
ll
C!t' )1f
1 11' "
0
Q
0
,
2
~
~
«
<C
c
r
u
~
> >
~
I
U
>
>
-12-

Related product manuals