EasyManua.ls Logo

Onkyo TX-RZ830

Onkyo TX-RZ830
192 pages
To Next Page IconTo Next Page
To Next Page IconTo Next Page
To Previous Page IconTo Previous Page
To Previous Page IconTo Previous Page
Loading...
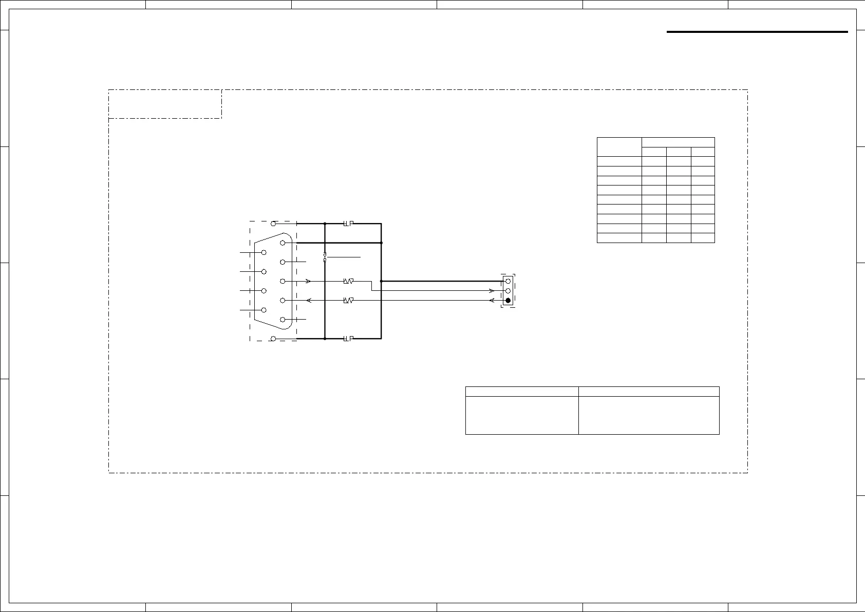
RS232C SECTION
TX-NR787/RZ630/RZ730/RZ830,DRX-3.2/4.2/5.2
1
A
B
C
D
E
2 3 4 5 6
1 2 3 4 5 6
A
B
C
D
E
RS232TXD
RS232RXD
GNDDG
*P2901
MDS-09P-V-01(DSUB9P)
1
2
3
4
6
7
8
9
11
10
5
*P2900A
CHD-1.5-3
1 2 3
*C2901
NM
103K
*C2900
50V
*R2900
330
*R2901
330
J2900
TA WIRE
NM
BATRM-2601
(PART-7)
RS-232C
BAETC-2602
NC
NC
NC
NC
NC
NC
Mount
Destination P2900B,P2901,C2900,R2900,R2901
1L -
1M 1N -
1P 1Q 1R
1T 1W -
DRX-3.2
Model
TX-RZ830
TX-RZ730
DRX-4.2
VSX-LX303
Destination
MD* MM*
TX-NR787
MJJ
TX-RZ630
DRX-5.2
1D - -
1E 1E1F
1G 1H -
1J - -
1K
1D,1E,1F,1G,1H,1J,1K,1L,
1M,1N,1P,1Q,1R,1T,1W,1X,
1Z,1AA
1AA
VSX-LX503
1X 1Z
2009991282UL NSAS-3P2093
1.5mmPitch 100mm PHR-3
P2900:
*P2900A
OR:NSCT-3P874(25051087)
Schematic Diagrams

Other manuals for Onkyo TX-RZ830

Related product manuals