EasyManua.ls Logo

Onkyo TX-RZ830

Onkyo TX-RZ830
192 pages
To Next Page IconTo Next Page
To Next Page IconTo Next Page
To Previous Page IconTo Previous Page
To Previous Page IconTo Previous Page
Loading...
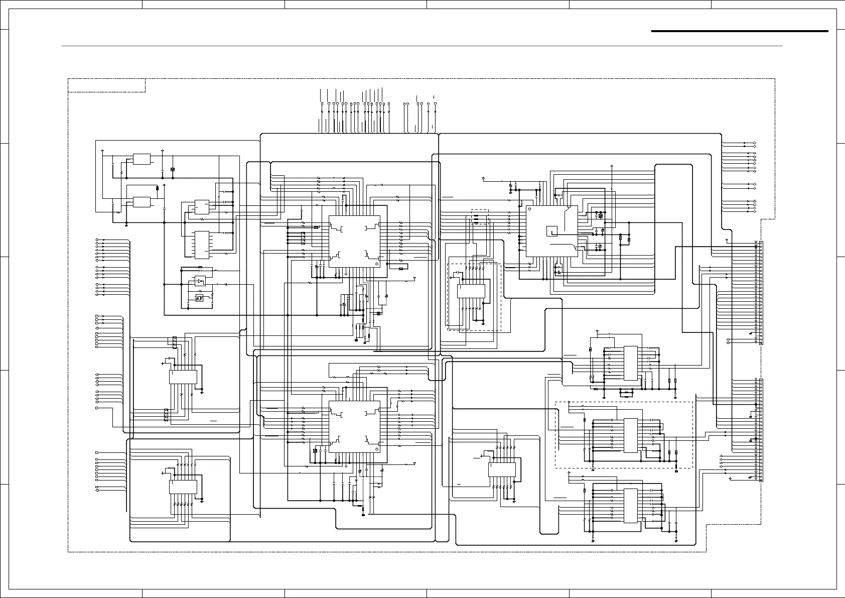
DIR/DAC SECTION
TX-NR787/RZ630/RZ730/RZ830,DRX-3.2/4.2/5.2
1
A
B
C
D
E
2 3 4 5 6
1 2 3 4 5 6
A
B
C
D
E
ADSP2_MCK
OPT1
OPT1
DIG_SDI
DIG_SDO
DIG_CLK
DIR_SD0/DSD0
ADSP2_LsRs
ADSP2_CSW
ADSP2_EX1
ADSP2_MCK
DIR_INT0
eHDMI_SD0
eHDMI_LRCK
eHDMI_BCK
eHDMI_MCK
DAC_CS
DIG_SDO
DIG_CLK
DIR_CS
HM_AM_SD2_DSD2
HM_AM_SD3_DSD3
DACZ2L
DACZ2L
Z2HM_LRCK
Z2HM_SD0
Z2HM_BCK
eHDMI_SPDIF
ARM1_BCK
ARM1_LRCK
ARM1_SD0
DIR2_INT0
DIR2_RST
DIG_CLK
DIG_SDO
DIG_SDI
DIR2_CS
DIR_BCK/DSD_CLK
NET_DATA
NET_BCK
Z2HM_SD0
Z2HM_LRCK
Z2HM_BCK
DIR_LRCK2
DIR_SD0/DSD0
DIR_LRCK
DIR_BCK/DSD_CLK
HM_AM_SD2_DSD2
HM_AM_SD1_DSD1
HM_AM_SD3_DSD3
Z2DACMUT
DAC_Z2_DEMP
ADC2R
ADC2L
ARM1_SD3
Z2NET_SD0
ARM1_BCK
Z2NET_LRCK
ARM1_SD2
ARM_MCLK
ARM1_SD1
Z2NET_MCLK
ARM1_LRCK
Z2NET_BCK
ARM1_SD0
SND_BCK
SND_LRCK
SND_DATA
ADSP2_LRCK
SND_DATA
ADSP2_FLR
ADSP2_LRCK
SND_LRCK
SND_BCK
ADSP2_BCK
Z2TV_SPDIF
DACH2Z3R
DACH2Z3R
PREH2Z3MUT
IPROTECT
SEC1H
VPROTECT
VOLH
VOLDAT
AMUT
TU_SDA
TU_SCL
VOLCLKBD
PREZ2MUT
PREMUT
H1Z2MUT
Z2NET_MCLK
PON_M2
PON_M2
FL-
FL+
AUXL
VOLDAT
Z3DAC_DATA
COAX
ADSP_MCK
OPT2
COAX
Z2HDMI_SPDIF
DIG_SDI
DSD_DIRECT
DAC_Z2_DEMP
PON_NET
PON_M2
DIR_CS
DIR2_RST
HDMI/NETSW
ZONE_NET_SEL
Z2DACMUT
DIR_INT0
DIG_SDO
DIG_CLK
DSDSW
DIR_RST
DAC_CS
DAC_RST
DIR2_CS
DIR2_INT0
Z3DACMUT
DIR_RST
+3.3VDG
OPT1
SND_MCLK
OPT2
ADSP_MCK
SND_MCLK
ADSP2_FLR
ADSP2_BCK
H1R+
FL+
FL-
FR-
FR+
CT+
CT-
SW-
SW+
SL+
SL-
SR-
SR+
H1L+
H1L-
H1R-
eHDMI_SPDIF
HM_AM_SD1_DSD1
HM_AM_SD4_DSD4
ARM1_SD2
ARM1_SD3
HDMI/NETSW
ADSP2_BCK
ADSP2_FLR
ADSP2_LRCK
ADSP2_LRCK
BCK_DCLK
SD0_DSDR1
LRCK_DSDL1
LRCK_DSDL1
DIR_BCK/DSD_CLK
DSD_DIRECT
DSD_DIRECT
Z3DAC_BCK
Z3DAC_LRCK
NET_DATA
ZONE_NET_SEL
Z2NET_SD0
ARM1_SD0
ARM1_BCK
Z2NET_BCK
ARM1_LRCK
Z2NET_LRCK
NET_BCK
NET_LRCK
ARM_MCLK
Z2NET_MCLK
ZMCLK
256x44.1K
256x44.1K
Z3H2_SEL
ADSP2_BCK
ADSP2_LRCK
NET_BCK
Z3DAC_BCK
Z3DAC_LRCKNET_LRCK
ADSP2_EX2
NET_DATA
Z3DAC_DATA
Z3DACMUT
Z3DACMUT
ADSP2_CSW
ADSP2_EX1
ADSP2_EX2
ADSP2_LsRs
ADSP2_EX3
Z2TV_SPDIF
Z2HDMI_SPDIF
eHDMI_MCK
eHDMI_LRCK
eHDMI_BCK
eHDMI_SD0
eHDMI_SPDIF
HM_AM_SD4_DSD4
DIR_XTI
DIR_XTI
eHDMI_CSW
eHDMI_SL
eHDMI_SB
HM_AM_SD4_DSD4
NET_LRCK
ZMCLK
OPT2
OPT1
ADSP_MCK
ADSP_MCK
ARM_MCLK
ARM_MCLK
eHDMI_CSW
ARM1_SD1
eHDMI_SL
eHDMI_SB
COAX
ADCL
ADCR
DACH2Z3L
DACH2Z3L
SEC1H
H2Z3MUT
H2Z3MUT
ADSP2_EX3
ADSP2_LRCK
ADSP2_BCK
AMUT
H1Z2MUT
DACZ2R
DACZ2R
PREH2Z3MUT
PREZ2MUT
PREMUT
CT-
H1L-
CT+
H1R-
H1R+
SW+
SL+
SL-
SR-
SW-
H1L+
SR+
VOLH
VPROTECT
IPROTECT
ADC2R
ADC2L
FR+
FR-
DACSBL
DACSBL
DACSBR
DACSBR
MICOUT
AUXR
TU_SDA
TU_SCL
VOLCLKBD
GNDA_AUX
-15VA
+15VA
SBDACMUT
SBDACMUT
SBDACMUT
Z3H2_SEL
DIR_SD0/DSD0
DSDSW
DSD_LRCK
DIR_LRCK
DIR_LRCK2
DAC_RST
GND_DAC
GND_DAC
GND_DAC
ADCR
ADCL
+5VA
GNDDG
+3.3VNET
GNDDG
+3.3VDG
+3.3VDG
GNDDG
Q1091
TLV74333PDBVR
IN
1
GND
2
EN
3
NC
4
OUT
5
Q1002
PCM5101APWR
CPVDD
1
AVDD
8
LDOO
18
XSMT
17
FMT
16
DIN
14
CAPM
4
CPGND
3
OUTR
7
OUTL
6
CAPP
2
VNEG
5
LRCK
15
DGND
19
DVDD
20
BCK
13
SCK
12
FLT
11
AGND
9
DEMP
10
LBC2518T4R7M
L1011
LBC2518T4R7M
L1010
LBC2518T4R7M
L1013
LBC2518T4R7M
L1012
LBC2518T4R7M
L1009
BK1005LL241-T
L1005
BK1005LL241-T
L1007
BK1005LL241-T
L1006
BLM15PX181SN1DL1019
BLM15PX181SN1DL1018
104K
C1053
104K
C1056
16V
103K
C1038
104K
C1052
104K
C1014
104KC1018
104K
C1016
50V
104K
C1051
104K
C1013
473KC1026
103KC1059
NM
103K
C1058
NM
223KC1025
472KC1021
106K
C1057
16V
106K
C1092
16V 106K
C1093
16V
106K
C1094
16V
106K
C1019
16V
106KC1030
16V
225K
C1054
10V
225K
C1055
10V
226M
C1091
6.3V
C1023 100u 16V
*C1017
220u
10V
C1022 47u
16V
C1027
220u
4V
C1020
220u
4V
C1012
220u
4V
R1021
100
R1029
1k
R1010
10k
R1003 150
R1022 150
R1004 150
R1002 150
R1013 22
R1014 22
R1011 22
R1016 22
R1015
22
R1012 22
R1044 220
R1041 220
R1023 220
R1061 10k
R1039 33
R1037 330R1026 330
R1005
330
R1042 330
R1035 330
R1031 330
R1032 330
R1020
390
R1025 47
R1046 47
R1024
47
R1019 47
R1017 47
R1060
47
R1088
470
R1087
470
R1047
680
R1043 220
Q1004
AK4458
1
MCLK
2
BICK/DCLK
3
LRCK/DSDL1
4
SDTI1/DSDR1
5
SDTI2/DSDL2
6
SDTI3/DSDR2
7
SDTI4/DSDL3
8
DSDR3
9
DSDL4
10
DSDR4
11
DZF
12
CAD1
13
CDTI
14
CCLK
15
CSN
16
CAD0_SPI
17
I2C
18
AOUTL1P
19
AOUTL1N
20
VREFL1
21
VREFH1
22
AOUTR1N
23
AOUTR1P
24
AOUTL2P
25
AOUTL2N
26
VREFL2
27
VREFH2
28
AOUTR2N
29
AOUTR2P
30
AVSS
31
AVDD
32
AOUTL3P
33
AOUTL3N
34
VREFH3
35
VREFL3
36
AOUTR3N
37
AOUTR3P
38
AOUTL4P
39
AOUTL4N
40
VREFH4
41
VREFL4
42
AOUTR4N
43
AOUTR4P
44
LDOE
45
TVDD
46
DVSS
47
VDD18
48
PDN
49
ePad
104K
C1002
50V
104K
C1004
50V
*C1005
220u
10V
104K
C1006
50V
104K
C1010
50V
105K
C1032
10V
R1028
220
R1027
220
R1054
220
R1057
1k
Q1005
PCM9211PTR
ERROR/INT0
1
NPCM/INT1
2
MPIO_A0
3
MPIO_A1
4
MPIO_A2
5
MPIO_A3
6
MPIO_C0
7
MPIO_C1
8
MPIO_C2
9
MPIO_C3
10
MPIO_B0
11
MPIO_B1
12
MPIO_B2
13
MPIO_B3
14
MPO0
15
MPO1
16
DOUT
17
LRCK
18
BCK
19
SCKO
20
DGND
21
DVDD
22
NDO/ADR0
23
MDI/SDA
24
MC/SCL
25
MS/ADR1
26
MODE
27
RXIN7/ADR1
28
RXIN6/ALRCKI0
29
RXIN5/ABCKI0
30
RXIN4/ASCKI0
31
RXIN3
32
RXIN2
33
xRST
34
RXIN1
35
VDDRX
36
RXIN0
37
GNDRX
38
XTI
39
XTO
40
AGND
41
VCC
42
FILT
43
VCOM
44
AGNDAD
45
VCCAD
46
VINL
47
VINR
48
R1034 220
R1062 220
R1064 220
472KC1040
R1074 330
R1075 220
104K
C1011
R1072 330
R1071 47
R1108 330R1084 220
Q1003
PCM9211PTR
ERROR/INT0
1
NPCM/INT1
2
MPIO_A0
3
MPIO_A1
4
MPIO_A2
5
MPIO_A3
6
MPIO_C0
7
MPIO_C1
8
MPIO_C2
9
MPIO_C3
10
MPIO_B0
11
MPIO_B1
12
MPIO_B2
13
MPIO_B3
14
MPO0
15
MPO1
16
DOUT
17
LRCK
18
BCK
19
SCKO
20
DGND
21
DVDD
22
NDO/ADR0
23
MDI/SDA
24
MC/SCL
25
MS/ADR1
26
MODE
27
RXIN7/ADR1
28
RXIN6/ALRCKI0
29
RXIN5/ABCKI0
30
RXIN4/ASCKI0
31
RXIN3
32
RXIN2
33
xRST
34
RXIN1
35
VDDRX
36
RXIN0
37
GNDRX
38
XTI
39
XTO
40
AGND
41
VCC
42
FILT
43
VCOM
44
AGNDAD
45
VCCAD
46
VINL
47
VINR
48
R1105
680
104K
C1015
R1102 220
R1109
47
R1098 10k
106K
C1037
16V
R1069
150
R1111 220
223K
C1062
473KC1063
BK1005LL241-T
L1014
R1104 47
R1073 330
R1112 220
R1066 47
R1067 10k
104K
C1068
104K
C1069
R1085
180
+5VA
+5VA
+3.3VDG
DIR_BCK/DSD_CLK
DIR_SD0/DSD0
DIR_LRCK
DIR_LRCK2
HM_AM_SD2_DSD2
HM_AM_SD1_DSD1
HM_AM_SD3_DSD3
D1000
NM
Q1007
74VHC4040FT
Q12
1
Q6
2
Q5
3
Q7
4
Q4
5
Q3
6
Q2
7
GND
8
Q1
9
CK
10
CLR
11
Q9
12
Q8
13
Q10
14
Q11
15
VCC
16
R1114
220
R1115
220
104K
C1071
16V
104K
C1072
16V
104K
C1073
16V
104K
C1074
16V
104KC1075
104K
C1079
16V
DIR_XTI
C1003NM
R1007
1M
104K
C1001
BK1005LL241-T
L1004
BLM15PX181SN1D
L1001
150J
C1009
180J
C1008
R1008
1k
R1006
56
Q1001
TC7SZU04FU
1
2
3 4
5
GNDDG
R1059
10k
R1063
10k
R1083 100
R1090
330
R1091
330
R1092
330
R1001 330
105K
C1033
R1081 180
Q1090
MM3464A50NRE
VIN
1
VSS
2
CE
3
NC
4
VOUT
5
BLM15PX181SN1D
L1000
R1093
10k
R1094
NM
106K
C3072
16V
R3071
10k
NM
C3073
22u
6.3V
TP3005
LBC2518T4R7M
L3007
+5VA
104K
C3076
C3074
100u
16V
R3072
6.8k
R3073
6.8k
ARM1_SD0
ARM1_LRCK
ARM1_BCK
ARM_MCLK
ARM1_SD3
ARM1_SD2
ARM1_SD1
Z2NET_SD0
Z2NET_LRCK
Z2NET_BCK
Z2NET_MCLK
SND_DATA
SND_LRCK
SND_BCK
SND_MCLK
BK1005LL241-T
L1021
R1106 150
R1113 47
R1116 47
P8002B
IMSA-9850B-30Y
1 2 3 4 5 6 7 8 9 101112 13 1415 1617 1819 2021 2223 2425 2627 282930
ADSP2_BCK
ADSP2_LRCK
ADSP2_FLR
LBC2518T4R7M
L1022
R1107 220
R1110 220
R1124 220
R1099 10k
BK1005LL241-T
L1024
R1100
100
R1101
220
R1131
10k
225K
C1099
10V
BLM15PX181SN1DL1025
R1128
330
R1126
150
BLM15PX181SN1D
L1026
R1132
150
104K
C1097
16V
Q1093
PCM5101APWR
CPVDD
1
AVDD
8
LDOO
18
XSMT
17
FMT
16
DIN
14
CAPM
4
CPGND
3
OUTR
7
OUTL
6
CAPP
2
VNEG
5
LRCK
15
DGND
19
DVDD
20
BCK
13
SCK
12
FLT
11
AGND
9
DEMP
10
332K
C1103
50V
225K
C1100
10V
+3.3VDG
104K
C1096
16V
R1127
150
104K
C1098
16V
R1130
470
332K
C1104
50V
R1125
150
106K
C1102
16V
104K
C1101
16V
R1129
470
VOLDAT
PREZ2MUT
PREH2Z3MUT
PREMUT
TU_SCL
AMUT
H1Z2MUT
VOLCLKBD
VPROTECT
IPROTECT
SEC1H
TU_SDA
VOLH
P8003B
IMSA-9850B-30Y
1 2 3 4 5 6 7 8 9 101112 13 1415 1617 1819 2021 2223 2425 2627 282930
R1151
NM
+3.3VDG
104K
C1106
16V
R3074
39k
R3075
39k
-15VA
+3.3VTU
+15VA
GNDDG
R1175
0
R1176
0
*R11820
*R11830
*R1184
0
+3.3VDG
GNDDG
+5.2VDC
R1103 330
R1149 330
R1150 330
PON_M2
DIR2_CS
DIG_SDI
DIR_CS
PON_NET
DIR2_RST
DIR2_INT0
DIR_RST
DAC_Z2_DEMP
DAC_CS
DSD_DIRECT
ZONE_NET_SEL
DIR_INT0
DIG_SDO
Z2DACMUT
DAC_RST
DIG_CLK
Z3DACMUT
DSDSW
C1121
NM
AUXL
MICOUT
AUXR
GNDA_AUX
BK1005LL241-T
L1029
R1208
100
R1209 10k
ADSP_MCK
HDMI/NETSW
102K
C1119
50V
NM
102K
C1125
50V
103K
C1024
50V
103K
C1045
50V
GNDSH
R1018
10k
R1030
NM
R1033
10k
Q1000
TC74VHC157FT
SELECT
1
1A
2
1B
3
1Y
4
2A
5
2B
6
2Y
7
GND
8
3Y
9
3B
10
3A
11
4Y
12
4B
13
4A
14
ST
15
VCC
16
R1040 47
R1050
47
R1068
47
R1053 47
*R1095
47
*R1159
47
*R1096 47
*R1097
47
*R1155 47
*R1156
47
*R1157 47
104K
*C1000
16V
GNDDG
*R1070 47
*Q1006
TC74VHC157FT
SELECT
1
1A
2
1B
3
1Y
4
2A
5
2B
6
2Y
7
GND
8
3Y
9
3B
10
3A
11
4Y
12
4B
13
4A
14
ST
15
VCC
16
*R1080
47
*R1082 47
*R1086
47
*R1089 47
R1161
47
R1166 47
R1165
47
R1163
47
104K
C1028
16V
GNDDG
R1144 47
Q1010
TC74VHC157FT
SELECT
1
1A
2
1B
3
1Y
4
2A
5
2B
6
2Y
7
GND
8
3Y
9
3B
10
3A
11
4Y
12
4B
13
4A
14
ST
15
VCC
16
R1164 47
R1145
47
R1162 47
R1146 47
R1147
47
R1148 47
R1167
47
R1173
47
R1181 47
R1180
47
R1178
47
104K
C1029
16V
GNDDG
R1168 47
Q1011
TC74VHC157FT
SELECT
1
1A
2
1B
3
1Y
4
2A
5
2B
6
2Y
7
GND
8
3Y
9
3B
10
3A
11
4Y
12
4B
13
4A
14
ST
15
VCC
16
R1179 47
R1169
47
R1177 47
R1170 47
R1171
47
R1172 47
R1185
47
+3.3VDG
eHDMI_LRCK
eHDMI_SPDIF
eHDMI_SD0
Z2HDMI_SPDIF
eHDMI_MCK
Z2TV_SPDIF
eHDMI_BCK
HM_AM_SD4_DSD4
ADSP2_EX1
ADSP2_EX2
ADSP2_EX3
ADSP2_CSW
ADSP2_LsRs
eHDMI_CSW
eHDMI_SL
eHDMI_SB
+3.3VNET
R1118
47
R1051
47
X1001
7V22580005
22.5792MHz
R1049 10k
H2Z3MUT
*R1154 0
R1122
0
GNDDG
*R1120
10k
225K
*C1036
10V
BLM15PX181SN1D*L1002
*R1058
330
*R1048
150
BLM15PX181SN1D
*L1003
R1036
NM
*R1121
150
*R1038
10k
104K
*C1034
16V
*Q1012
PCM5101APWR
CPVDD
1
AVDD
8
LDOO
18
XSMT
17
FMT
16
DIN
14
CAPM
4
CPGND
3
OUTR
7
OUTL
6
CAPP
2
VNEG
5
LRCK
15
DGND
19
DVDD
20
BCK
13
SCK
12
FLT
11
AGND
9
DEMP
10
332K
*C1043
50V
NM
225K
*C1039
10V
+3.3VDG
104K
*C1031
16V
*R1052
150
104K
*C1035
16V
*R1119
470
332K
*C1044
50V
NM
*R1045
150
106K
*C1042
16V
104K
*C1041
16V
*R1065
470
SBDACMUT
R1000
NM
GNDA
GNDA
GNDA
*R1133
0
R1136
0
R1137
0
NM
R1138
0
R1139
0
GNDA
106K
C1007
16V
R1160
0
R1158
0
GNDA
GNDA
Z3H2_SEL
Q1008
TC7WH157FK
A
1
B
2
Y
3
GND
4
Y
5
SEL
6
ST
7
Vcc
8
*C1046
471J 50V
ECHUX50V-471J
C1399
NM
GNDSH
R1152
0
R1009
NM
GNDA
C1110
NM
*C1108
10u
16V
*R1055
0
*R1076
0
*R1077
0
*R10780
*R10790
R1153
NM
474K
R1135
10V
101J
*R1056
50V
MMPU
VSP
DSP2nd
ARM/HDMI
Sel
Z2 DAC
MAIN DAC
(GNDTU)
BADG-2558/2567/2573/2586/2595(PART-9)
ARM
Z3/H2 DAC
RearSide
FrontSide
NET_MCLK
(GNDAD)
(GNDDG)
MMPU(Front FFC)
BAPRC-2605 (5/11)
Only Z8/D5/L5
DSD Direct
MMPU
(GNDVOL)
DSDR0H
DSDR0A
DSDR0
ARM1/Z2NET
Sel
Z3NET/H2
Select
DSP1st
Except Z8/D5/L5
DSDR0
DSDL0
Hi:B>DSD
Lo:A>PCM
Lo:A>H2
Hi:B>Z3
Hi:B>Z2
Lo:A>Main
Hi:B>NET
Lo:A>HDMI
To DIR
SB DAC
H1
Only Z7/D4/Z8/D5/L5
(GNDAD)
Z2 DIR
MAIN DIR
C1046:Pioneer:101J
ONKYO:471J(NM)
R1178/R1079
Pmodel:mount
Omodel:NM
R1055
Pmodel:mount
Omodel:NM
R1153
Pmodel:NM
Omodel:mount
R1133/R1076/R1077
Pmodel:mount
Omodel:NM
Schematic Diagrams

Other manuals for Onkyo TX-RZ830

Related product manuals