EasyManua.ls Logo

Onkyo TX-RZ830 - Page 78

Onkyo TX-RZ830
192 pages
Print Icon
To Next Page IconTo Next Page
To Next Page IconTo Next Page
To Previous Page IconTo Previous Page
To Previous Page IconTo Previous Page
Loading...
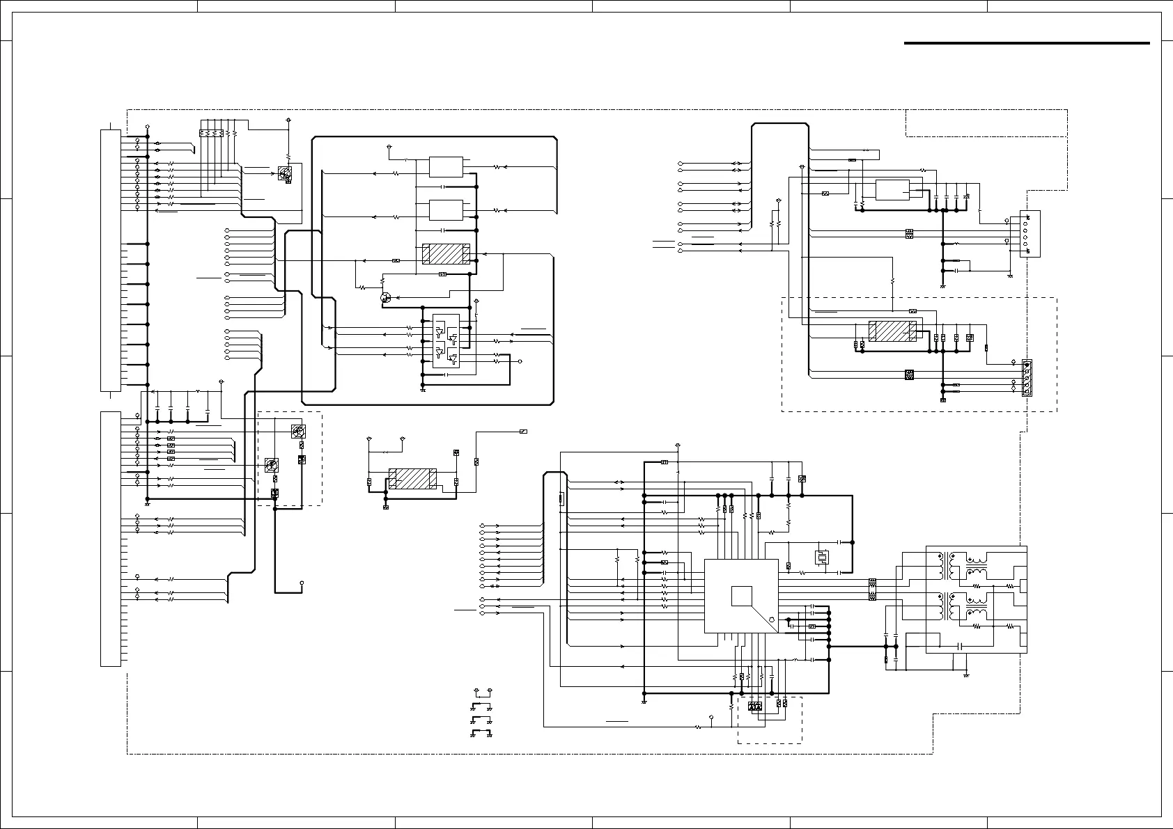
ARM USB/Ethernet/WiFi SECTION
TX-NR787/RZ630/RZ730/RZ830,DRX-3.2/4.2/5.2
1
A
B
C
D
E
2 3 4 5 6
1 2 3 4 5 6
A
B
C
D
E
75
Ω
75
Ω
75
Ω
C8
C7
C6
C3
C5
C4
C2
C1
1:1
1:1
75
Ω
2kV/1000pF
USB1_DM
USB1_DP
RMII2_RXD1
RMII2_RXD0
RMII2_CRS_DV
MDIO_DATA
RMII2_RXER
ETH_RX-
RMII2_TXD1
ETH_RX+
ETH_TX-
ETH_TX+
RMII2_TXEN
RMII2_TXD0
USB1_DP
USB1_DM
USB1_DRVVBUS
USB1_VBUS
USB0_DP
USB0_DM
USB0_DRVVBUS
USB0_VBUS
RMII2_RXER
RMII2_TXD1
MDIO_DATA
MDIO_CLK
RMII2_REFCLK
RMII2_RXD1
RMII2_RXD0
RMII2_CRS_DV
RMII2_TXEN
RMII2_TXD0
ETH_INT
PME_N1
PME_N1
NET_RST
NET_RST
USB0_OC
USB0_OC
USB1_OC
USB1_OC
USB0_DP
BT_EN
WLAN_EN
BT_WAKE
WL_IRQ
SLOW_CLK
AM_MMC0_DAT0
AM_MMC0_DAT1
AM_MMC0_DAT2
AM_MMC0_DAT3
AM_MMC0_CLK
AM_MMC0_CMD
AM_UART1_TXD
AM_UART1_RXD
AM_UART1_RTSN
AM_UART1_CTSN
AM_UART1_CTSN
AM_UART1_RXD
WB_UART1_RTSN
WB_UART1_TXD
WB_UART1_CTSN
WB_UART1_RXD
SDIO_RST_WB
RMII2_REFCLK
USB0_DM
USB0_DRVVBUS
PON_HDMI
PCMCLK
PCMFR1
PCMOUT
PCMIN
SDIO_WAKE_WB
SLOW_CLK
BT_EN
WLAN_EN
SDIO_WAKE
WB_UART1_CTSN
WB_UART1_RTSN
WB_UART1_RXD
WB_UART1_TXD
BT_WAKE
PON_NET
SDIO_RST
SDIO_RST
SDIO_RST
SDIO_WAKE_WB
SDIO_WAKE_WB
M2_USB_D-
M2_USB_D+
LED_WLAN
LED_BT
AM_UART1_TXD
AM_UART1_RTSN
SDIO_WAKE
MDIO_CLK
SDIO_RST_WB
AM_MMC0_DAT3
AM_MMC0_DAT2
AM_MMC0_DAT1
AM_MMC0_DAT0
AM_MMC0_CMD
AM_MMC0_CLK
USB1_DRVVBUS
USB1_VBUS
USB0_VBUS
R3716 NM
*Q3601
FP6861C-E1AS5CTR
VOUT
1
GND
2
OC
3
EN
4
VIN
5
226M
*C3601
6.3V
*R3601
10k
226M
*C3602
6.3V
102K
*C3603
50V
R3719
NM
MCF20104G900-T
L3613
1
2
3
4 5
6
7
8
104K
C3655
102K
C3661
102K
C3660
226M
C3652
6.3V
C3658
NM
226M
C3662
6.3V
226M
C3664
6.3V
226M
C3665
6.3V
225K
C3663
10V
C3653
NM
150J
C3666
150J
C3667
104KC3657
104K
C3656
104K
C3654
C3651
NM
104K
C3659
R3718
NM
TP3651
+5.2V_USB
R3670
4.7k
R3665
R3669 4.7k
R3651
R3653
1k
R3652 22
R3675
1k
R3654
1k
R3674
220k
R3677
NM
R3656
NM
R3676
560
R3655
NM
R3678 4.7k
R3657
22
R3673
220
R3672
220
R3659
2.2k
R3662 22
R3661 22
R3658
390
R3660
3.9k
R3667 47
R3666
22
R3664
22
R3663 4.7k
R3668
4.7k
R3671
4.7k
GND_ETH
GND_USB
GND_USB
GNDSH
GND_ETH
+5.2V_USB
GND_USB
R3603 10k
R3604 10k
*R3605
1k
USB0_DM
USB0_DP
USB0_VBUS
USB0_DRVVBUS
USB1_DM
USB1_DP
USB1_VBUS
USB1_DRVVBUS
USB1_OC
USB0_OC
RMII2_CRS_DV
RMII2_TXD0
RMII2_TXD1
RMII2_TXEN
RMII2_REFCLK
RMII2_RXD0
RMII2_RXD1
RMII2_RXER
NET_RST
MDIO_DATA
ETH_INT
PME_N1
MDIO_CLK
R3679
4.7k
+3.3VAM_VAUX33
SLOW_CLK
AM_MMC0_DAT0
AM_MMC0_DAT1
AM_MMC0_DAT2
AM_MMC0_DAT3
AM_MMC0_CLK
AM_MMC0_CMD
AM_UART1_CTSN
AM_UART1_RTSN
AM_UART1_RXD
AM_UART1_TXD
WLAN_EN
BT_WAKE
WL_IRQ
BT_EN
*R3694
47*R3695 47
+3.3VAM_VAUX2
*Q3652
SN74AUP1T17DCKR
NC
1
A
2
GND
3
Y
4
VCC
5
104K*C3668 16V
*Q3653
SN74AUP1T17DCKR
NC
1
A
2
GND
3
Y
4
VCC
5
104K*C3669 16V
*R3692
47
*R3693 47
*R3696 47
*R3697 47
*R3699 47
*R3700 47
*R3703 47
*R3702 47
*R3701 47
TP3665
+1.8VAM_VDIG1
*Q3654
TC74VCX125FT
1
2
3
Vcc
14
4
5
6
7
GND
8
9
10
11
12
13
104K
*C3670
16V
GND_WB
+3.3VNET
R3715
4.7k
+5.2VDC
GNDSH
103K
C3674
50V
*R3724
0
R3725 NM
+3.3V_WB
*R370922
R3736
NM
*R373722
R3738
NM
*R373922
R3740NM
*R374122
R3742
NM
*R374322
*R374422
*R374522
*R374622
*R374722
*R371022
*R371122
*R371322
*R374822
*R374922
*R375022
*R375122
*R375222
GND_WB
SDIO_WAKE
+3.3V_WB
Q3664
NM
VOUT
1
GND
2
OC
3
EN
4
VIN
5
+3.3VDC
C3682
NM
C3683
NM
PON_NET
+3.3VNET
*R3758
0
SDIO_RST
+1.8VAM_VDIG1
*R3712
10k
GND_WB
GND_WB
R3714 NM
Q3666 NM
NC
1
A
2
GND
3
Y
4
VCC
5
C3684
NM
R3727 47
*R3728
10k
*R3729
47
R3726
1k
R3730
1k
GND_WB
GNDDG
GNDDG
GNDDG
106K
*C3685
16V
105K
*C3686
10V
R3731
22
*R3753
10k
*R3754
10k
*P3658
APCI0213-K001G
1
*P3654
APCI0085-P002A
1
3
5
7
9
11
13
15
17
19
21
23
33
35
37
39
41
43
45
47
49
51
53
55
57
59
61
63
65
67
69
71
73
76
77
75
*P3654
APCI0085-P002A
2
4
6
8
10
12
14
16
18
20
22
32
34
36
38
40
42
44
46
48
50
52
54
56
58
60
62
64
66
68
70
72
74
*Q3602
FP6861C-I1AS5CTR
VOUT
1
GND
2
OC
3
EN
4
VIN
5
102K
*C3606
50V
*R3606
1k
226M
*C3605
6.3V
*R3717
0
*R3602
10k
226M
*C3604
6.3V
223K
C3689
50V
221J
*C3690
50V
C3687
NM
*P3601
UB113-F04S1BR-B
1
+V
2
D-
3
D+
4
GND1
5
6
*P3652C
NPLG-5P918
12345
MCF12102G900-T
*L3611
12
3 4
MCF12102G900-T
*L3612
12
3 4
BLM15PX121SN1D
*L3655
BLM15PX121SN1D
*L3604
BLM15PX121SN1D
*L3603
BLM15PX121SN1D
*L3601
BLM15PX121SN1D
*L3602
BLM15PX121SN1D
L3652
BLM15PX121SN1D
*L3661
BLM15PX121SN1D
L3651
BLM15PX121SN1D
*L3656
Q3651
KSZ8091RNB
GND
1
VDD_1.2
2
VDDA_3.3
3
RXM
4
RXP
5
TXM
6
TXP
7
XO
8
XI
9
REXT
10
MDIO
11
MDC
12
RXD3/PHYAD0
13
RXD2/PHYAD1
14
RXD1/PHYAD2
15
RXD0/DUPLEX
16
VDDIO
17
RXDV/CONFIG2
18
RXC/B-CAST_OFF
19
RXER/ISO
20
INTRP/PME_N2/NAND_Tree#
21
TXC/PME_EN
22
TXEN
23
TXD0
24
TXD1
25
TXD2
26
TXD3
27
COL/CONFIG0
28
CRS/CONFIG1
29
LED0/PME_N1/NWAYEN
30
TXER
31
RST#
32
ePad
33
D3651
SEC1403C
D3653
SEC1403C
D3654
SEC1803C
D3652
SEC1803C
Q3665
NM
*Q3667
KRC402E
Q3668
KRA302E
Q3669
KRA302E
*R3756
1k
*R3757
1k
220J
*C3691
50V
*C3607
100u
16V
226M
*C3608
6.3V
*C3609
100u
16V
226M
*C3610
6.3V
X3651
7V25080055
25MHz
P3651
MP04B1S2AM0-07T
GND1 1
TCT 2
TD+ 3
TD- 4
RD+ 5
RD- 6
RCT 7
GND2 8
GND3
9
GND4
10
R3607
10k
ARM_IO
Front USB only L3
Except D4/D5
BAPRC-2605 (11/12)
NotchNotch
SUSCLK
SDIO_RST
(3.3V)
(3.3V)
(3.3V)
(3.3V)
(3.3V)
ARM_IO
UART_WAKE
(3.3V)
SDIO_Wake
To WiFi/Bt Module(WCBN806L)
SMT STUD
No Mount
No Mount
C3690:Pioneer:103K
ONKYO:221J
D4/D5:NM
Schematic Diagrams

Other manuals for Onkyo TX-RZ830

Related product manuals