EasyManua.ls Logo

Onkyo TX-SR402 - Page 18

Onkyo TX-SR402
89 pages
Print Icon
To Next Page IconTo Next Page
To Next Page IconTo Next Page
To Previous Page IconTo Previous Page
To Previous Page IconTo Previous Page
Loading...
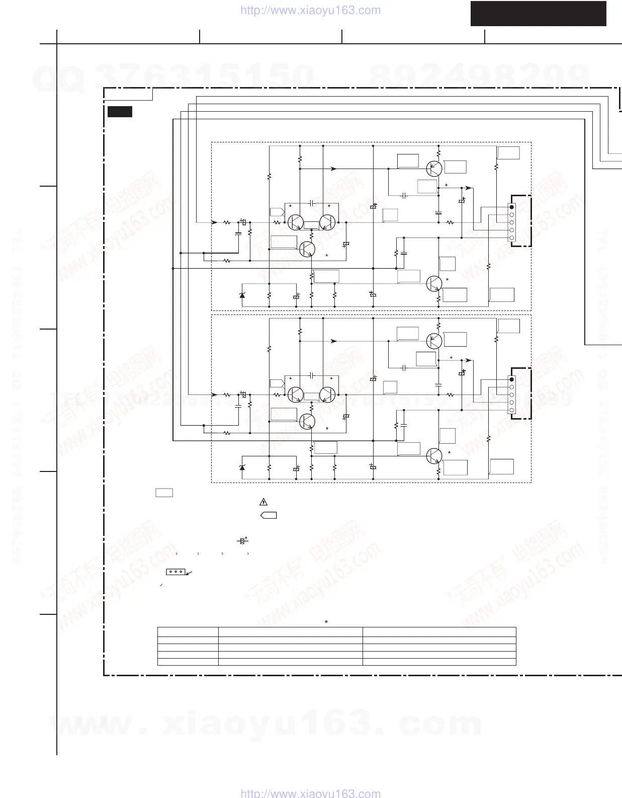
SCHEMATIC DIAGRAMS-3
DRIVER AMPLIFIER SECTION
TX-SR402/8240/HT-R420TX-SR402/8240/HT-R420
A
1
2
3
4
5
BCDEFGH
Q5012Q5002
Q5042
Q5052
Q5011Q5001
Q5041
Q5051
Q5010Q5000
Q5040
Q5050
Q5013Q5003
Q5043
Q5053
Q5014Q5004
Q5044
Q5054
Q5032
Q5031
Q5030Q5033
Q5034
R5012
56K
R5002
1K
R5022
330
R5062
1.2K
R5162
120 (1/4W)
R5132
18K
R5172
120(1/4W)
R5032
56K
R5082
3.3K
R5112
1K
R5092
82K
[100K]
R5052
4.7K
R5072
560
R5102
100K
R5182
10
(1/4W)
R5192
10
(1/4W)
R5042
2.2K
R5011
56K
R5001
1K
R5021
330
R5061
1.2K
R5161
120 (1/4W)
R5131
18K
R5171
120(1/4W)
R5031
56K
R5081
3.3K
R5111
1K
R5091
82K
[100K]
R5051
4.7K
R5071
560
R5101
100K
R5181
10
(1/4W)
R5191
10
(1/4W)
R5041
2.2K
R5010
56K
R5000
1K
R5020
330
R5060
1.2K
R5160
120 (1/4W)
R5130
18K
R5170
120(1/4W)
R5030
56K
R5080
3.3K
R5110
1K
R5090
82K
[100K]
R5050
4.7K
R5070
560
R5100
100K
R5180
10
(1/4W)
R5190
10
(1/4W)
R50402.2K
R5013
56K
R5003
1K
R5023
330
R5063
1.2K
R5163
120 (1/4W)
R5133
18K
R5173
120(1/4W)
R5033
56K
R5083
3.3K
R5113
1K
R5093
82K
[100K]
R5053
4.7K
R5073
560
R5103
100K
R5183
10
(1/4W)
R5193
10
(1/4W)
R5043
2.2K
R5014
56K
R5004
1K
R5024
330
R5064
1.2K
R5164
120 (1/4W)
R5134
18K
R5174
120(1/4W)
R5034
56K
R5084
3.3K
R5114
1K
R5094
82K
[100K]
R5054
4.7K
R5074
560
R5104
100K
R5184
10
(1/4W)
R5194
10
(1/4W)
R5044
2.2K
C5012
22/16
C5042
220/16
[100/16]
C5052
47/50
C5112
10/63
[10/100]
C5102
10/63
[10/100]
C5022
10/50
C5011
22/16
C5041
220/16
[100/16]
C5051
47/50
C5111
10/63
[10/100]
C5101
10/63
[10/100]
C5021
10/50
C5010
22/16
C5040
220/16
[100/16]
C5050
47/50
C5110
10/63
[10/100]
C5100
10/63
[10/100]
C5020
10/50
C5013
22/16
C5043
220/16
[100/16]
C5053
47/50
C5113
10/63
[10/100]
C5103
10/63
[10/100]
C5023
10/50
C5014
22/16
C5044
220/16
[100/16]
C5054
47/50
C5114
10/63
[10/100]
C5104
10/63
[10/100]
C5024
10/50
C5002
101K
C5082
040D
C5092
101J
C5032
C5001
101K
C5081
040D
C5091
101J
C5031
C5000
101K
C5080
040D
C5090
101J
C5030
C5003
101K
C5083
040D
C5093
101J
C5033
C5004
101K
C5084
040D
C5094
101J
C5034
P6002A
TO NAAF-7875
P6001A
TO NAAF-7875
P6000A
TO NAAF-7875
P6003A
TO NAAF-7875
P6004A
TO NAAF-7875
C5072
C5071
C5070
C5073
C5074
D5002
MTZJ5.6B
D5001
MTZJ5.6B
D5000
MTZJ5.6B
D5003
MTZJ5.6B
D5004
MTZJ5.6B
48.9V
[62.1V]
-48.9V
[-62.1V]
47.5V
[60.7V]
48.1V
[61.5V]
-43.3V
[-56.5V]
-48.1V
[-61.4V]
-44V
[-57.1V]
1.0V
[1.0V]
-47.5V
[-60.6V]
0V
[0V]
-0.1V
-1V
[-1V]
-0.7V
48.9V
[62.1V]
-48.9V
[-62.1V]
47.5V
[60.7V]
48.1V
[61.5V]
-43.3V
[-56.5V]
-48.1V
[-61.4V]
-44V
[-57.1V]
1.0V
[1.0V]
-47.5V
[-60.6V]
0V
[0V]
-0.1V
-1V
[-1V]
-0.7V
48.9V
[62.1V]
-48.9V
[-62.1V]
47.5V
[60.7V]
48.1V
[61.5V]
-43.3V
[-56.5V]
-48.1V
[-61.4V]
-44V
[-57.1V]
1.0V
[1.0V]
-47.5V
[-60.6V]
0V
[0V]
-0.1V
-1V
[-1V]
-0.7V
48.9V
[62.1V]
-48.9V
[-62.1V]
47.5V
[60.7V]
48.1V
[61.5V]
-43.3V
[-56.5V]
-48.1V
[-61.4V]
-44V
[-57.1V]
1.0V
[1.0V]
-47.5V
[-60.6V]
0V
[0V]
-0.1V
-1V
[-1V]
-0.7V
48.9V
[62.1V]
-48.9V
[-62.1V]
47.5V
[60.7V]
48.1V
[61.5V]
-43.3V
[-56.5V]
-48.1V
[-61.4V]
-44V
[-57.1V]
1.0V
[1.0V]
-47.5V
[-60.6V]
0V
[0V]
-0.1V
-1V
[-1V]
-0.7V
P6011A
TO NAAF-7875
P306A
TO NADG-7401
E
C
E
SL
E
SR
E
R
E
L
E
E
E
E
E
E
E
E
E
NO. TX-SR402/ TX-SR8240 HT-R420
Q5000-04,5010-14 KTC3200-BL OR 2SC1775A-E,F OR 2SC1845-E KTC3200-BL OR 2SC1775A-E,F OR 2SC1845-E
Q5030-34 KTA1024-Y,O OR 2SA949-Y,O KTA1024-Y,O OR 2SA949-Y,O
Q5040-44 KTC3206-Y,O OR 2SC2229-Y,O KTC3206-Y,O OR 2SC2229-Y,O
Q5050-54 KTC3199-GR,2SC1740S-R,S,2SC2458-GR KTC3200-BL,GR OR 2SC1775A-E,F OR 2SC1845-E,F
L
R
C
SR
SL
NAAF-7866
NF
-B1
+B1
B+
B-
NF
-B1
+B1
B+
B-
NF
-B1
+B1
B+
B-
NF
-B1
+B1
B+
B-
NF
-B1
+B1
B+
B-
U08
DRIVER
AMPLIFIER
PC BOARD
Refer to the following table about the parts displayed by mark" "
<Notes>
NC=No mount of parts.
[ ] Values are for HT-R420
NOTE
.
THE COMPONENTS IDENTIFIED BY MARK ARE CRITICAL FOR SAFETY
REPLACE ONLY WITH PART NUMBER SPECIFIED.
.
VOLTAGE (MEASURED WITHVOLTMETER) IS DC VOLTAGE.(NO INPUT SIGNAL)
.
ALL PNP TRANSISTORS ARE EQUIVALENT TO 2SA1015-GR UNLESS OTHERWISE NOTED.
.
ALL NPN TRANSISTORS ARE EQUIVALENT TO 2SC1815-GR UNLESS OTHERWISE NOTED.
.
ALL DIODES ARE EQUIVALENT TO 1SS133 UNLESS OTHERWISE NOTED.
.
ELECTROLYTIC CAPACITORS ( )ARE IN u F/WV.
.
ALL CAPACITORS ARE IN pF/50WV UNLESS OTHERWISE NOTED.
EX) 030- 3pF 330- 33pF 331- 330pF333- 0.033uF
.
ALL RESISTORS ARE IN OHMS 1/4WATTS UNLESS OTHERWISE NOTED.
.
THE THICK LINES ON PC BOARD ARE THE PRINTING SIDE OF THE PARTS.
EX) PRINTING SIDE
.
CIRCUIT IS SUBJECT TO CHANGE FOR IMPROVEMENT.
.
IS DC VOLTAGE, AT NO INPUT SIGNAL.
NC
NC
NC
NC
NC
NC
NC
NC
NC
NC
w
w
w
.
x
i
a
o
y
u
1
6
3
.
c
o
m
Q
Q
3
7
6
3
1
5
1
5
0
9
9
2
8
9
4
2
9
8
T
E
L
1
3
9
4
2
2
9
6
5
1
3
9
9
2
8
9
4
2
9
8
0
5
1
5
1
3
6
7
3
Q
Q
TEL 13942296513 QQ 376315150 892498299
TEL 13942296513 QQ 376315150 892498299
http://www.xiaoyu163.com
http://www.xiaoyu163.com

Related product manuals