EasyManua.ls Logo

Onkyo TX-SR403 - Page 71

Onkyo TX-SR403
149 pages
To Next Page IconTo Next Page
To Next Page IconTo Next Page
To Previous Page IconTo Previous Page
To Previous Page IconTo Previous Page
Loading...
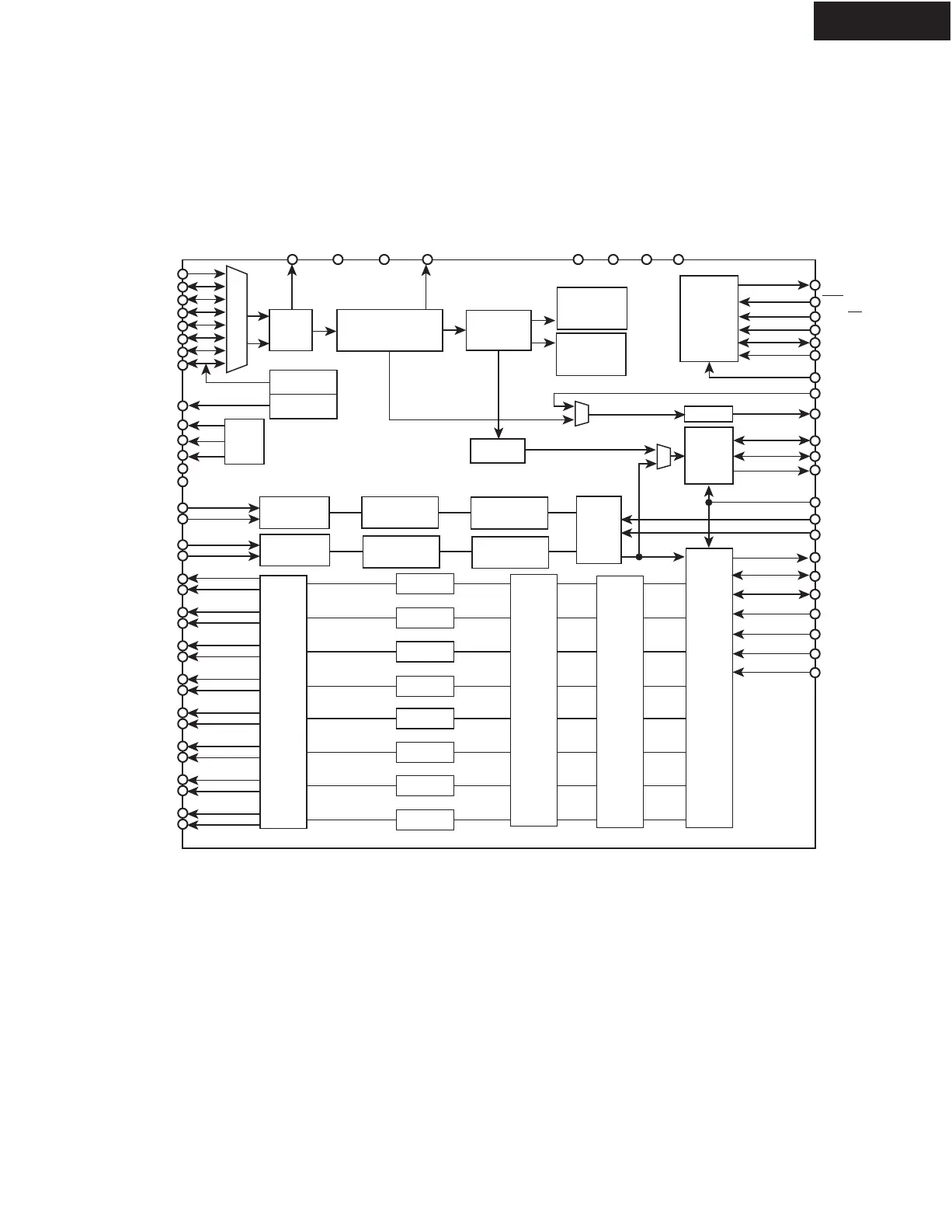
IC BLOCK DIAGRAMS AND TERMINAL DESCRIPTIONS-13
Q421 : CS42518 (8-Ch Codec with S/PDIF Receiver)-1/4
BLOCK DIAGRAM
TX-SR403/8340
INT
DAC#1
DAC#2
DAC#5
DAC#4
DAC#3
DAC#6
DAC#7
DAC#8
AD1/CDIN
SDA/CDOUT
SCL/CCLK
VLC
OMCK
RMCK
SAI_LRCK
SAI_SCLK
SAI_SDOUT
VLS
ADCIN1
ADCIN2
CX_SDOUT
CX_LRCK
CX_SCLK
CX_SDIN1
CX_SDIN2
CX_SDIN3
CX_SDIN4
RXP0
RXP1/GPO1
RXP2/GPO2
RXP4/GPO4
RXP3/GPO3
RXP7/GPO7
RXP6/GPO6
RXP5/GPO5
MUTEC
FILT+
VQ
REFGND
VA
AGND
AINL+
AINL-
AINR+
AINR-
AOUTA1+
AOUTA1-
AOUTB1+
AOUTB1-
AOUTA2+
AOUTA2-
AOUTB2+
AOUTB2-
AOUTA3+
AOUTA3-
AOUTB3+
AOUTB3-
AOUTA4+
AOUTA4-
AOUTB4+
AOUTB4-
RST
AD0/CS
TXP VARX AGND LPFLT DGND DGND VD
VD
Analog Filter
Digital Filter
Volume Control
ADC#1
ADC#2
DEM
ADC
Serial
Data
Digital Filter
Digital Filter
Gain & Chip
Gain & Chip
Internal MCLK
CODEC
Serial
Port
Rx
GPO
MUTE
C&U Bit
Data Buffer
Format
Detector
Clock/Data
Recovery
S/P DIF
Decoder
Ref
Control
Port
Mult/Div
Serial
Audio
Interface
Port

Other manuals for Onkyo TX-SR403

Related product manuals