EasyManua.ls Logo

Onkyo TX-SR504 - Block Diagrams-2: Video Section

Onkyo TX-SR504
131 pages
Print Icon
To Next Page IconTo Next Page
To Next Page IconTo Next Page
To Previous Page IconTo Previous Page
To Previous Page IconTo Previous Page
Loading...
CR-N7
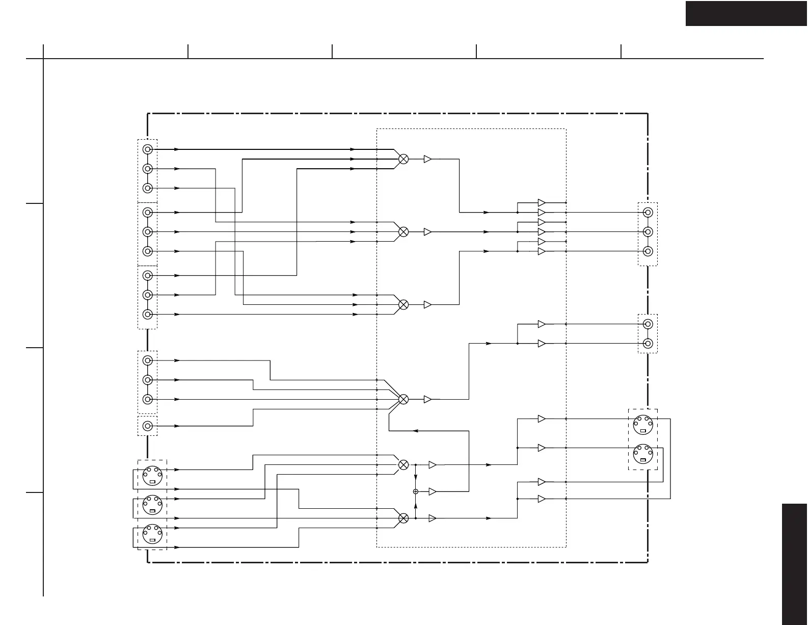
BLOCK DIAGRAMS-2
VIDEO SECTION
TX-SR504/504E/8450
TX-SR504/504E/8450
V1
V2
V3
V4
Y1
Y2
Y3
C1
C2
CY1
CY2
CY3
CB1
CB2
CB3
CYOUT1
CBOUT2
CBOUT1
CROUT2
CROUT1
C3
VOUT1
VOUT3
YOUT3
YOUT1
COUT1
COUT3
CYOUT2
CR1
CR2
CR3
COMPOSITE VIDEO
VIDEO 3 IN
(FRONT)
VIDEO 2 IN
VIDEO 1 IN
DVD IN
CR3
Y3
CB3
CR2
CB2
Y2
CR1
CB1
Y1
VIDEO1 IN
DVD IN
VIDEO 2 IN
S VIDEO INPUT
VIDEO 2 IN
DVD IN
VIDEO 1 IN
C
Y
MONITOR OUT
VIDEO 1 OUT
COMPONENT VIDEO
Q3001
COMPONENT VIDEO
S VIDEO
COMPOSITE VIDEO
CB
CY
COMPOSITE
VIDEO 1 OUT
MONITOR OUT
Y
CB
CR
CR
6dB
C
C
C Y
Y
Y
4/6dB
4/6dB
6dB
4/6dB
6dB
C
C
Y
Y
6dB
VIDEO BOARD(NAVD-8804)
OUT
AN15880A
VIIDEO SWICH
A
1
2
3
4
BCDE

Related product manuals