EasyManua.ls Logo

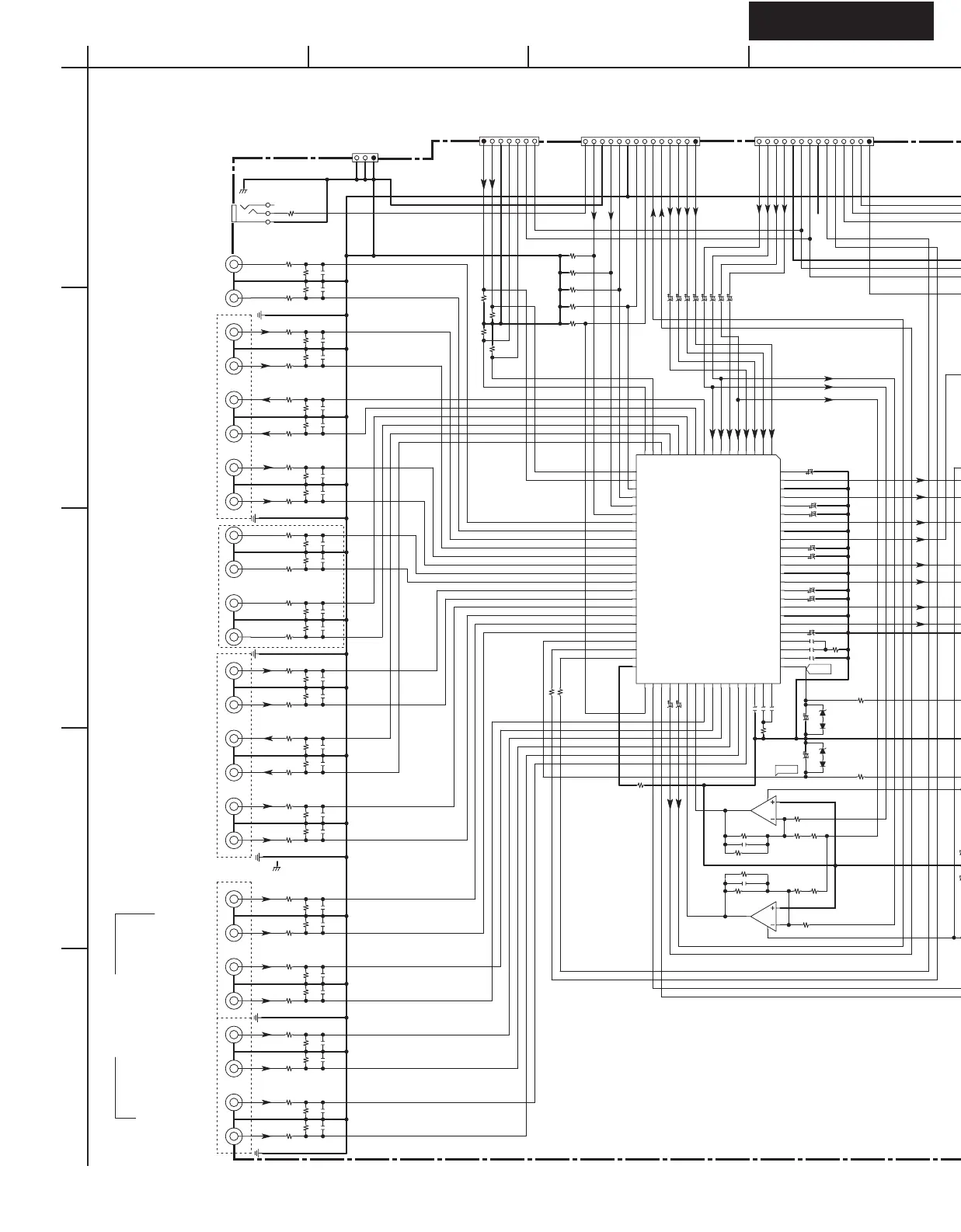
Onkyo TX-SR504 - Schematic Diagrams-1: Audio Input Section

Onkyo TX-SR504
131 pages
Print Icon
To Next Page IconTo Next Page
To Next Page IconTo Next Page
To Previous Page IconTo Previous Page
To Previous Page IconTo Previous Page
Loading...
TX-SR504/504E/8450
SCHEMATIC DIAGRAMS-1
AUDIO INPUT SECTION
TX-SR504/504E/8450
DMIXR
L_OUT
SW_OUT
+22V
SL_OUT
SR_OUT
R_OUT
SW_OUT1
Z2_R
DAC_FL
DMIXL
DAC_SW
Z2_L
SBR_OUT
SBL_OUT
C_OUT
C_OUT
L_OUT
R_OUT
SL_OUT
SR_OUT
SBL_OUT
SBR_OUT
-12V
+12V
DAC_FR
MIC
TUPACK_R
VI4_L
RI
AD_LT+
AD_RT+
-12V
GND_A
VL_CLK
VL_DATA
+12V
GND_DG
SEC1H
PROTECT
PROTECT
SEC1H
VOLH
VOLH
AMUT
DAC_SBR
DAC_SBL
SIRIUS_R
SIRIUS_L
GND_A
XM_R
XM_L
+12V
-12V
TUPACK_L
V4_R
GND_V4
IR
+5.6IR
GND_IR
TZ2
Z2MUT
SB/PREMUTE
DAC_L
DAC_SW
DAC_C
DAC_R
DAC_SL
SBR
SBL
SR
SL
R
L
C
GND_S1
GND
GND_TU
S1L+
S1L-
DAC_SR
Downmix
NC
NC
RI
CD IN
TAPE OUT
TAPE IN
VIDEO 2 IN
VIDEO 1 IN
VIDEO 1 OUT
Subwoofer
+/-12V Supply
CENTER
FRONT
SURROUND
SUBWOOFER
SURR BACK
+/-7V Supply
J5062
PREOUT
SUBWOOFER
J5063
To NADG-8798
(SD-3 : A-4)
To NADG-8799
(SD-6 : E-2)
To NADG-8798
(SD-3 : A-4)
To NADG-8798
(SD-3 : A-4)
C5603
47/50
C5601
47/50
C5602
47/50
Q5503A
NJM4580
1
2
3
4
R5593
1.2K
R5590
10K
R5594
10K
R5592
470
R5595
10K
R5591
10K
C5556
47/25
C5557
47/25
C5558
47/25
C5559
474J
C5561
223J
R5631
47K
R5630
220
R5632
15K
R5633
1.2K
R5634
10K
Q5630A
NJM4580
3
2
1
4
Q5630B
NJM4580
5
6
8
7
C5552
47/25
C5553
47/25
C5554
47/25
C5555
47/25
D9001
D9003
D9004
C5671
10/50
R5814
000J
R5813
NC
R5621
000J
R5622
000J
R5623
000J
R5624
000J
R5613
2.2K
R5612
2.2K
R5611
2.2K
C5608
R5608
R5616
2.2K
R5606
220K
R5607
220K
R5615
2.2K
C5605
47/50
R5614
2.2K
C5604
47/50
R5604
220K
R5605
220K
R5602
220K
R5603
220K
R5600
220K
R5601
220K
R5618
R5609
R5617
2.2K
R5627
000J
C5606
47/50
C5607
47/50
R5610
270
R5620
100
R5625
000J
R5626
000J
R5506
330
R5507
330
R5508
330
R5509
R5510
R5511
R5512
R5513
330
R5514
330
R5515
330
R5516
330
R5517
330
C5507
221J
C5508
221J
C5509
C5510
C5511
C5512
C5513
221J
C5514
221J
C5515
NC
C5516
NC
R5518
330
RL5700
8
10
5
3
12 1
4
9
Q5503B
NJM4580
7
8
6
5
R5599
10K
C5631
221J
R5596
470
R5597
1.2K
R5502
NC
R5504
330
R5505
330
C5502
NC
C5505
NC
C5506
NC
C5504
221K
R5519
330
R5520
330
R5521
330
R5522
330
R5523
330
C5522
221J
C5523
221J
C5521
221J
C5525
221J
C5526
221J
R5524
330
R5525
330
R5526
330
P5506
R5619
C5609
R5501
NC
R5541
NC
R5542
220K
R5543
220K
R5544
220K
R5545
220K
R5546
220K
R5547
220K
R5548
220K
R5549
R5550
R5551
R5552
R5553
220K
R5554
220K
R5555
220K
R5556
220K
R5557
220K
R5558
220K
R5559
220K
R5560
220K
R5561
220K
R5562
220K
R5563
220K
R5564
220K
R5565
220K
R5566
220K
Q5700
RN1402
D5700
1SS133
R5668
22
Q5501
R2S15211FP
64
64 : INL9
63
63 : INR9
62
62 : INLA/RECL1
61
61 : INRA/RECR1
60
INL8
59
INR8
58
INL7
57
INR7
56
INL6
55
INR6
54
INL5
53
INR5
52
INL4
51
INR4
50
INL3
49
INR3
48
INL2
47
INR2
46
INL1
45
INR1
44
AVEE
43
CLOCK
42
42 : DATA
41
41 : DGND
40
MONO
39
SUBL
38
SUBR
37
ADCR
36
ADCL
35
FRIN2
34
FLIN2
33
SRIN2
32
SLIN2
31
SWIN2
30
CIN2
29
SBRIN2
28
SBLIN2
27
TRE_R
26
BASS_R2
25
BASS_R1
24
AVCC :19
23
TRE_L : 22
22
BASS_L2 : 21
21
BASS_L1: 20
20
FRC
19
FROUT
18
AGND
17
FLOUT
16
FLC
15
6-C
14
6-OUT
13
AGND
12
5-OUT
11
5-C
10
4-C
9
4-OUT
8
AGND
7
3-OUT
6
3-C
5
2-C
4
2-OUT
3
AGND :3
2
1-OUT : 2
1
1-C : 1
80
SBRIN1
79
SBLIN1
78
SRIN1
77
SLIN1
76
SWIN1
75
CIN1
74
FRIN1
73
FLIN1
72
RECL3
71
RECR3
70
INL11/RECL5
69
INR11/RECR5
68
INL10/RECL4
67
INR10/RECR4
66
INLB/RECL2
65
INRB/RECR2
(Botom view)
C5551
47/25
C5700
103Z
C5666
220/25
R5667
22
R5666
22
R5575
220K
R5579
220K
R5576
220K
R5580
220K
R5581
220K
R5583
220K
R5582
220K
P5505
P7900
P301
1
2
3
4
5
6
C5667
220/25
C5670
10/50
C5672
220/25
C5673
220/25
P302
1
2
3
4
5
6
7
8
9
10
11
12
13
14
JL5502A
1
2
3
4
5
6
7
P304
3
2
1
P303
14
13
12
11
10
9
8
7
6
5
4
3
2
1
C5630
47/50
7
P7904
10
P7905
7
P7906
R5571
NC
R5500
330
C5501
NC
C5600
100/25
C5503
221K
C5564 223J
C5517
221J
C5590 330J
R5598
10K
C5591 330J
C5518
221J
C5519
221K
C5520
221K
C5524
221K
C5632 103J
P7908
Q5671
79M12
3
O
2
I
1
G
Q5670
78M12
3
O
2
G
1
I
R5503
330
D5717
D5708
D5718
D5707
C9003
1000/35
C9004
1000/35
R5673
2W68
R5671
2W
68
D5671
UDZ6.2C
D5673
1SS133
1
D5672
UDZ6.2C
D5674
1SS133
1
D9002
D9001 - 3004 : RL1N4003
C9001
334J
R5585
1.8K
C5560
823J
R5586
1.8K
C5562
474J
C5563
823J
R5674
82
R5675
82
R5589
1K
C5531
NC
R5531
100
R5534
NC
C5674
470/16
C5675
470/16
R5672
2W
47
R5670
2W
47
R5660
1W
2.2
R5661
1W
2.2
Q5600 RN1441
Q5601
RN1441
Q5603 RN1441
Q5602 RN1441
Q5604 RN1441
Q5605 RN1441
Q5606 RN1441
Q5607 RN1441
Q5610
RN1441
Q5611
NC
Q5612
NC
Q5613
NC
Q5614
NC
Q5615
NC
Q5616 NC
Q5617 NC
Q5609
Q5608
P7902
10
C5566
47/25
C5565
47/25
R5577
47K
R5578
47K
R5587 10K
R5588 10K
R5680
220K
R5681
220K
R5682
220K
C556947/50
C557647/50
C557047/50
C557147/50
C557447/50
C557547/50
C557247/50
C557347/50
C5708
223K
C5707
NC
NAAF-8779 (1/2)
U01
AMPLIFIER PC BOARD
To NAAF-8779 (2/2)
(SD-2 : A3)
To NAAF-8779 (2/2)
(SD-2 :E4)
To NAAF-8779 (2/2)
(SD-2 : B-5)
-12V
+12V
+12V
-12V
-6.8V
+6.8V
+22V
-22V
+22V
NC
NC
NC
GND_E
FRONT SPEAKERS B
C6076
102J
JL6604A
1
2
3
4
P6002
LR
C6077
102J
C6087
103J
C6086
103J
To NAVD-8804(2/2)
(SD-5 : E-2)
<Note>
NC = No mount of parts.
SD-Z : XY
Location of connected terminal in schematic diagrams.
SD-Z = Schematic diagrams-Z. X = A to H, Y = 1 to 5.
L
R
L
R
L
R
L
R
L
R
L
R
DVD
(MULTI INPUT)
L
R
L
R
L
R
SELECTOR/VOLUME
NC
A
1
2
3
4
5
BCDEFGH

Related product manuals