EasyManua.ls Logo

Onkyo TX-SV545 - Page 11

Onkyo TX-SV545
36 pages
To Next Page IconTo Next Page
To Next Page IconTo Next Page
To Previous Page IconTo Previous Page
To Previous Page IconTo Previous Page
Loading...
TX-SV545
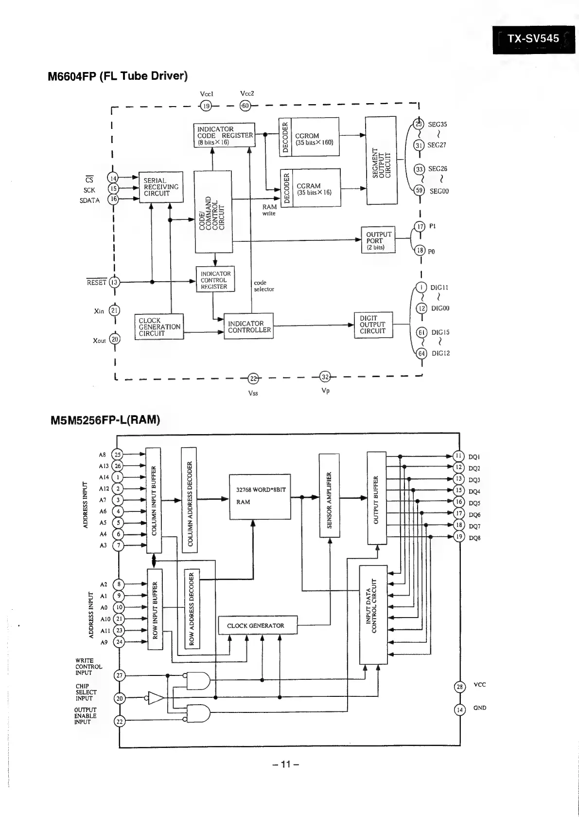
M6604FP
(FL
Tube
Driver)
Vecl
Vec2
|
INDICATOR
&
nEGss
|
CODE
REGISTER
8
|
ccrom
2
(8
bits
X
16)
©
|
(35
bits
160}
SEG27
a
-
@
abe
225
cs
SERIAL
&
Bee
2
aes
SCK
RECEIVING
8
|
CCRAM
CIRCUIT
©
|
(35
bits
16)
SEGOO
SDATA
i
OUTPUT
PORT
(2
bits)
INDICATOR
CONTROL
REGISTER
code
selector
GENERATION
INDICATOR
OUTPUT
CIRCUIT
CONTROLLER
CIRCUIT
Gi)
picis
32768
WORD*8BIT
RAM
OR
AMPLIFIER
COLUMN
ADDRESS
DECODER
a
bcs
OUTPUT
BUFFER
i
B
_]
po
—_
INPUT
DATA
CONTROL
CIRCUIT
ADDRESS
INPUT
CLOCK
GENERATOR
=
4
m
ADDRESS
INPUT
ROW
INPUT
BUFFER
ROW
ADDRESS
DECODER
|

Other manuals for Onkyo TX-SV545

Related product manuals