EasyManua.ls Logo

Onkyo TX-SV545

Onkyo TX-SV545
36 pages
To Next Page IconTo Next Page
To Next Page IconTo Next Page
To Previous Page IconTo Previous Page
To Previous Page IconTo Previous Page
Loading...
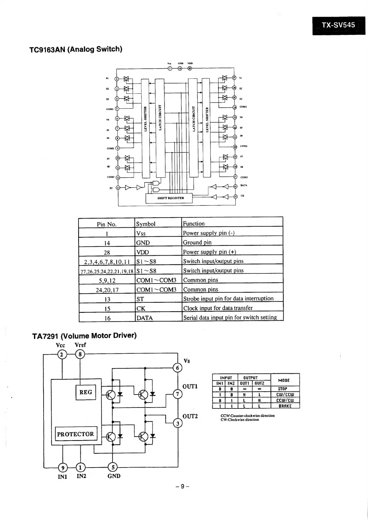
TC9163AN
(Analog
Switch)
LEVEL
SHIFTER
LATCH
CIRCUIT
LEVEL
SHIFTER
Funetion
Pt
iss
Powersupply
pint)
Pa
fcnp
Groundpin
Ps
tvpp
Powersupply
pints)
126,25,
1~S8
ST
CK
14
28
Pa
[st
|
Strobe
input
pin
for
data
interruption
_|
Pts
ck
clock
input
for
data
transfer
TA7291
(Volume
Motor
Driver)
Vcc
-*
Vref
CCW:Counter-clockwise
direction
CW:Clockwise
direction
INI
IN2
GND
TX-SV545

Other manuals for Onkyo TX-SV545

Related product manuals