EasyManua.ls Logo

OnRobot 3FG15 - Page 183

Default Icon
282 pages
Print Icon
To Next Page IconTo Next Page
To Next Page IconTo Next Page
To Previous Page IconTo Previous Page
To Previous Page IconTo Previous Page
Loading...
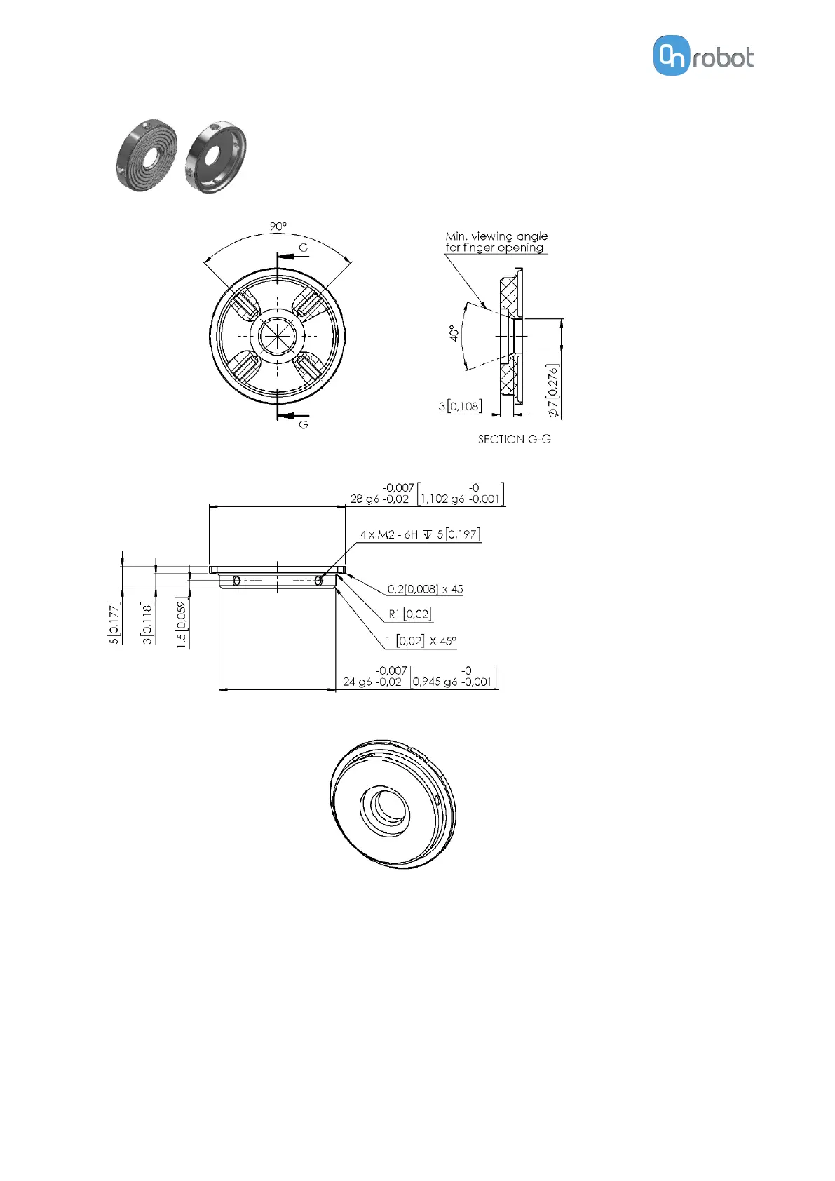
Dimensions of the Gripper’s finger, in millimeters.
HARDWARE SPECIFICATION
183

Table of Contents

Related product manuals