EasyManua.ls Logo

Orbit OBE794 - Component Visuals; Exploded Diagram

Orbit OBE794
11 pages
Print Icon
To Next Page IconTo Next Page
To Next Page IconTo Next Page
To Previous Page IconTo Previous Page
To Previous Page IconTo Previous Page
Loading...
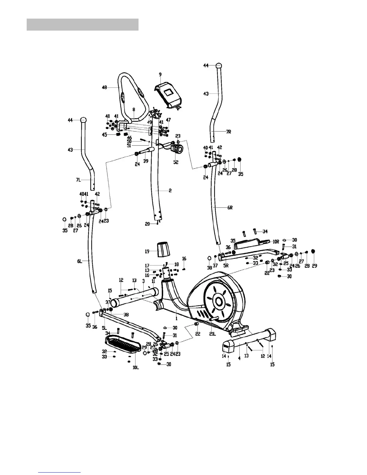
EXPLODED DIAGRAM
Page 2

Related product manuals