EasyManua.ls Logo

Orlaco 0506972 - 10 Dimensions

Orlaco 0506972
12 pages
Print Icon
To Next Page IconTo Next Page
To Next Page IconTo Next Page
To Previous Page IconTo Previous Page
To Previous Page IconTo Previous Page
Loading...
IM0973171 A 01 7
Figure 7
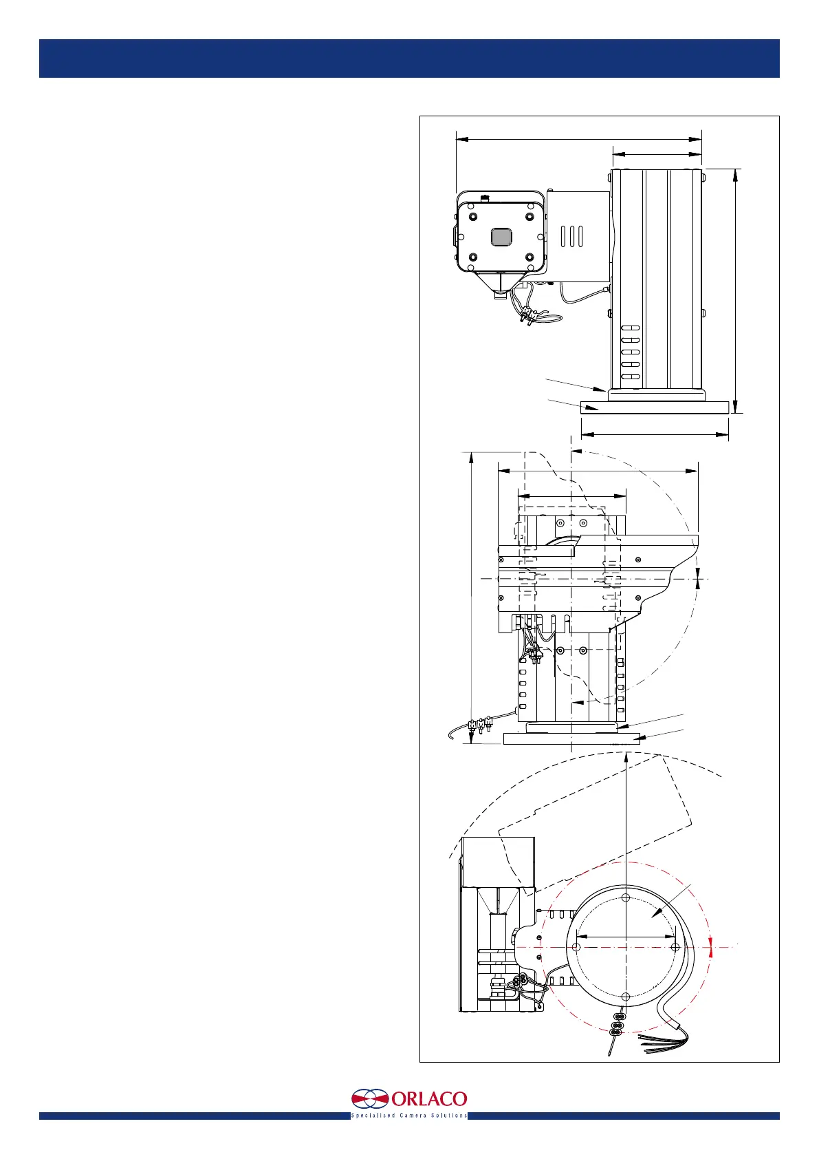
10. Dimensions
307
Units in mm
299,4
112
Maximum deflection turning 315
Maximum height 392
Tilt
Pan
141
261,5
Tilt 90˚ up
Tilt 90˚ down
P
a
n
3
6
0
˚
Base plate
Base
180
150
Base plate
Base
Base plate
Installation Manual

Related product manuals