EasyManua.ls Logo

Oxygen 8 SERENA - Wiring Diagrams & Airflows

Oxygen 8 SERENA
17 pages
Print Icon
To Next Page IconTo Next Page
To Next Page IconTo Next Page
To Previous Page IconTo Previous Page
To Previous Page IconTo Previous Page
Loading...
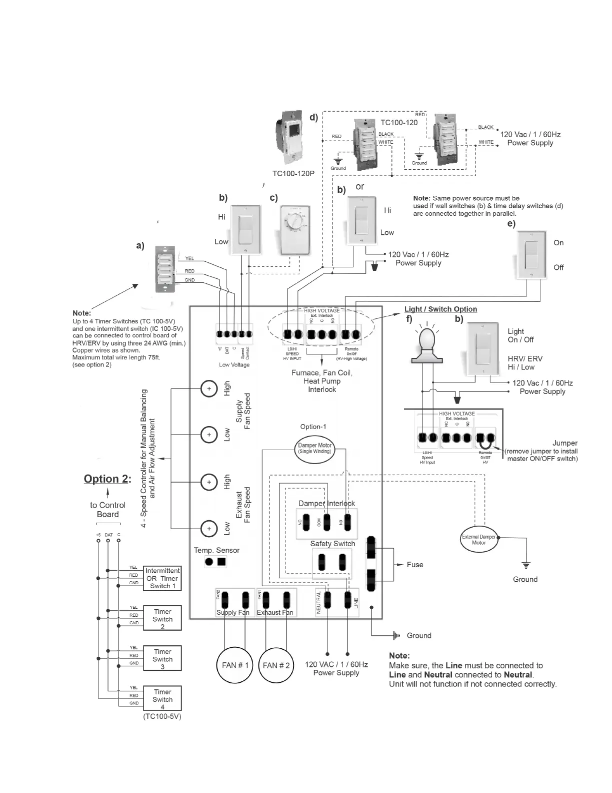
Installation Manual Serena Series
3.0 Wiring Diagrams & Airflows
Control Board
Optional Accessories (Not Supplied)
a. Time Switch (TC100)
b. Wall Switch
c. Dehumidistat
d. Time Delay Switch (TC100-120 & TC100-120P)
e. Master On/O Switch for ERV
f. Light
g. Intermittent Switch
Note: When installing timers, intermittent switches or time delay switches, make sure that they are for the appropriate ERV model

Related product manuals