EasyManua.ls Logo

Palas CD 2000 Type A - 4 Function Principle

Palas CD 2000 Type A
16 pages
Print Icon
To Next Page IconTo Next Page
To Next Page IconTo Next Page
To Previous Page IconTo Previous Page
To Previous Page IconTo Previous Page
Loading...
OPERATING MANUAL CD 2000
Palas
®
GmbH, Karlsruhe, Version V002022014
7
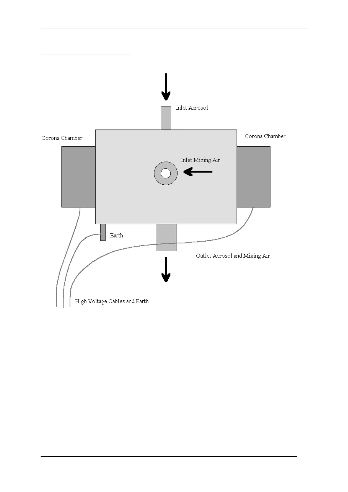
4. Function Principle
The dust or liquid aerosol is supplied to the inlet . The particles in these aerosols carry some
charge and they have to be discharged.
The clean pressurized air is delivered into the mixing air inlet. Mixing air flow is lead through
two ionization chambers which are driven by positive/negative high tension. In these
chambers the air is enriched with ions by the corona discharge.
The aerosol air flow and the mixing air flow enriched with ions will then be mixed in the
mixing chamber just before the outlet. By means of ions in the mixing air, the charge of the
particles in the aerosol is neutralized. This takes a certain time which means that the
complete discharge procedure takes place mainly in the volume after the outlet of the
discharge unit. (For example in the following tubes or in the upper part of a filter holder). An
estimate for the needed time for the discharge process is around 0,5 seconds. Good
discharge was found in applications assuring a time longer than 0,2 seconds.