EasyManua.ls Logo

Pall DU005-US - Page 7

Pall DU005-US
21 pages
Print Icon
To Next Page IconTo Next Page
To Next Page IconTo Next Page
To Previous Page IconTo Previous Page
To Previous Page IconTo Previous Page
Loading...
Document #: 4100022 Revision: F Page #: 7 of 21
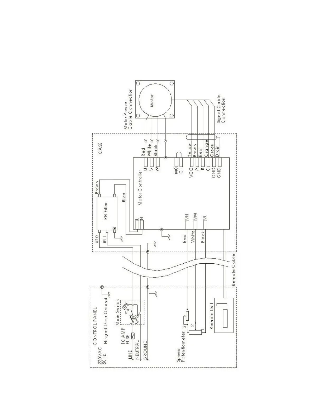
230 VAC:

Related product manuals