EasyManua.ls Logo

Panasonic CQ-C5305U

Panasonic CQ-C5305U
47 pages
To Next Page IconTo Next Page
To Next Page IconTo Next Page
To Previous Page IconTo Previous Page
To Previous Page IconTo Previous Page
Loading...
15
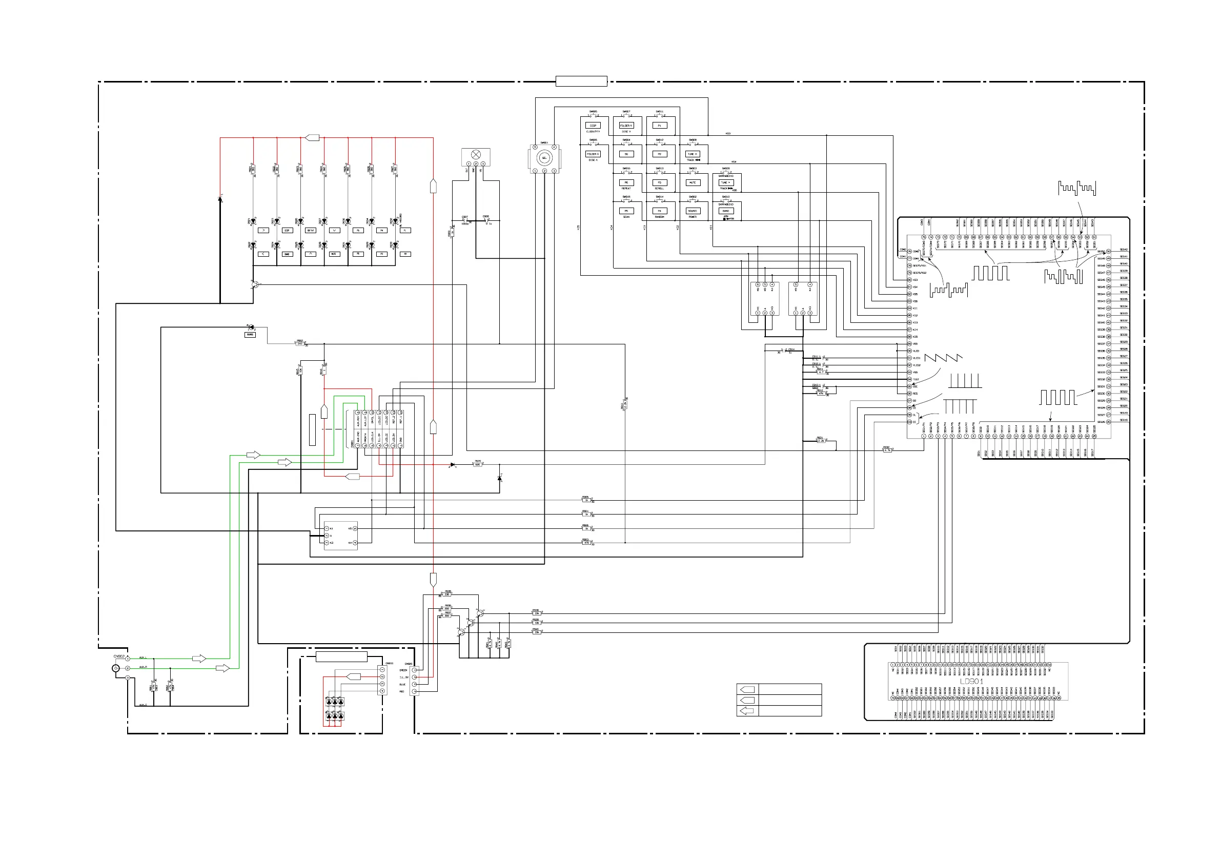
7.3. Display Block
CQ-C5405U/C5305U DISPLAY
7229-05-11
7229-05-12
D966
YESAD173
D921-D934
YESAD166
IC905
YESAM264
D912
YESAD147
D913
YESAD150
IC906
YESAM249
D970
YESAD143
D972
YESAD119
Q935
YESAN146
Q937
YESAN146
Q936
YESAN146
D911 YESAD150
D935
YESAD169
D936
YESAD169
Q931
YESAN146
D901
YESAD166
To CN
7221-03-11
CN991
(
)
4.6
4.6
4.6
4.6
2.3
2.3
2.3
2.3
2.3
2.3
2.3
2.3
2.3
2.3
2.3
2.3
2.3
2.3
2.3
2.3
2.3
2.3
2.3
2.3
2.3
2.3
2.3
2.3
2.3
2.3
2.3
2.3
2.3
2.3
2.3
2.3
2.3
2.3
2.3
2.3
2.3
2.3
2.3
2.3
2.3
2.3
2.3
2.3
2.3
2.3
2.3
2.3
2.3
2.3
2.3
2.3
2.3
2.3
2.3
2.3
2.3
2.3
2.3
2.3
2.3
2.3
2.3
2.3
2.3
2.3
4.6
4.6
4.6
4.6
4.6
4.6
4.6
4.6
4.8
4.7
3.1
3.4
1.5
0
0
0
0
0
0
0
0
4.7
0
4.6
0
0.2
0.7
0
0
0
0
0
0
0.7
0.7
0.7
1V / DIV, 2ms / DIV
1V / DIV, 2ms / DIV
2V / DIV, 2ms / DIV
2V / DIV, 2ms / DIV
2V / DIV, 2ms / DIV
2V / DIV, 10us / DIV
2V / DIV, 50ms / DIV
2V / DIV, 50ms / DIV
9V
5V
9V
5V
AUDIO (L,R)
The following symbols are
shown on the schematic
diagram.
9V 9V
9V
9V
9V
5V
5V
R
L
R
L

Other manuals for Panasonic CQ-C5305U

Related product manuals