EasyManua.ls Logo

Panasonic CQ-C5305U

Panasonic CQ-C5305U
47 pages
To Next Page IconTo Next Page
To Next Page IconTo Next Page
To Previous Page IconTo Previous Page
To Previous Page IconTo Previous Page
Loading...
9
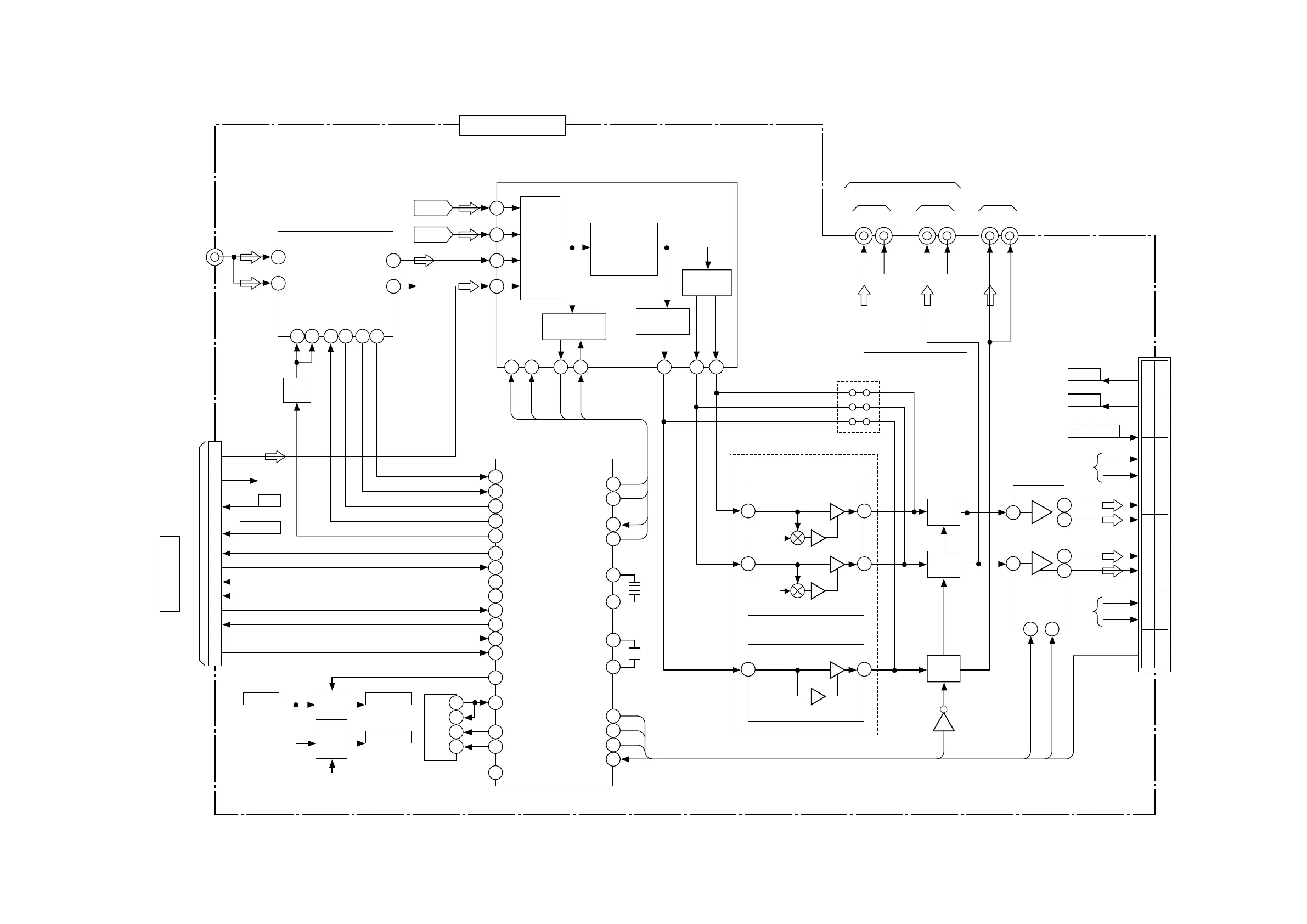
5 Block Diagram
5.1. Main-1 Block
PA51
FM / AM TUNER
82
16
92
90
94
26
27
28
29
30
10
31
35
36
79
83
5
6
4
3
3
7
3
85
84
80
7229-02-11(1/2)
AT51
2 FM ANT
FM VT
FM / AM OSC
FM / AM IFC
VSM
SD / ST IND
AM VT
1
17
16
AM ANT
L-CH
R-CH
R-CH
22212011146
AUX L
HUB L
7
5
1
3
Q401
CN801
CD-L
CD-R
R-CH
9V
CD3.3V
CD SI
CD SO
CD SCK
CD FS
CD MUTE
CD RST
CD SW1
CD SW2
16
17
9
10
13
7
8
5
6
3
4
2
1
3032-14-49
CN101
(CD DECK)To
DO
DI
SK
CS
Q52,602
Q55,601
TU+B
FM VCC
AM VCC
POW
SW
POW
SW
IC681
EEPROM
AM MODE
CS
SK
XT2
9XT1
57CLK
58DATA
54SCLK
53
26242217182930
57
58
54
53
SDA
SCLK
SW
RL
FL
SDA
12CF1
13CF2
99AF MUTE
59STBY
100
AMP MUTE
70EXT MUTE
DI / DO
FM MODE
CD SW2
CD SW1
CD RST
CD MUTE
CD FS
CD SCK
CD SO
CD SI
EO
FM/AM OSC
FM/AM IFC
VSM
ST
XL601
13.5MHz
XL602
32.8KHz
R-CH
R-CH
IC601(1/2)
SYSTEM CONTROL
INPUT
SEL
IC201
AUDIO SIGNAL PROCESSOR
LOUDNESS
VOLUME
EQALIZER
SPECTRUM
ANALIZER
SUB
WOOFER
FADER
CN250
PREOUT
CN251
SUB.W
FRONT REAR
LR LR LR
R-CH
R-CH
CQ-C5305U
CQ-C5405U
Q361*,363
Q362*
364
Q345,346
Q251
MUTE
MUTE
MUTE
IC381
LINE AMP
IC231
LINE AMP
12
12
11
SIGNAL
SIGNAL
LIFT
LIFT
99
59
100
70
: Q361 and Q362 are only for CQ-5405U.
CQ-C5405U/C5305U MAIN(1/2)
TEL MUTE
RR+
RR-
R-CH
R-CH
224
14
1615
1413
1211
10 9
87
65
43
21
12
5
3
21
23
STBY
MUTE
FL+
FL-
FR+
FR-
RL+
RL-
IC271
POWER AMP
BATT
ACC
AMP CNT
CN701

Other manuals for Panasonic CQ-C5305U

Related product manuals