EasyManua.ls Logo

Panasonic CQ-C5403U - Wiring Connection

Panasonic CQ-C5403U
48 pages
Print Icon
To Next Page IconTo Next Page
To Next Page IconTo Next Page
To Previous Page IconTo Previous Page
To Previous Page IconTo Previous Page
Loading...
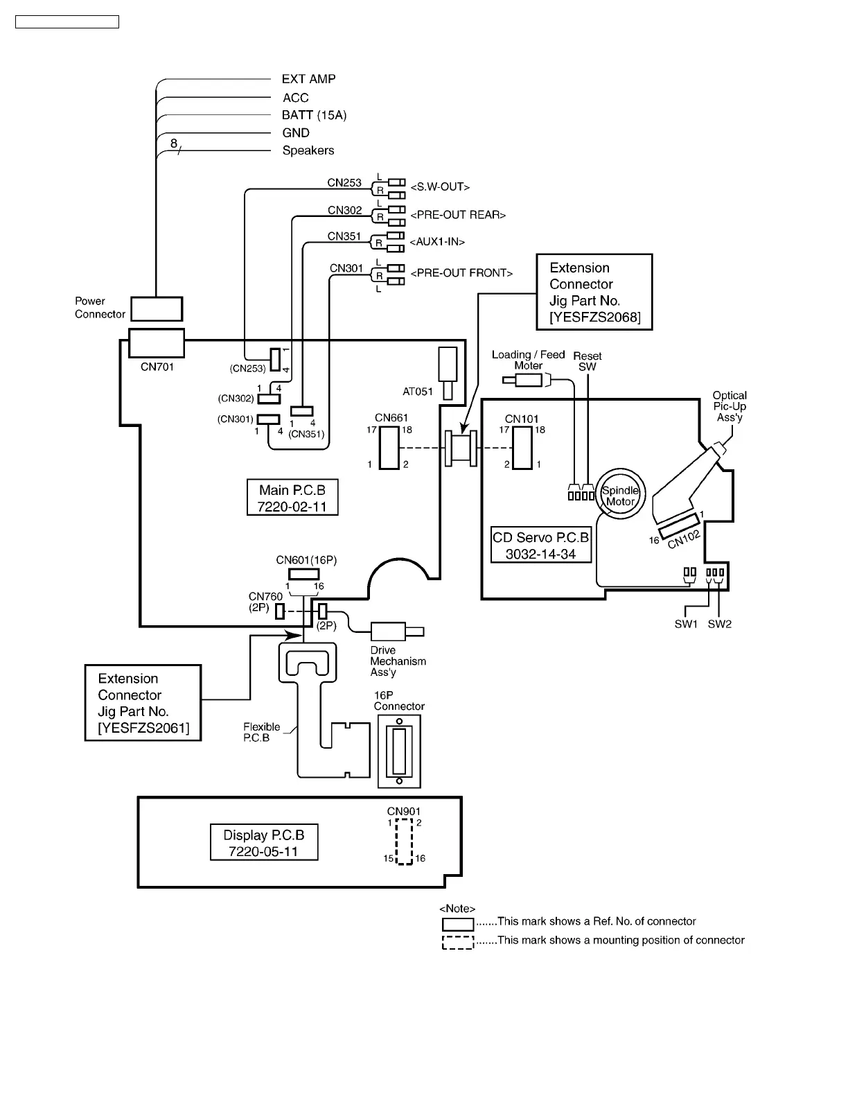
8 WIRING CONNECTION
4
CQ-C5403U / CQ-C5303U