EasyManua.ls Logo

Panasonic CQ-C8401W

Panasonic CQ-C8401W
47 pages
To Next Page IconTo Next Page
To Next Page IconTo Next Page
To Previous Page IconTo Previous Page
To Previous Page IconTo Previous Page
Loading...
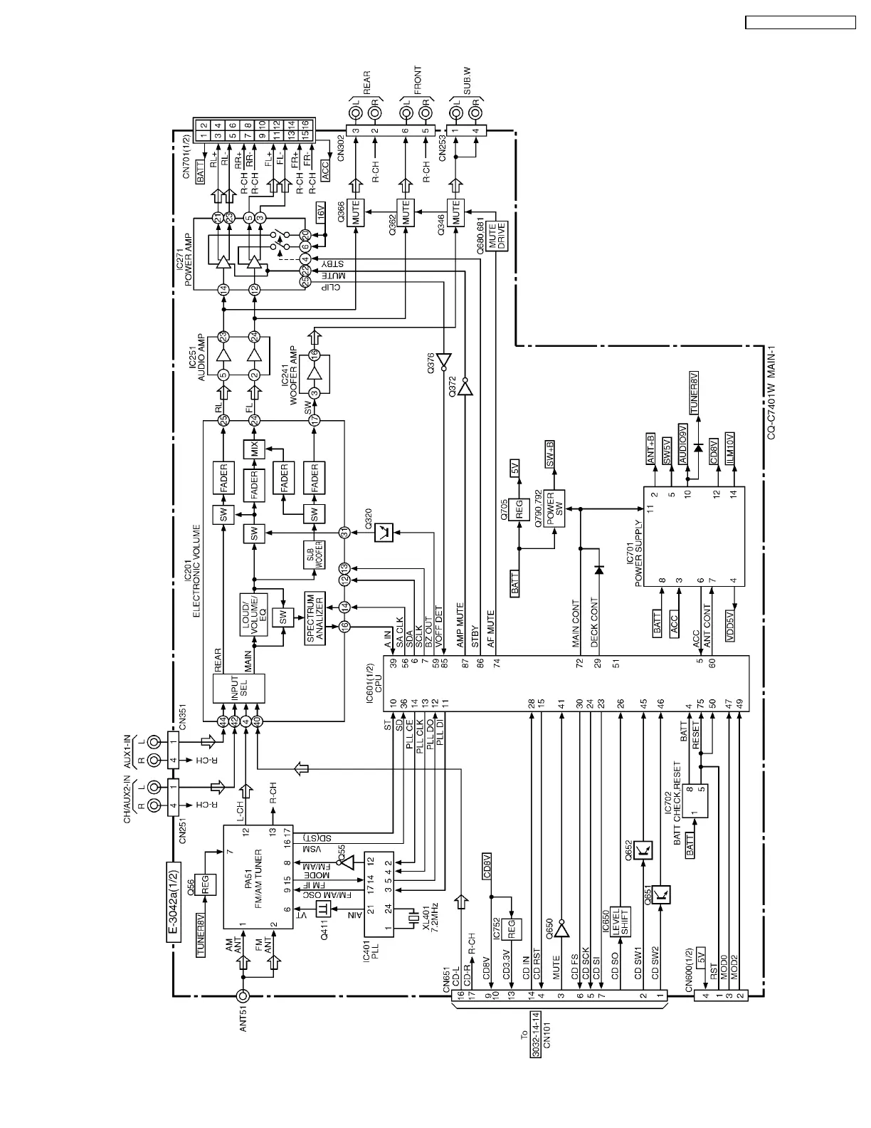
9.2. Main-1 Block [CQ-C7401W]
7
CQ-C8401W / CQ-C7401W

Other manuals for Panasonic CQ-C8401W

Related product manuals