EasyManua.ls Logo

Panasonic CS-A18JKD - Electronic Circuit Diagram

Panasonic CS-A18JKD
68 pages
Print Icon
To Next Page IconTo Next Page
To Next Page IconTo Next Page
To Previous Page IconTo Previous Page
To Previous Page IconTo Previous Page
Loading...
14
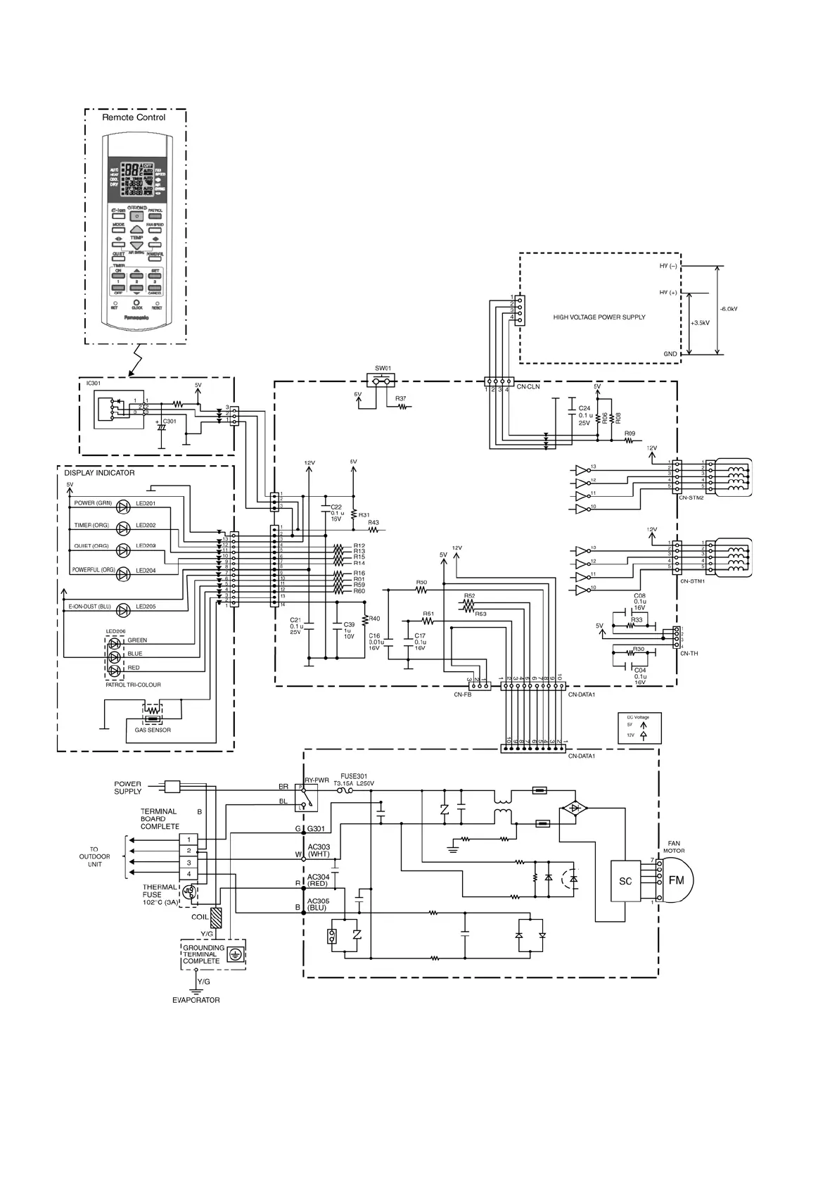
9 Electronic Circuit Diagram

Table of Contents

Related product manuals