EasyManua.ls Logo

Panasonic CS-C12HKF - Dimensions; Indoor Unit & Remote Control

Panasonic CS-C12HKF
58 pages
Print Icon
To Next Page IconTo Next Page
To Next Page IconTo Next Page
To Previous Page IconTo Previous Page
To Previous Page IconTo Previous Page
Loading...
9
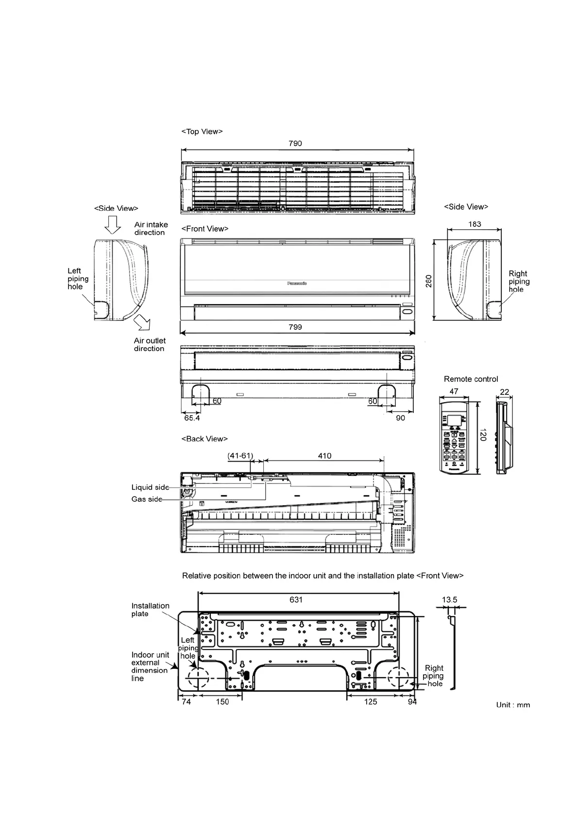
5 Dimensions
5.1. Indoor Unit & Remote Control
5.1.1. CS-C12HK

Related product manuals