EasyManua.ls Logo

Panasonic CS-C18JKV

Panasonic CS-C18JKV
60 pages
To Next Page IconTo Next Page
To Next Page IconTo Next Page
To Previous Page IconTo Previous Page
To Previous Page IconTo Previous Page
Loading...
14
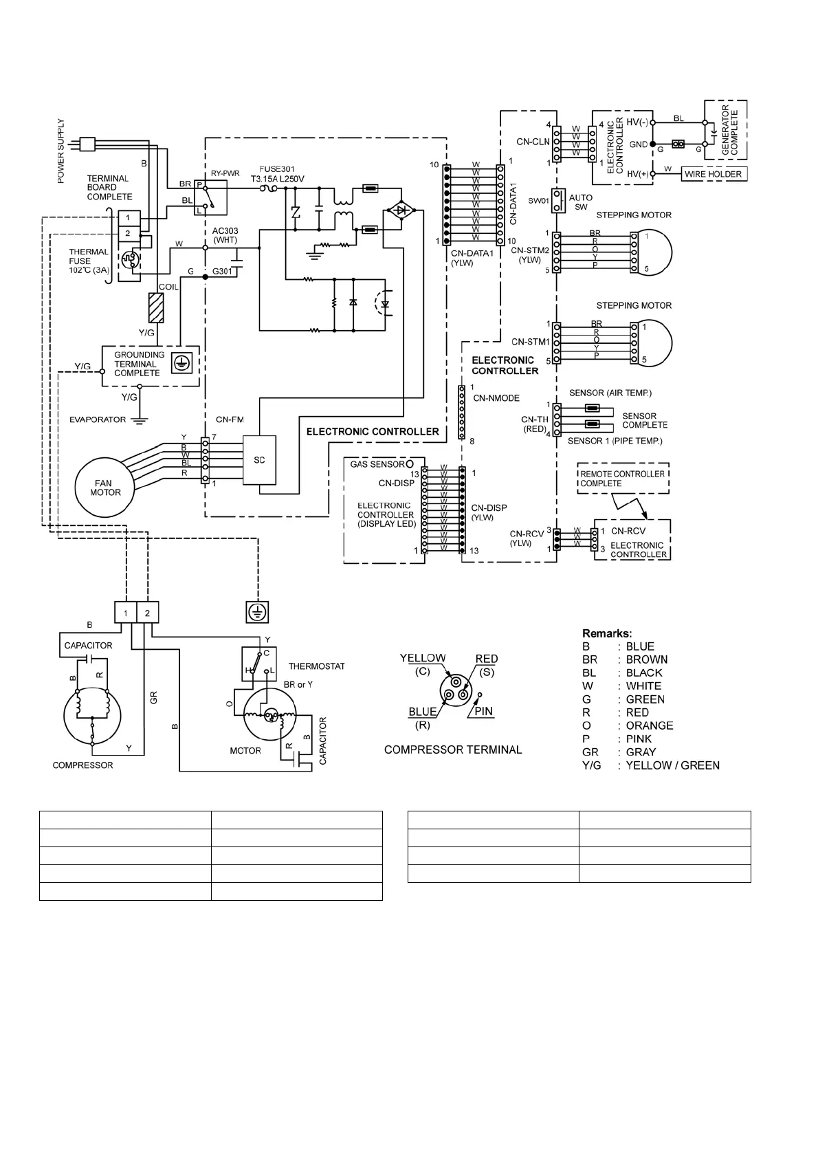
8.2. CS-C24JKV CU-C24JKV
Resistance of Outdoor Fan Motor Windings
Note: Resistance at 20°C of ambient temperature.
Resistance of Compressor Windings
Note: Resistance at 20°C of ambient temperature.
MODEL CU-C24JKV
CONNECTION CWA951399J
BLUE-YELLOW 59.47 Ω
YELLOW-RED 60.95 Ω
YELLOW-ORANGE 80.58 Ω
MODEL CU-C24JKV
CONNECTION 2J39S236A1A
C - R 0.933 Ω
C - S 1.584 Ω

Table of Contents

Other manuals for Panasonic CS-C18JKV

Related product manuals