EasyManua.ls Logo

Panasonic CS-C18JKV

Panasonic CS-C18JKV
60 pages
To Next Page IconTo Next Page
To Next Page IconTo Next Page
To Previous Page IconTo Previous Page
To Previous Page IconTo Previous Page
Loading...
15
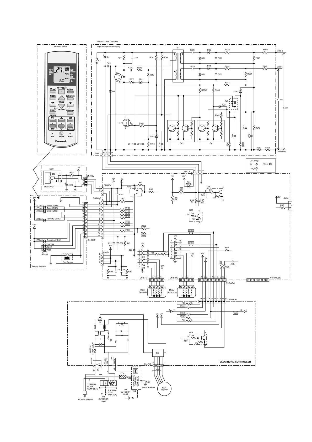
9 Electronic Circuit Diagram

Table of Contents

Other manuals for Panasonic CS-C18JKV

Related product manuals