EasyManua.ls Logo

Panasonic CS-C18PKF - Cs-C28 Pkf Cu-C28 Pkf

Panasonic CS-C18PKF
107 pages
Print Icon
To Next Page IconTo Next Page
To Next Page IconTo Next Page
To Previous Page IconTo Previous Page
To Previous Page IconTo Previous Page
Loading...
26
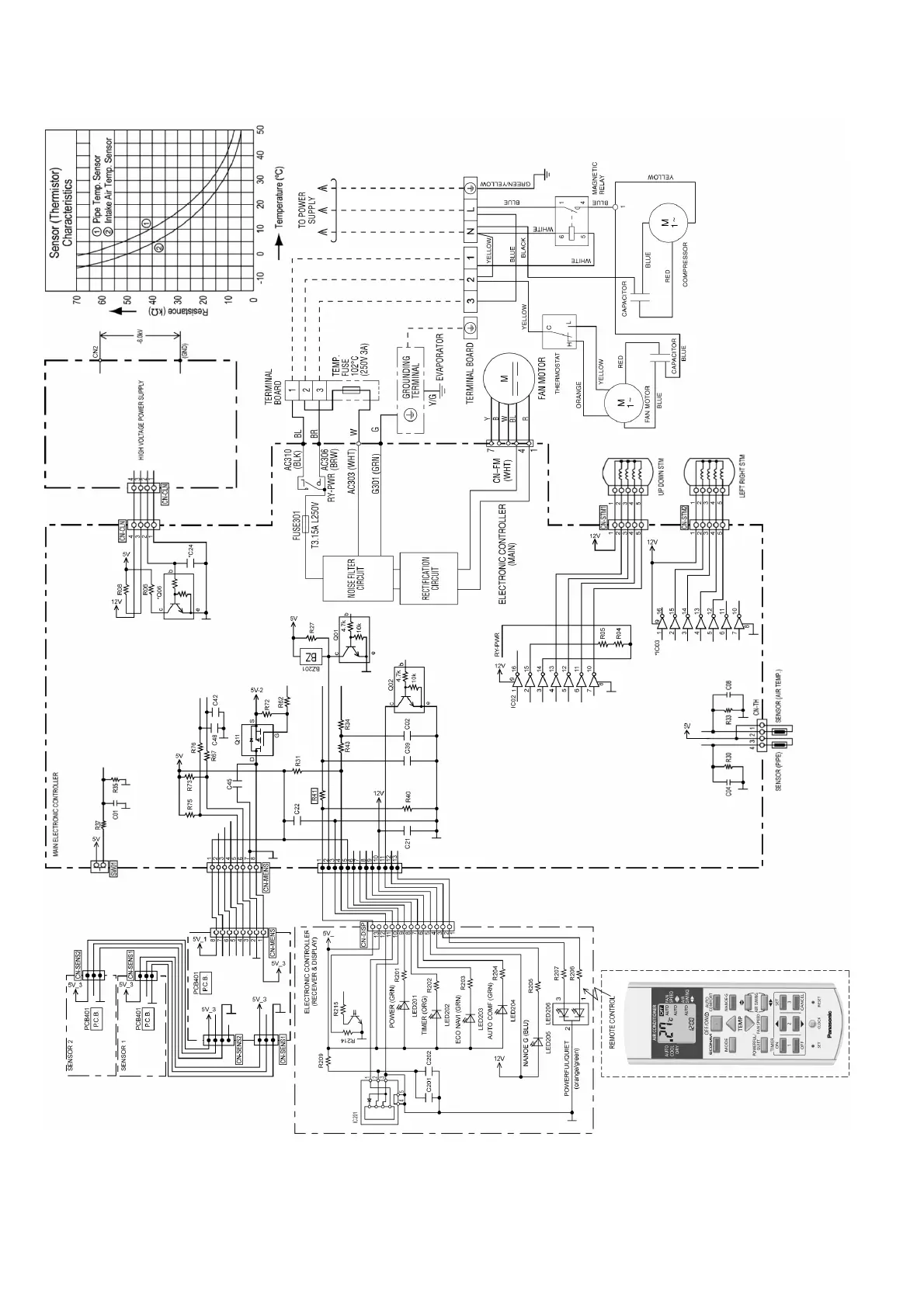
9.4 CS-C28PKF CU-C28PKF

Table of Contents

Related product manuals