EasyManua.ls Logo

Panasonic CS-CE9LKE - Wiring Connection Diagram; Indoor Unit Wiring

Panasonic CS-CE9LKE
85 pages
To Next Page IconTo Next Page
To Next Page IconTo Next Page
To Previous Page IconTo Previous Page
To Previous Page IconTo Previous Page
Loading...
17
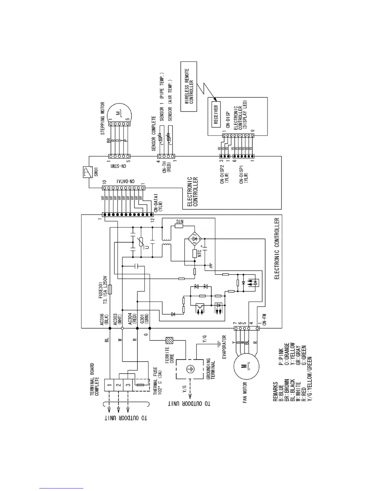
8 Wiring Connection Diagram
8.1. Indoor Unit

Related product manuals